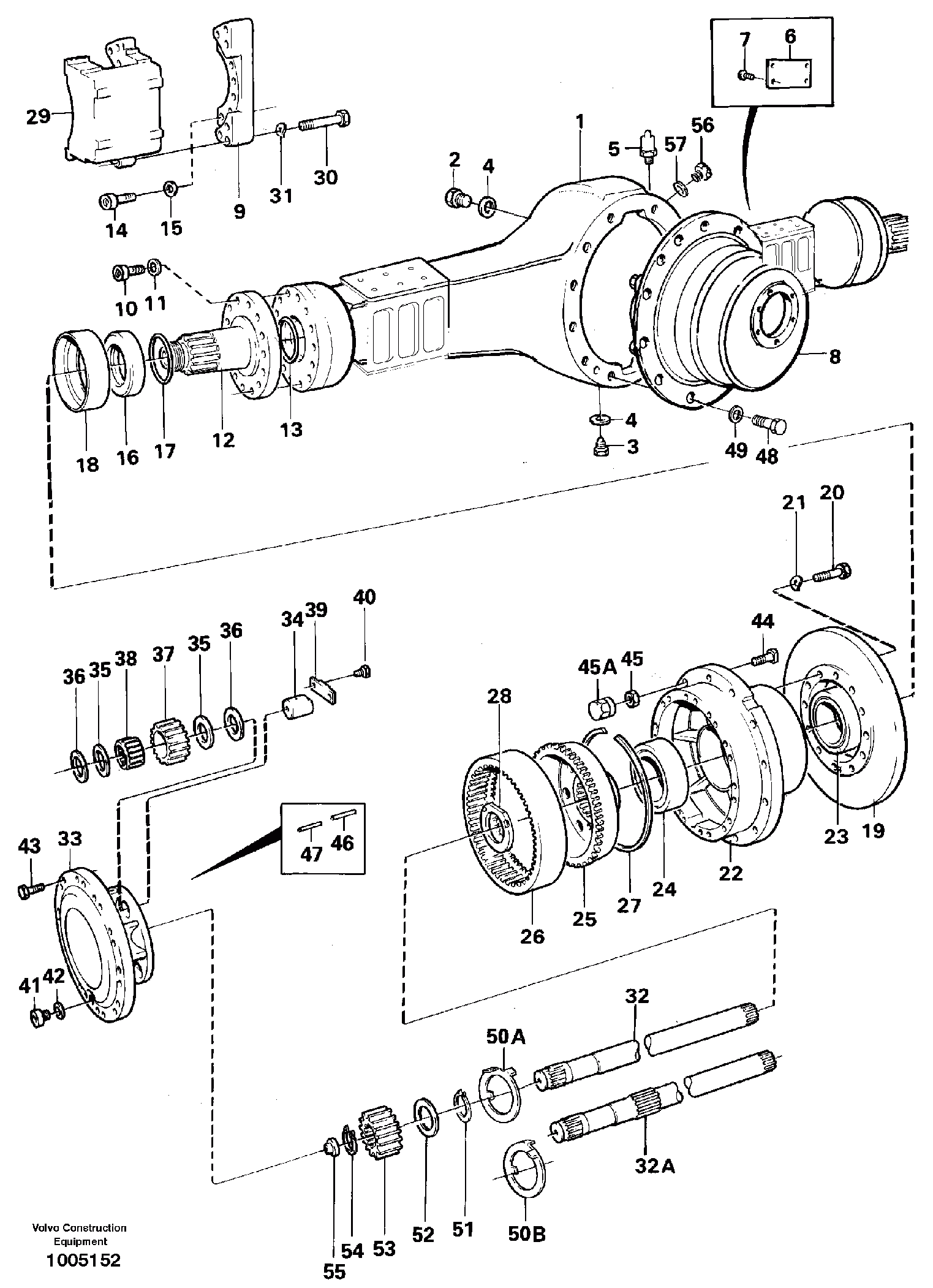
Запчасти Volvo L70 2630 Передний ведущий мост Ah 45 L70 L70 S/N 7401- / 60501- USA

Схема запчастей Volvo L70 - 2630 Передний ведущий мост Ah 45 L70 L70 S/N 7401- / 60501- USA
FIT
1:1
100%

Артикул

Название

Примечание

Количество

VOE 7181607

Подшипник

1шт.

VOE 7181607

Roller bearing

1шт.

VOE 183610

Подшипник

1шт.

VOE 183610

Подшипник

1шт.

VOE 955368

Винт шестигранник

L=60

1шт.

VOE 955368

Винт шестигранник

L=60

1шт.

1

VOE 4870272

Axle casing

1шт.

10

VOE 14370999

Allen Hd Screw

L=80

1шт.

11

VOE 941914

Шайба пружинная

1шт.

11

VOE 941914

Шайба пружинная

1шт.

12

VOE 4870229

Spindle

1шт.

13

VOE 13960239

Кольцо уплотнительное (О-кольцо)

1шт.

13

VOE 13960239

Кольцо уплотнительное (О-кольцо)

1шт.

14

VOE 949566

Винт шестигранник (торцевой ключ)

L=60

1шт.

14

VOE 949566

Hex. socket screw

L=60

1шт.

15

VOE 941914

Шайба пружинная

1шт.

15

VOE 941914

Шайба пружинная

1шт.

16

VOE 11034192

Spacer ring

1шт.

16

VOE 11034192

Spacer ring

1шт.

17

VOE 13960194

Кольцо уплотнительное (О-кольцо)

1шт.

17

VOE 13960194

Кольцо уплотнительное (О-кольцо)

1шт.

18

VOE 118728

Кольцо уплотнительное

1шт.

18

VOE 118728

Кольцо уплотнительное

1шт.

19

VOE 4717690

Brake disc

1шт.

19

VOE 4717690

Brake disc

1шт.

2

VOE 11034156

Пробка (заглушка)

1шт.

2

VOE 11034156

Пробка (заглушка)

1шт.

20

VOE 13947373

Болт

1шт.

20

VOE 13947373

Болт

1шт.

21

VOE 941912

Шайба пружинная

1шт.

21

VOE 941912

Шайба пружинная

1шт.

22

VOE 4870455

Ступица

1шт.

23

VOE 183701

Подшипник

1шт.

23

VOE 183701

Подшипник

1шт.

24

VOE 183610

Подшипник

1шт.

24

VOE 183610

Подшипник

1шт.

25

VOE 4870492

Gear ring holder

1шт.

25

VOE 4870492

Gear ring holder

1шт.

26

VOE 4717040

Шестерня коронная (кольцевая, планетарная)

1шт.

26

VOE 4717040

Шестерня коронная (кольцевая, планетарная)

1шт.

27

VOE 4717022

Retaining ring

1шт.

27

VOE 4717022

Кольцо стопорное

1шт.

28

VOE 4870224

Гайка

1шт.

3

VOE 11102187

Пробка магнитная

1шт.

3

VOE 11102187

Пробка магнитная

1шт.

30

VOE 4717660

Болт

1шт.

30

VOE 4717660

Болт

1шт.

31

VOE 941914

Шайба пружинная

1шт.

31

VOE 941914

Шайба пружинная

1шт.

32

VOE 4870239

Полуось

RH

1шт.

32A

VOE 4870240

Полуось

LH

1шт.

33

VOE 11034245

Водило планетарного редуктора

1шт.

34

VOE 11034736

Вал планетарной шестерни

1шт.

35

VOE 4870486

Шайба упорная

1шт.

36

VOE 11034147

Шайба упорная

1шт.

37

VOE 11102303

Шестерня планетарная (сателлит)

1шт.

38

VOE 4881318

Подшипник

1шт.

39

VOE 4870445

Striker plate

1шт.

4

VOE 958228

Кольцо уплотнительное (О-кольцо)

1шт.

4

VOE 958228

Кольцо уплотнительное (О-кольцо)

1шт.

40

VOE 4870448

Болт

1шт.

40

VOE 4870448

Screw

1шт.

41

VOE 11034156

Пробка (заглушка)

1шт.

41

VOE 11034156

Пробка (заглушка)

1шт.

42

VOE 958228

Кольцо уплотнительное (О-кольцо)

1шт.

42

VOE 958228

Кольцо уплотнительное (О-кольцо)

1шт.

43

VOE 13977564

Винт шестигранник

1шт.

43

VOE 13977564

Винт шестигранник

1шт.

44

VOE 11102586

Шпилька колеса

1шт.

44

VOE 11102586

Шпилька колеса

1шт.

45

VOE 4717139

Гайка

1шт.

45

VOE 4717139

Гайка

1шт.

45A

VOE 11003011

Nut cap

PROD NO 33128

1шт.

45A

VOE 11003011

Nut cap

PROD NO 33128

1шт.

46

VOE 952031

Spring pin

14X28

1шт.

46

VOE 952031

Spring pin

14X28

1шт.

47

VOE 951990

Spring pin

8X28

1шт.

47

VOE 951990

Spring pin

8X28

1шт.

48

VOE 955364

Винт шестигранник

L=40

1шт.

48

VOE 955364

Винт шестигранник

L=40

1шт.

49

VOE 941912

Шайба пружинная

1шт.

49

VOE 941912

Шайба пружинная

1шт.

5

VOE 384555

Air vent valve

1шт.

5

VOE 384555

Air vent valve

1шт.

50A

VOE 4870225

Lock ring

ALT

1шт.

50B

VOE 4870226

Lock ring

1шт.

51

VOE 914480

Кольцо стопорное

1шт.

51

VOE 914480

Retaining ring

1шт.

52

VOE 4870227

Шайба упорная

1шт.

53

VOE 11102304

Солнечная (центральная / планетарная) шестерня

1шт.

53

VOE 11102304

Солнечная (центральная / планетарная) шестерня

1шт.

54

VOE 4717033

Lock ring

1шт.

54

VOE 4717033

Lock ring

1шт.

55

VOE 11102910

Кольцо изнашиваемое

1шт.

56

VOE 960630

Пробка (заглушка)

1шт.

56

VOE 960630

Пробка (заглушка)

1шт.

57

VOE 13945653

Plane gasket

1шт.

57

VOE 13945653

Plane gasket

1шт.

7

VOE 950891

Drive screw

1шт.

7

VOE 950891

Drive screw

1шт.

9

VOE 4717713

Anchorage

1шт.

9

VOE 4717713

Anchorage

1шт.

Выбрано товаров: 102