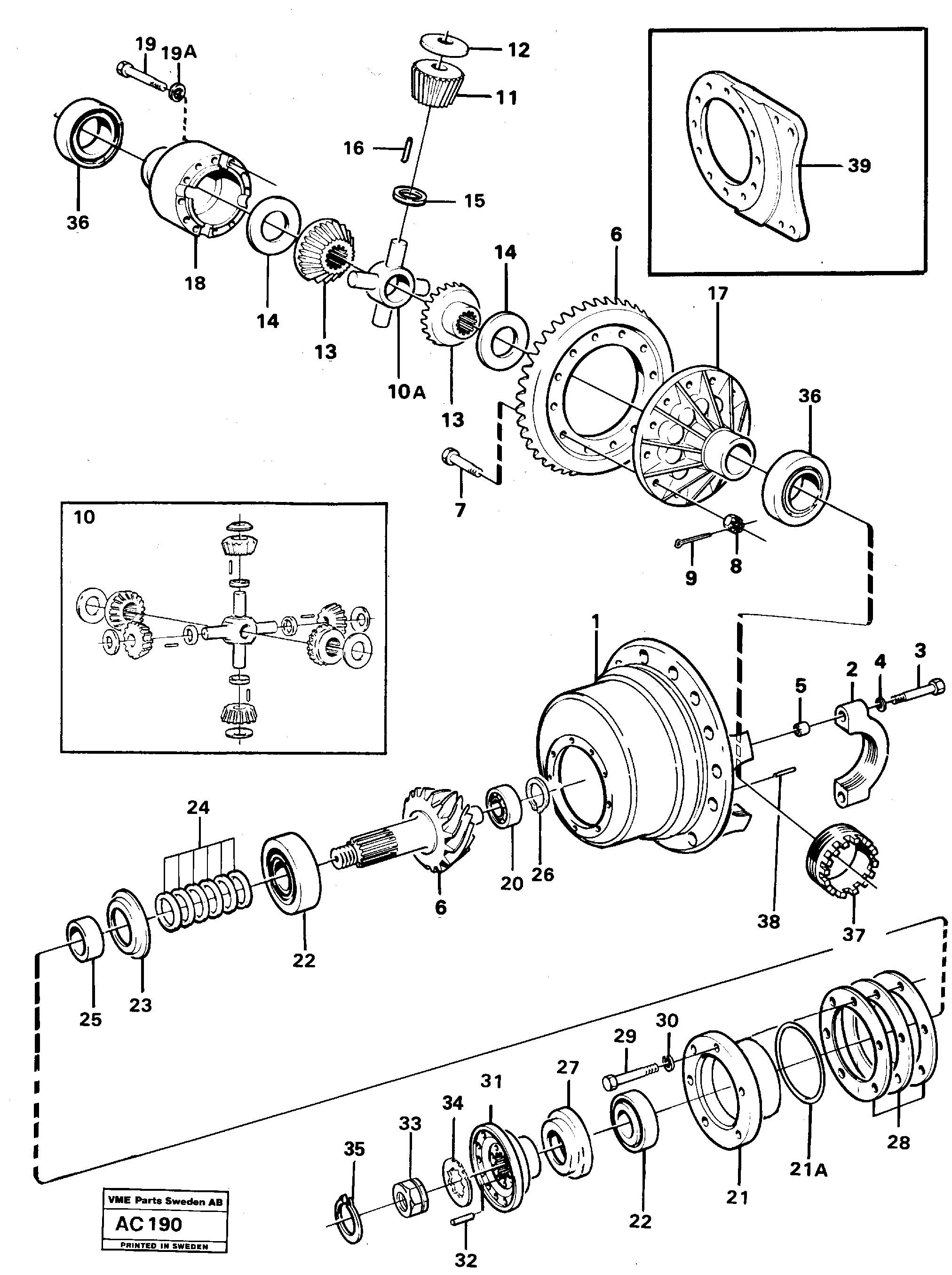
Запчасти Volvo L70 96706 Главная передача L70 L70 S/N 7401- / 60501- USA

Схема запчастей Volvo L70 - 96706 Главная передача L70 L70 S/N 7401- / 60501- USA
FIT
1:1
100%

Артикул

Название

Примечание

Количество

VOE 11035399

Прокладка

THICK=0,1

1шт.

VOE 11034226

Главная передача

1шт.

VOE 11035400

Прокладка

THICK=0,35

1шт.

VOE 4870250

Spacer ring

THICK=3,42

1шт.

VOE 4870250

Spacer ring

THICK=3,42

1шт.

VOE 4870247

Spacer ring

THICK=3,21

1шт.

VOE 4870247

Spacer ring

THICK=3,21

1шт.

VOE 4870246

Spacer ring

THICK=3,15

1шт.

VOE 4870249

Spacer ring

THICK=3,39

1шт.

VOE 4870249

Spacer ring

THICK=3,39

1шт.

VOE 4870248

Spacer ring

THICK=3,36

1шт.

VOE 4870248

Spacer ring

THICK=3,36

1шт.

1

VOE 4870281

Centre housing

1шт.

10

VOE 11000288

Drive gear set

1шт.

12

VOE 1522347

Шайба упорная

1шт.

14

VOE 1524716

Шайба упорная

1шт.

16

VOE 1522345

Needle

1шт.

17

VOE 4870398

Differential housing

1шт.

18

VOE 4870258

Differential housing

1шт.

19

VOE 968217

Allen Hd Screw

1шт.

19A

VOE 941911

Шайба пружинная

1шт.

19A

VOE 941911

Шайба пружинная

1шт.

20

VOE 11714097

Подшипник

1шт.

21

VOE 11035398

Pin Brg Sleeve

1шт.

21A

VOE 925266

Кольцо уплотнительное (О-кольцо)

1шт.

21A

VOE 925266

Кольцо уплотнительное (О-кольцо)

1шт.

22

VOE 181171

Подшипник

1шт.

22

VOE 181171

Подшипник

1шт.

23

VOE 4870356

Oil plate

1шт.

24

VOE 4870245

Spacer ring

THICK=3,12

1шт.

25

VOE 4870251

Spacer sleeve

1шт.

26

VOE 914465

Retaining ring

1шт.

26

VOE 914465

Кольцо стопорное

1шт.

27

VOE 4787030

Кольцо уплотнительное

1шт.

27

VOE 4787030

Кольцо уплотнительное

1шт.

28

VOE 11035401

Прокладка

THICK=1,0

1шт.

29

VOE 13970973

Винт шестигранник

1шт.

29

VOE 13970973

Винт шестигранник

1шт.

3

VOE 13947695

Болт

1шт.

3

VOE 13947695

Болт

1шт.

30

VOE 940280

Шайба пружинная

1шт.

30

VOE 940280

Шайба пружинная

1шт.

31

VOE 4870554

Companion flange

1шт.

32

VOE 951951

Spring pin

1шт.

33

VOE 4717554

Гайка

1шт.

34

VOE 4717221

Стопорная шайба (кольцо)

1шт.

34

VOE 4717221

Стопорная шайба (кольцо)

1шт.

35

VOE 13948714

Lock ring

1шт.

36

VOE 184623

Подшипник

1шт.

36

VOE 184623

Подшипник

1шт.

37

VOE 1522351

Setting nut

1шт.

38

VOE 13951977

Spring pin

1шт.

38

VOE 13951977

Spring pin

1шт.

39

VOE 11003135

Brake anchorage

1шт.

4

VOE 13946304

Шайба

1шт.

4

VOE 13946304

Шайба

1шт.

6

VOE 4870401

Drive gear set

1шт.

7

VOE 1673306

Болт

1шт.

7

VOE 1673306

Болт

1шт.

8

VOE 191055

Гайка

1шт.

8

VOE 191055

Гайка

1шт.

9

VOE 907847

Cotter Pin

1шт.

Выбрано товаров: 62