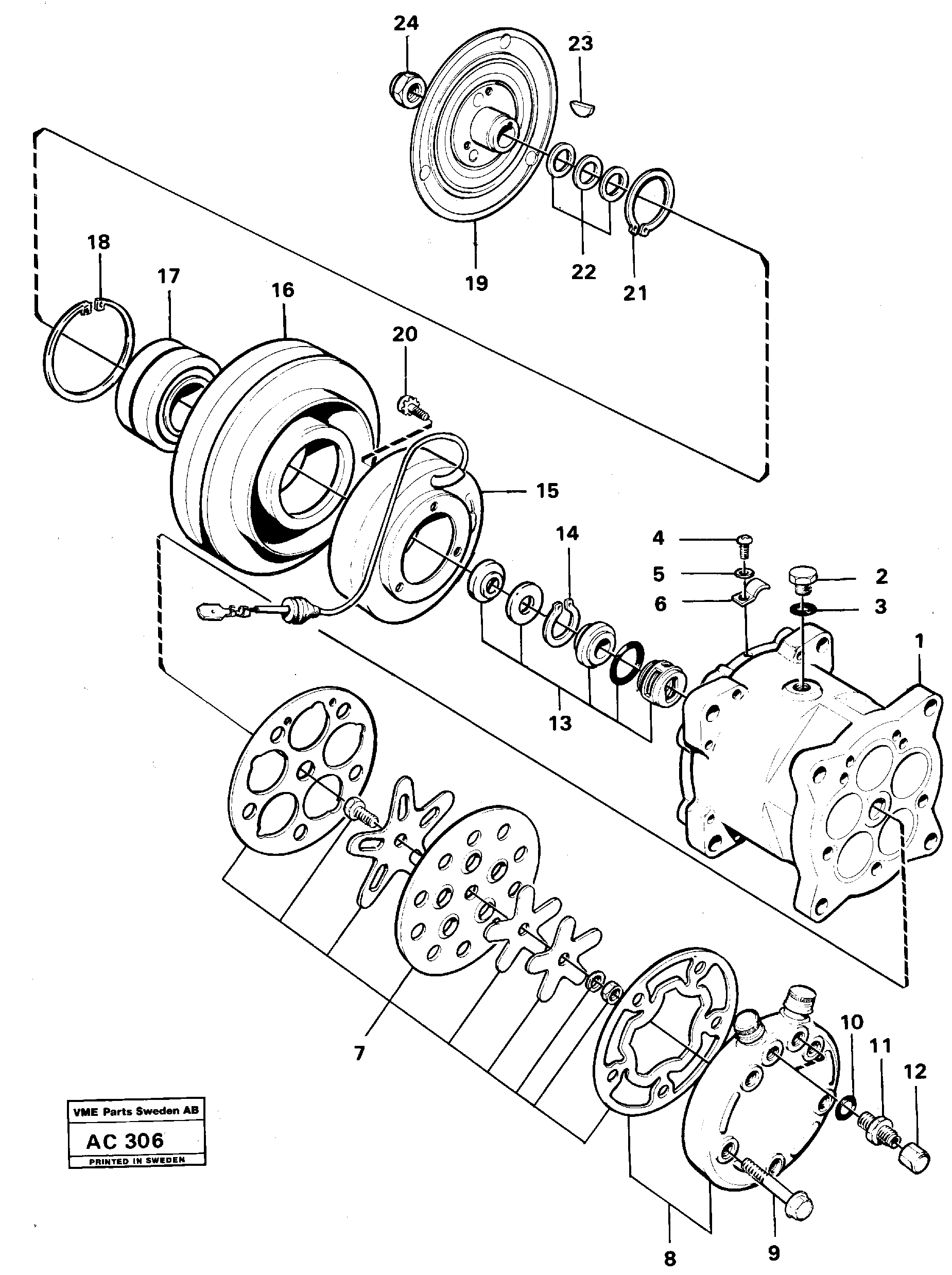
Запчасти Volvo L70 48006 Air compressor L70 L70 S/N 7401- / 60501- USA

Схема запчастей Volvo L70 - 48006 Air compressor L70 L70 S/N 7401- / 60501- USA
FIT
1:1
100%

Артикул

Название

Примечание

Количество

VOE 1593151

Compressor

1шт.

VOE 1593151

Compressor

1шт.

VOE 1698665

Gasket kit

1шт.

VOE 1698665

Gasket kit

1шт.

VOE 1697434

Solenoid clutch

1шт.

VOE 11992130

Set

1шт.

10

VOE 3522453

Кольцо уплотнительное (О-кольцо)

1шт.

11

VOE 1596025

Клапан

1шт.

11

VOE 1596025

Клапан

1шт.

12

VOE 1215459

Valve cap

1шт.

12

VOE 1215459

Valve cap

1шт.

13

VOE 3091323

Sealing kit

1шт.

2

VOE 1596024

Пробка (заглушка)

1шт.

2

VOE 1596024

Пробка (заглушка)

1шт.

23

VOE 1695479

Key

1шт.

3

VOE 3522453

Кольцо уплотнительное (О-кольцо)

1шт.

7

VOE 1698666

Ремкомплект

1шт.

7

VOE 1698666

Ремкомплект

1шт.

8

VOE 1308133

Головка блока цилиндров

1шт.

Выбрано товаров: 19