Запчасти Volvo L70B 14106 Alternator L70B/L70C VOLVO BM VOLVO BM L70B/L70C SER NO - 13115

Схема запчастей Volvo L70B - 14106 Alternator L70B/L70C VOLVO BM VOLVO BM L70B/L70C SER NO - 13115
FIT
1:1
100%

Артикул

Название

Примечание

Количество

VOE 872021

Alternator

SER NO - 12741

1шт.

VOE 872021

Alternator

SER NO - 12741

1шт.

VOE 873757

Alternator

SER NO 12742 -

1шт.

VOE 873757

Alternator

SER NO 12742 -

1шт.

VOE 872368

Regulator Kit

1шт.

VOE 872368

Regulator Kit

1шт.

VOE 873817

Diode Bridge

1шт.

VOE 873817

Diode Bridge

1шт.

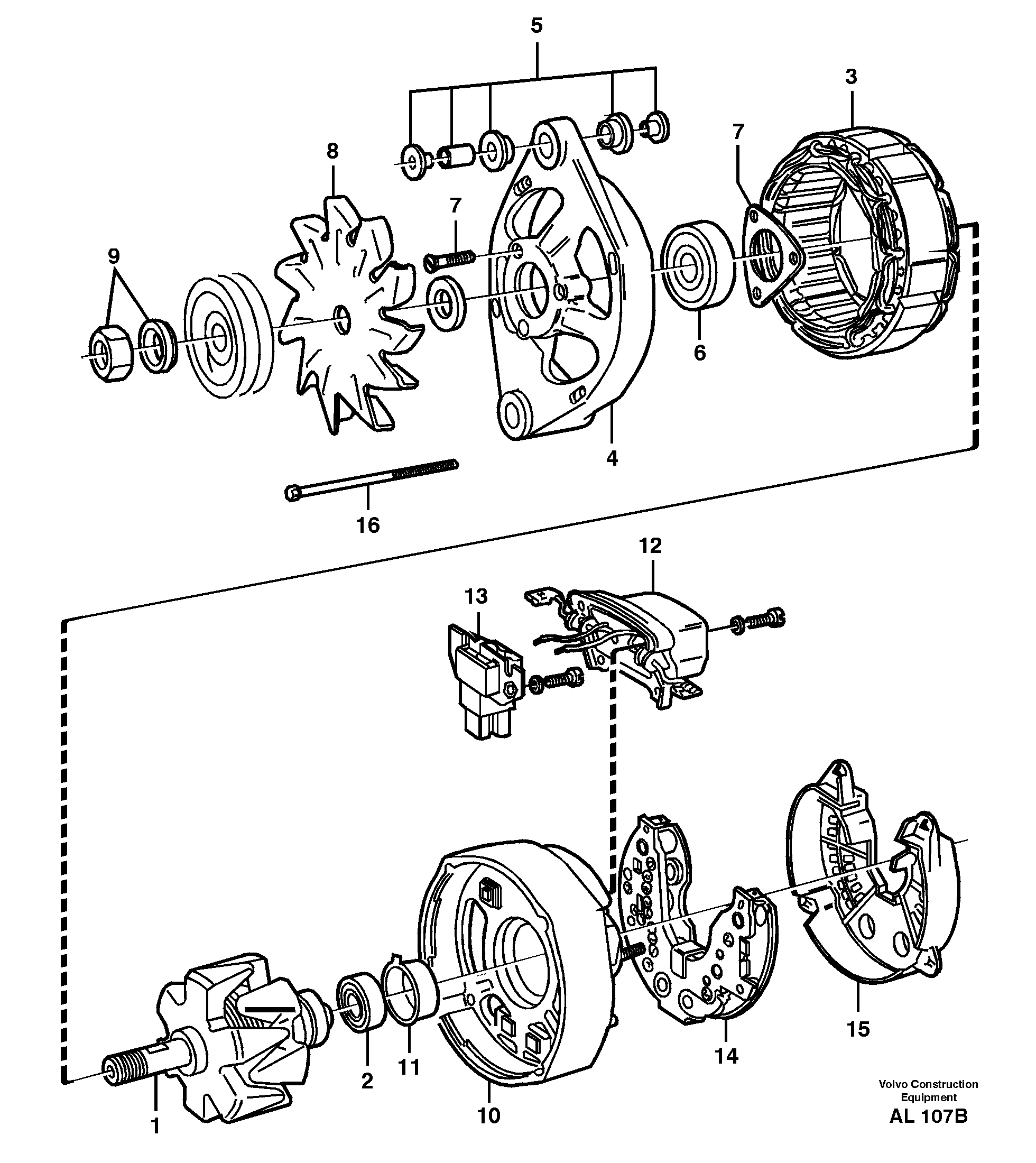
1

VOE 864347

Rotor

1шт.

1

VOE 864347

Rotor

1шт.

10

VOE 11993561

Картер (корпус)

1шт.

11

VOE 838919

Крышка

1шт.

11

VOE 838919

Крышка

1шт.

13

VOE 840632

Brush Retainer

1шт.

13

VOE 840632

Brush Retainer

1шт.

14

VOE 873817

Diode Bridge

1шт.

14

VOE 873817

Diode Bridge

1шт.

15

VOE 847712

Крышка

1шт.

15

VOE 847712

Крышка

1шт.

16

VOE 6212852

Комплект винтов

1шт.

16

VOE 6212852

Комплект винтов

1шт.

2

VOE 181798

Ball Bearing

1шт.

2

VOE 181798

Ball Bearing

1шт.

3

VOE 864346

Stator

1шт.

3

VOE 864346

Stator

1шт.

4

VOE 1698690

Картер (корпус)

1шт.

5

VOE 840634

Vib Damper

1шт.

6

VOE 864350

Ball Bearing

1шт.

6

VOE 864350

Ball Bearing

1шт.

7

VOE 6212851

Small Parts Kit

1шт.

8

VOE 6212848

Вентилятор

1шт.

8

VOE 6212848

Вентилятор

1шт.

9

VOE 6212847

Nut Set

1шт.

Выбрано товаров: 33