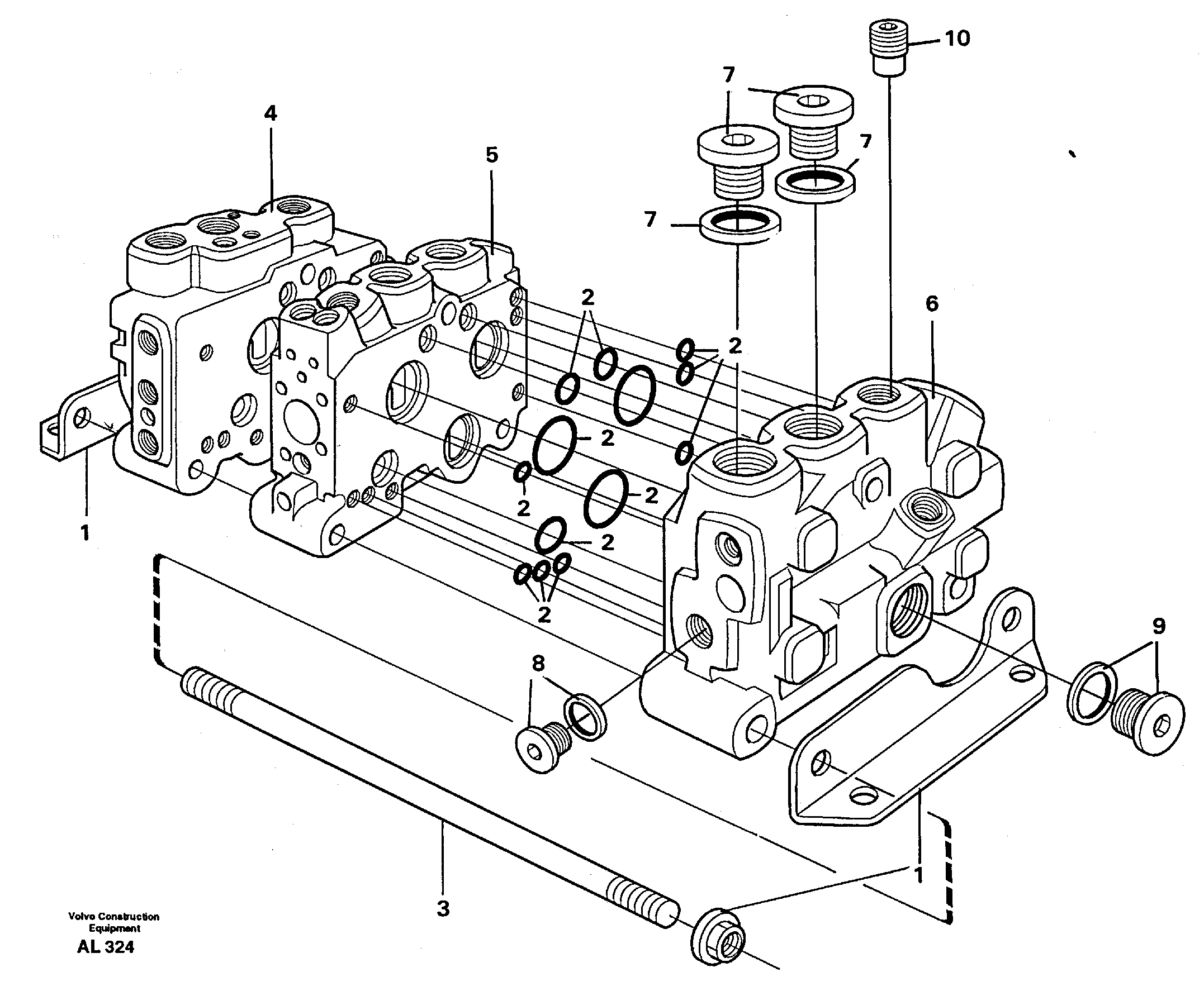
Запчасти Volvo L70C 13387 Valve section with assembly parts L70B/L70C VOLVO BM VOLVO BM L70B/L70C SER NO - 13115

Схема запчастей Volvo L70C - 13387 Valve section with assembly parts L70B/L70C VOLVO BM VOLVO BM L70B/L70C SER NO - 13115
FIT
1:1
100%

Артикул

Название

Примечание

Количество

VOE 11091671

Клапан

1шт.

VOE 11091671

Клапан

1шт.

1

VOE 11701437

Anchorage

1шт.

10

VOE 11701436

Пробка (заглушка)

1шт.

2

VOE 11701439

Sealing Kit

1шт.

2

VOE 11701439

Sealing Kit

1шт.

3

VOE 11701438

Tie Rod Kit

1шт.

7

VOE 11701433

Пробка (заглушка)

1шт.

8

VOE 11701434

Пробка (заглушка)

1шт.

9

VOE 11701435

Пробка (заглушка)

1шт.

Выбрано товаров: 10