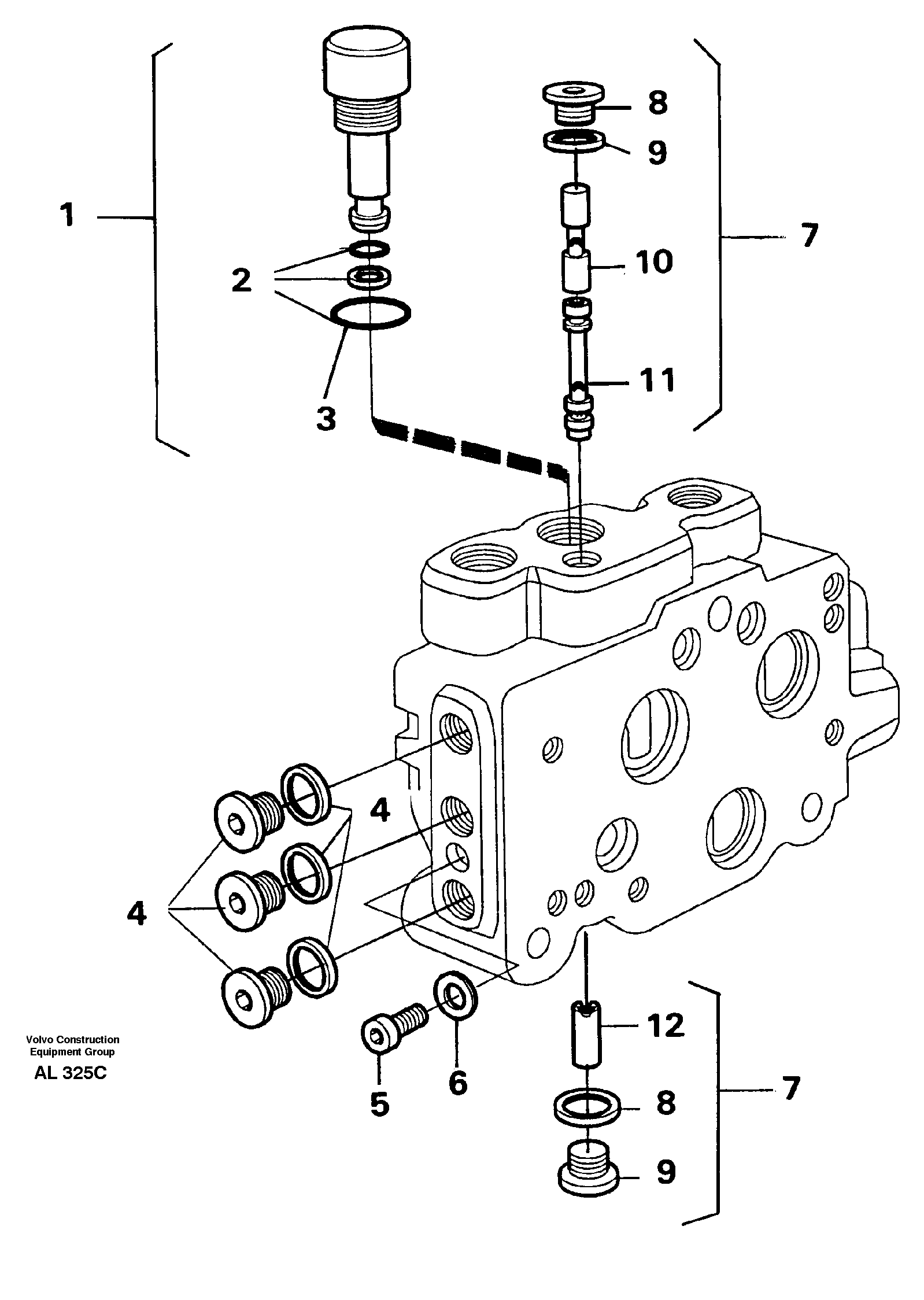
Запчасти Volvo L70C 64882 Valve section L70B/L70C VOLVO BM VOLVO BM L70B/L70C SER NO - 13115

Схема запчастей Volvo L70C - 64882 Valve section L70B/L70C VOLVO BM VOLVO BM L70B/L70C SER NO - 13115
FIT
1:1
100%

Артикул

Название

Примечание

Количество

VOE 11701417

Slide

ROD/RED

1шт.

1

VOE 11701414

Пробка (заглушка)

1шт.

2

VOE 11701418

Sealing kit

1шт.

3

VOE 6213010

Кольцо уплотнительное (О-кольцо)

1шт.

4

VOE 11701415

Пробка (заглушка)

1шт.

5

VOE 942000

Hex. socket screw

1шт.

5

VOE 942000

Винт шестигранник (торцевой ключ)

1шт.

6

VOE 11702433

Кольцо уплотнительное

1шт.

7

VOE 11701416

Slide

GRON/GREEN

1шт.

8

VOE 11999447

Пробка (заглушка)

1шт.

8

VOE 11999447

Пробка (заглушка)

1шт.

9

VOE 947083

Прокладка

1шт.

9

VOE 947083

Прокладка

1шт.

Выбрано товаров: 13