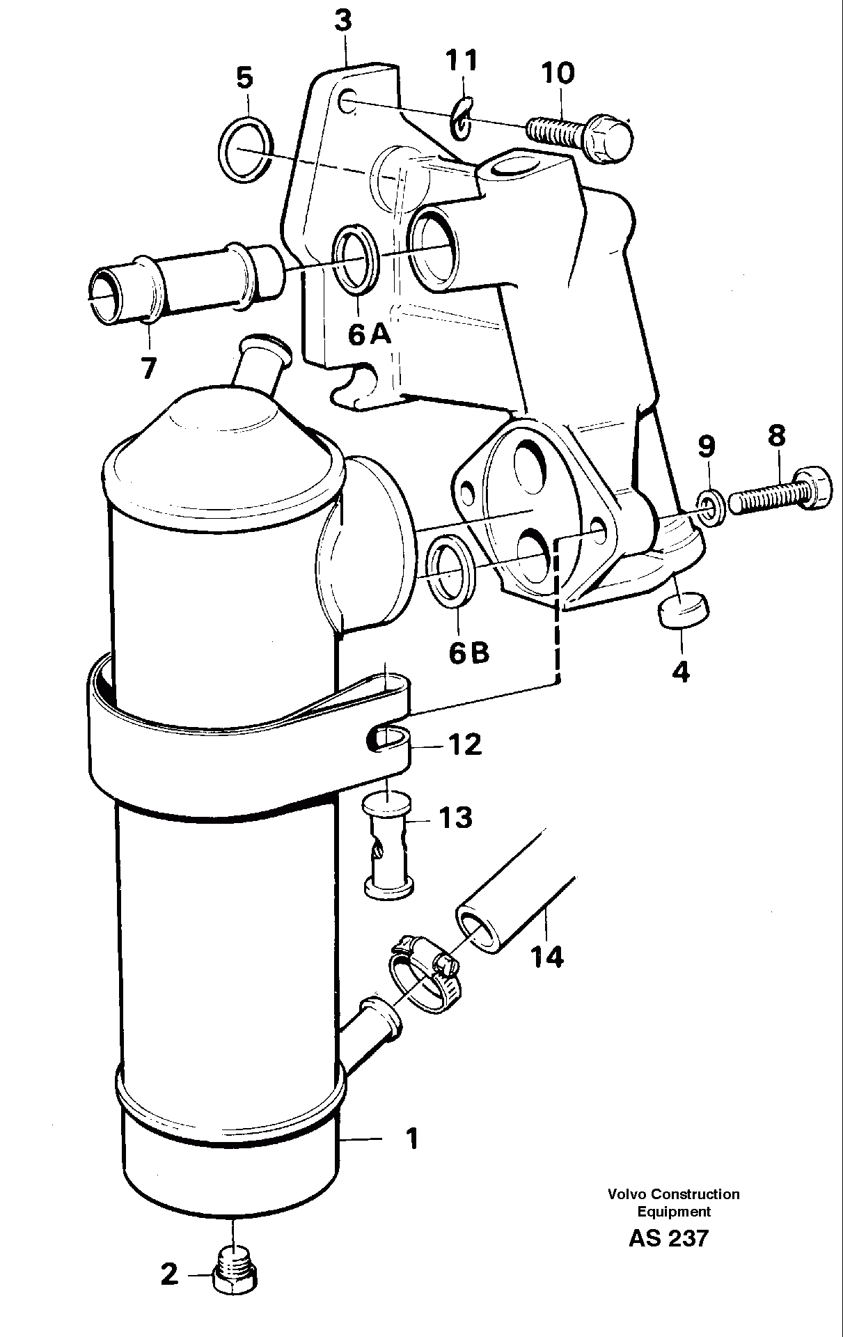
Запчасти Volvo L70C 21160 Масляный радиатор L70C SER NO 13116-, SER NO BRAZIL 70007-

Схема запчастей Volvo L70C - 21160 Масляный радиатор L70C SER NO 13116-, SER NO BRAZIL 70007-
FIT
1:1
100%

Артикул

Название

Примечание

Количество

VOE 13948217

Flange screw

TD63KDE

1шт.

VOE 13948217

Болт

TD63KDE

1шт.

1

VOE 465854

Масляный радиатор

1шт.

10

VOE 946329

Flange screw

1шт.

10

VOE 946329

Flange screw

1шт.

11

VOE 941908

Шайба пружинная

1шт.

11

VOE 941908

Шайба пружинная

1шт.

12

VOE 465858

Tensioning Band

1шт.

2

VOE 180759

Пробка (заглушка)

1шт.

2

VOE 180759

Plugg

1шт.

3

VOE 420613

Картер (корпус)

1шт.

5

VOE 13949656

Кольцо уплотнительное (О-кольцо)

1шт.

5

VOE 13949656

Кольцо уплотнительное (О-кольцо)

1шт.

6A

VOE 471956

Кольцо уплотнительное

1шт.

6A

VOE 471956

Кольцо уплотнительное

1шт.

6B

VOE 469483

Кольцо уплотнительное

1шт.

6B

VOE 469483

Кольцо уплотнительное

1шт.

7

VOE 471602

Трубка

1шт.

7

VOE 471602

Трубка

1шт.

8

VOE 955299

Винт шестигранник

TD61GD

1шт.

8

VOE 955299

Винт шестигранник

TD61GD

1шт.

9

VOE 13955894

Шайба

TD61GD

1шт.

9

VOE 13955894

Шайба

TD61GD

1шт.

Выбрано товаров: 23