Запчасти Volvo L70C 67540 Топливный бак (бензобак) L70C SER NO 13116-, SER NO BRAZIL 70007-

Схема запчастей Volvo L70C - 67540 Топливный бак (бензобак) L70C SER NO 13116-, SER NO BRAZIL 70007-
FIT
1:1
100%

Артикул

Название

Примечание

Количество

VOE 11991396

Key

1шт.

VOE 946035

Lock nut

1шт.

VOE 946035

Lock nut

1шт.

VOE 13955271

Болт

1шт.

VOE 13955271

Болт

1шт.

VOE 944219

Кольцо уплотнительное (О-кольцо)

1шт.

VOE 1698164

Прокладка

1шт.

VOE 1698164

Прокладка

1шт.

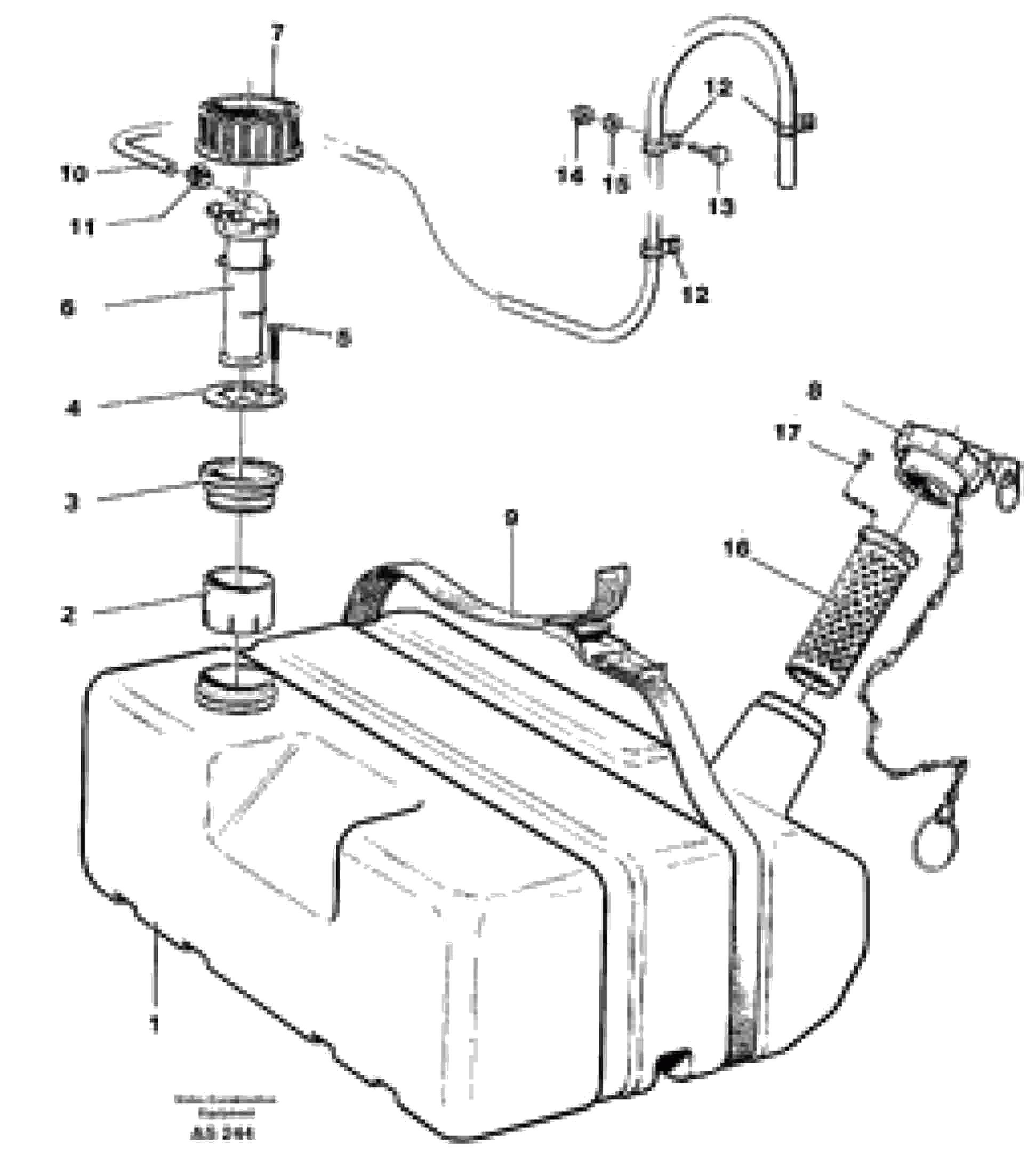
1

VOE 11101931

Бак

1шт.

10

VOE 11024720

Plastic hose

L=1200MM

1шт.

10

VOE 11024720

Plastic hose

L=1200MM

1шт.

11

VOE 943469

Hose clamp

1шт.

12

VOE 13946834

Зажим

1шт.

12

VOE 13946834

Зажим

1шт.

13

VOE 13946173

Screw

1шт.

13

VOE 13946173

Болт

1шт.

14

VOE 946036

Lock nut

1шт.

14

VOE 946036

Lock nut

1шт.

15

VOE 13955894

Шайба

1шт.

15

VOE 13955894

Шайба

1шт.

16

VOE 11173801

Фильтр

1шт.

17

VOE 955126

Cross recessed screw

1шт.

17

VOE 955126

Cross recessed screw

1шт.

2

VOE 11003277

Bowl

1шт.

3

VOE 1367623

Кольцо уплотнительное

1шт.

4

VOE 11101576

Connecting plate

1шт.

5

VOE 350882

Пробка (заглушка)

1шт.

6

VOE 11039423

Tank unit

SE17

1шт.

7

VOE 1325236

Гайка

1шт.

8

VOE 1189577

Filler cap

1шт.

8

VOE 1189577

Filler cap

1шт.

9

VOE 11132499

Retaining strap

L=3500MM

1шт.

Выбрано товаров: 32