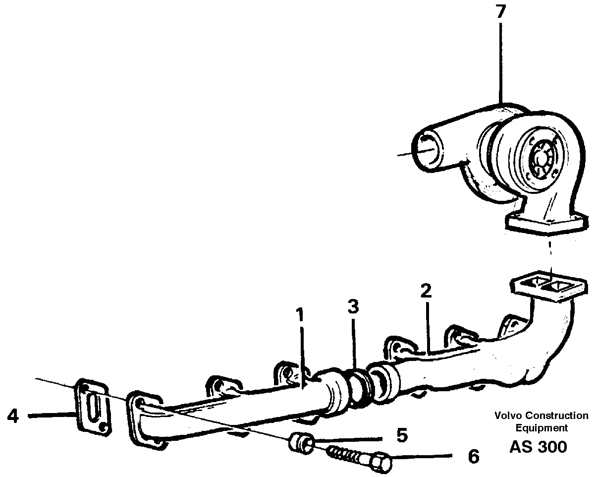
Запчасти Volvo L70C 25198 Exhaust manifold and installation components L70C SER NO 13116-, SER NO BRAZIL 70007-

Схема запчастей Volvo L70C - 25198 Exhaust manifold and installation components L70C SER NO 13116-, SER NO BRAZIL 70007-
FIT
1:1
100%

Артикул

Название

Примечание

Количество

VOE 422217

Spacer Sleeve

1шт.

VOE 422217

Spacer Sleeve

1шт.

VOE 13965185

Flange screw

1шт.

VOE 13965185

Болт

1шт.

1

VOE 3978061

Exhaust Pipe

FORW

1шт.

1

VOE 3978061

Exhaust Pipe

FORW

1шт.

2

VOE 847461

Exhaust Pipe

REAR

1шт.

2

VOE 847461

Exhaust Pipe

REAR

1шт.

3

VOE 1545109

Кольцо уплотнительное

1шт.

3

VOE 1545109

Кольцо уплотнительное

1шт.

4

VOE 420538

Прокладка

1шт.

4

VOE 420538

Прокладка

1шт.

5

VOE 420500

Socket

1шт.

5

VOE 420500

Втулка (распорная)

1шт.

6

VOE 13965186

Болт

1шт.

6

VOE 13965186

Flange screw

1шт.

Выбрано товаров: 16