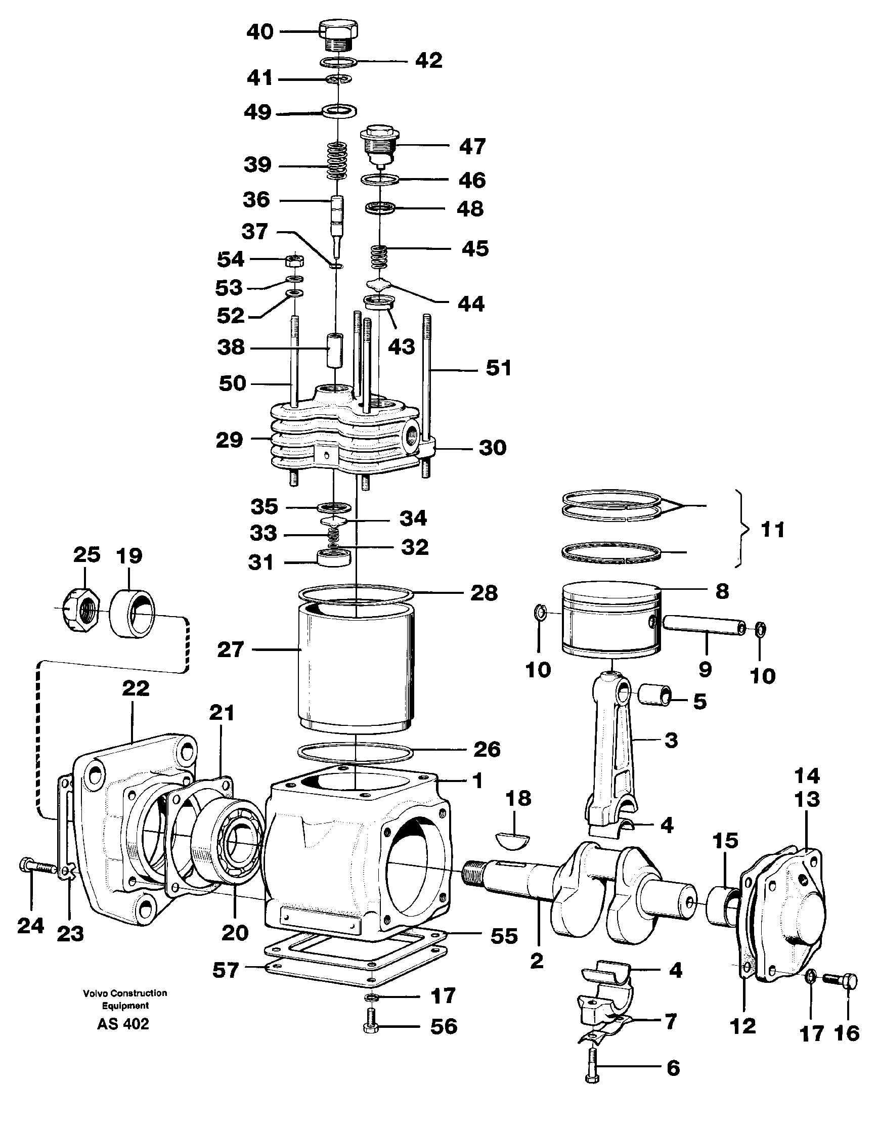
Запчасти Volvo L70C 61219 Air compressor L70C SER NO 13116-, SER NO BRAZIL 70007-

Схема запчастей Volvo L70C - 61219 Air compressor L70C SER NO 13116-, SER NO BRAZIL 70007-
FIT
1:1
100%

Артикул

Название

Примечание

Количество

VOE 6648831

Ремкомплект

1шт.

VOE 11003424

Compressor

1шт.

VOE 11003424

Compressor

1шт.

1

VOE 11993233

Crankcase

1шт.

10

VOE 6638048

Lock ring

1шт.

10

VOE 6638048

Lock ring

1шт.

11

VOE 11996227

Комплект поршневых колец

1шт.

12

VOE 11993185

Сальник

1шт.

13

VOE 6648819

Крышка

1шт.

15

VOE 6648819

Крышка

1шт.

16

VOE 955525

Винт шестигранник

1шт.

16

VOE 955525

Винт шестигранник

1шт.

17

VOE 13941907

Шайба пружинная

1шт.

17

VOE 13941907

Шайба

1шт.

18

VOE 910121

Woodruff key

1шт.

19

VOE 6648821

Spacer ring

1шт.

2

VOE 6648822

Коленчатый вал (коленвал)

1шт.

20

VOE 6638019

Подшипник

1шт.

21

VOE 11993186

Сальник

1шт.

22

VOE 6638010

Cap

1шт.

23

VOE 6638018

Шайба

1шт.

24

VOE 940186

Винт шестигранник

1шт.

24

VOE 940186

Винт шестигранник

1шт.

25

VOE 6648824

Гайка

1шт.

26

VOE 11993187

Сальник

1шт.

27

VOE 6637992

цилиндр

1шт.

27

VOE 6637992

цилиндр

1шт.

28

VOE 11993188

Прокладка

1шт.

28

VOE 11993188

Прокладка

1шт.

29

VOE 6648388

Блок цилиндров

1шт.

29

VOE 6648388

Блок цилиндров

1шт.

3

VOE 11992392

Connecting rod

1шт.

3

VOE 11992392

Connecting rod

1шт.

30

VOE 11993258

Крышка

1шт.

31

VOE 6638034

Spring retainer

1шт.

31

VOE 6638034

Spring retainer

1шт.

32

VOE 11999431

Вставка

1шт.

32

VOE 11999431

Вставка

1шт.

33

VOE 6638031

Пружина

1шт.

33

VOE 6638031

Пружина

1шт.

34

VOE 6638032

Клапан

1шт.

34

VOE 6638032

Клапан

1шт.

35

VOE 6638033

Valve seat

1шт.

35

VOE 6638033

Valve seat

1шт.

36

VOE 6638035

Клапан

1шт.

36

VOE 6638035

Клапан

1шт.

37

VOE 6648829

Кольцо уплотнительное (О-кольцо)

1шт.

37

VOE 6648829

Кольцо уплотнительное (О-кольцо)

1шт.

38

VOE 6638025

Втулка

1шт.

39

VOE 6644031

Пружина

1шт.

39

VOE 6644031

Пружина

1шт.

4

VOE 6210507

Bearing shell

1шт.

4

VOE 6210507

Bearing shell

1шт.

40

VOE 6638040

Крышка

1шт.

41

VOE 6638038

Lock ring

1шт.

41

VOE 6638038

Lock ring

1шт.

42

VOE 13947628

Plane gasket

1шт.

42

VOE 13947628

Plane gasket

1шт.

43

VOE 6648825

Valve seat

1шт.

43

VOE 6648825

Valve seat

1шт.

44

VOE 6638026

Клапан

1шт.

44

VOE 6638026

Клапан

1шт.

45

VOE 6638031

Пружина

1шт.

45

VOE 6638031

Пружина

1шт.

46

VOE 6648827

Кольцо уплотнительное (О-кольцо)

1шт.

46

VOE 6648827

Кольцо уплотнительное (О-кольцо)

1шт.

47

VOE 6648826

Пробка (заглушка)

1шт.

48

VOE 11993259

Guide

1шт.

49

VOE 11993307

Шайба

1шт.

5

VOE 6638058

Втулка

1шт.

50

VOE 6637994

Шпилька

1шт.

51

VOE 6637993

Шпилька

1шт.

52

VOE 13940097

Шайба

1шт.

52

VOE 13940097

Шайба

1шт.

53

VOE 13942336

Шайба пружинная

1шт.

53

VOE 13942336

Шайба пружинная

1шт.

54

VOE 13955848

Гайка

1шт.

54

VOE 13955848

Гайка

1шт.

55

VOE 11993184

Сальник

1шт.

56

VOE 103755

Болт

1шт.

56

VOE 103755

Болт

1шт.

57

VOE 6638004

Cap

1шт.

6

VOE 940117

Винт шестигранник

1шт.

6

VOE 940117

Винт шестигранник

1шт.

7

VOE 6638061

Стопорная шайба (кольцо)

1шт.

7

VOE 6638061

Стопорная шайба (кольцо)

1шт.

8

VOE 11994536

Поршень

1шт.

9

VOE 11994557

Палец поршня

1шт.

9

VOE 11994557

Болт

1шт.

Выбрано товаров: 89