Запчасти Volvo L70D 26926 Установка двигателя L70D

Схема запчастей Volvo L70D - 26926 Установка двигателя L70D
FIT
1:1
100%

Артикул

Название

Примечание

Количество

VOE 11174162

Rubber cushion

1шт.

VOE 968595

Flange screw

1шт.

VOE 968595

Flange screw

1шт.

VOE 11147828

Шайба

1шт.

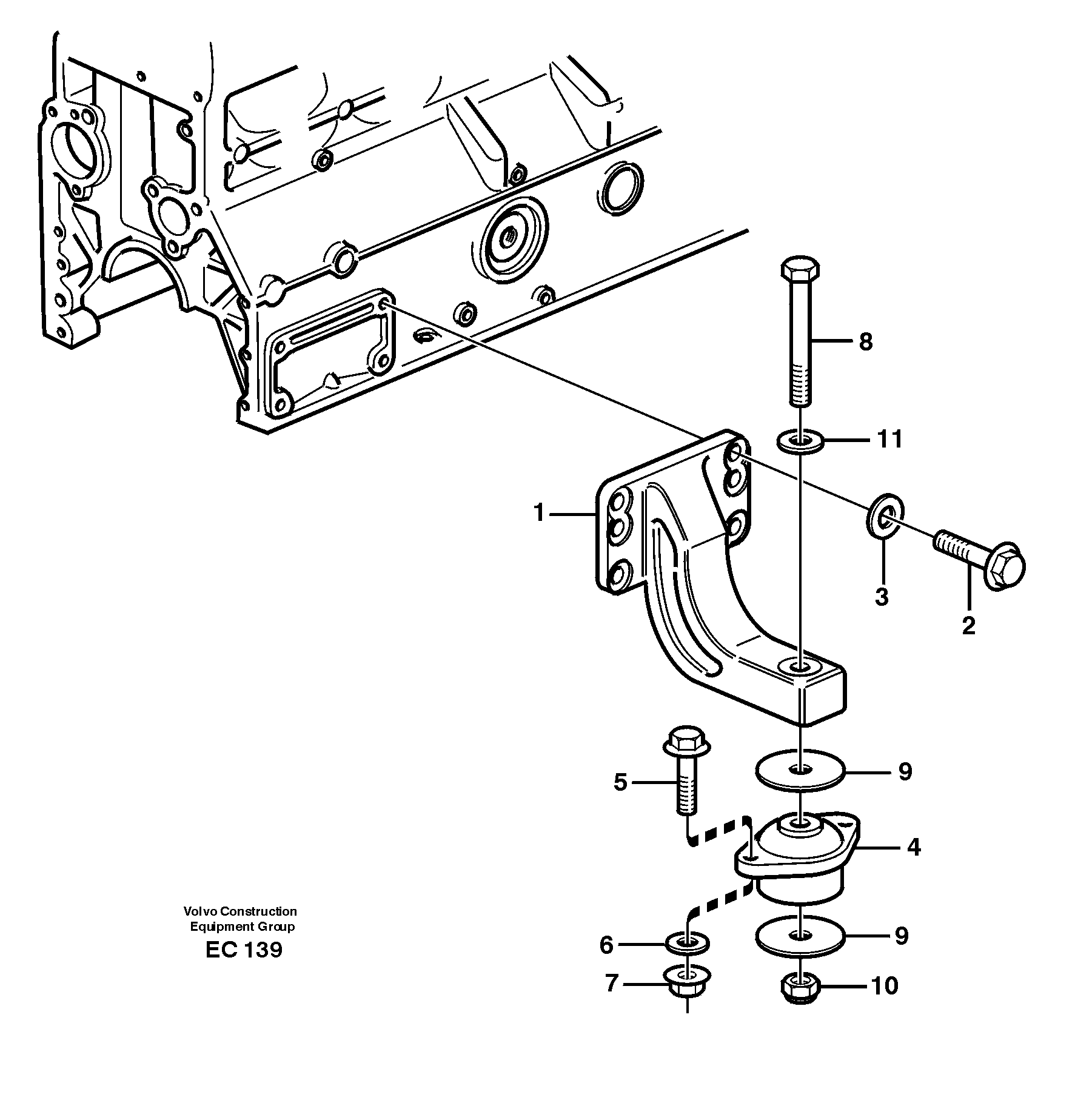
1

VOE 4856778

Установка двигателя

1шт.

1

VOE 4856778

Engine Mounting

1шт.

10

VOE 13967934

Flange Lock Nut

1шт.

10

VOE 13967934

Flange Lock Nut

1шт.

11

VOE 13955900

Шайба

1шт.

11

VOE 13955900

Шайба

1шт.

2

VOE 13965227

Болт

1шт.

2

VOE 13965227

Болт

1шт.

3

VOE 13955897

Шайба

1шт.

3

VOE 13955897

Шайба

1шт.

4

VOE 342812

Rubber cushion

1шт.

4

VOE 342812

Rubber cushion

1шт.

5

VOE 13965185

Flange screw

1шт.

5

VOE 13965185

Болт

1шт.

6

VOE 13960143

Шайба

1шт.

6

VOE 13960143

Шайба

1шт.

7

VOE 13971098

Flange nut

1шт.

7

VOE 13971098

Flange nut

1шт.

8

VOE 13955378

Болт

1шт.

8

VOE 13955378

Болт

1шт.

9

VOE 11015657

Шайба

1шт.

9

VOE 11015657

Шайба

1шт.

Выбрано товаров: 26