Запчасти Volvo L70D 86879 Насос L70D

Схема запчастей Volvo L70D - 86879 Насос L70D
FIT
1:1
100%

Артикул

Название

Примечание

Количество

VOE 244382

Прокладка

THICK = 1,60 MM

1шт.

VOE 244386

Прокладка

THICK = 2,00 MM

1шт.

VOE 240035

Прокладка

THICK = 1,80 MM

1шт.

VOE 240973

Прокладка

THICK = 0,50 MM

1шт.

VOE 244635

Прокладка

THICK = 1,40 MM

1шт.

VOE 847428

Прокладка

THICK = 0,45 MM

1шт.

VOE 844992

Прокладка

THICK = 0,70 MM

1шт.

VOE 844991

Прокладка

THICK = 0,50 MM

1шт.

VOE 845240

Ремкомплект

1шт.

VOE 845240

Ремкомплект

1шт.

VOE 244381

Прокладка

THICK = 1,50 MM

1шт.

VOE 11706730

Насос

11706730

1шт.

VOE 244384

Прокладка

1шт.

VOE 244385

Прокладка

THICK = 1,90 MM

1шт.

VOE 244383

Прокладка

THICK = 1,70 MM

1шт.

VOE 244383

Прокладка

THICK = 1,70 MM

1шт.

VOE 240036

Прокладка

THICK = 2,00 MM

1шт.

VOE 240034

Прокладка

THICK = 1,50 MM

1шт.

VOE 844994

Прокладка

THICK = 1,00 MM

1шт.

VOE 844995

Прокладка

THICK = 1,10 MM

1шт.

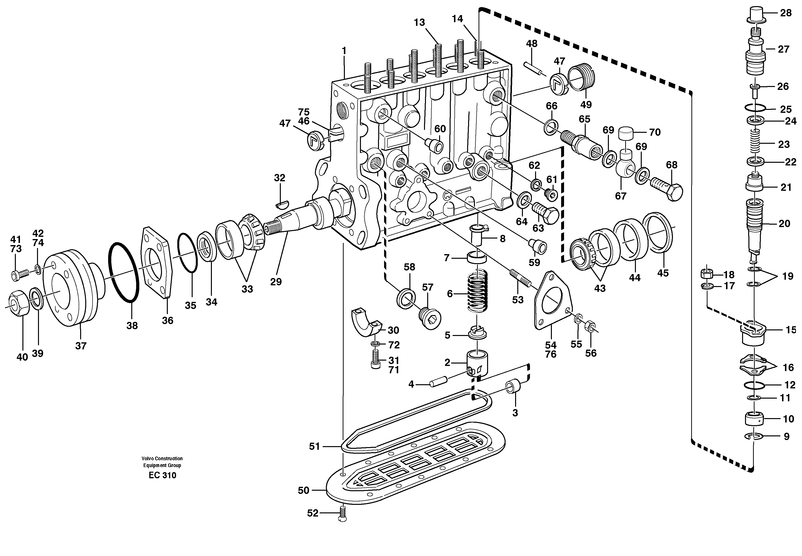
10

VOE 239991

Кольцо

1шт.

11

VOE 241677

Шайба

1шт.

12

VOE 11994488

Кольцо уплотнительное (О-кольцо)

1шт.

13

VOE 11706732

Шпилька

1шт.

14

VOE 11998362

Шпилька

1шт.

15

VOE 244733

Фланец

1шт.

16

VOE 844990

Прокладка

THICK = 0,40 MM

1шт.

17

VOE 243743

Шайба

1шт.

18

VOE 13971074

Hexagon nut

1шт.

18

VOE 13971074

Hexagon nut

1шт.

19

VOE 240422

Кольцо уплотнительное

1шт.

19

VOE 240422

Кольцо уплотнительное

1шт.

2

VOE 1698077

Lifting roller

1шт.

20

VOE 11703511

Pump element

1шт.

21

VOE 11712923

Delivery valve

1шт.

22

VOE 239993

Прокладка

1шт.

23

VOE 862397

Compression spring

1шт.

24

VOE 240972

Прокладка

THICK = 0,20 MM

1шт.

25

VOE 240001

Кольцо уплотнительное (О-кольцо)

1шт.

26

VOE 240971

Пробка (заглушка)

1шт.

27

VOE 11703763

Delivery valve retainer

1шт.

3

VOE 11991893

Roller

1шт.

30

VOE 244406

Подшипник промежуточный

1шт.

31

VOE 849468

Болт

1шт.

31

VOE 849468

Болт

1шт.

32

VOE 7035168

Key

1шт.

4

VOE 240779

Вал

1шт.

40

VOE 955807

Hexagon nut

1шт.

41

VOE 862415

Болт

1шт.

43

VOE 240023

Подшипник

1шт.

44

VOE 240032

Кольцо

1шт.

45

VOE 240033

Прокладка

THICK = 1,20 MM

1шт.

47

VOE 240014

Guide sleeve

1шт.

49

VOE 244699

Кольцо

1шт.

5

VOE 244685

Spring disc

1шт.

52

VOE 11999454

Болт

1шт.

53

VOE 130673

Шпилька

1шт.

54

VOE 863370

Прокладка

1шт.

56

VOE 940197

Hexagon nut

1шт.

56

VOE 940197

Hexagon nut

1шт.

57

VOE 7243263

Пробка (заглушка)

1шт.

58

VOE 949329

Прокладка

1шт.

58

VOE 949329

Прокладка

1шт.

6

VOE 244731

Compression spring

1шт.

61

VOE 13965768

Пробка (заглушка)

1шт.

61

VOE 13965768

Пробка (заглушка)

1шт.

62

VOE 13947281

Прокладка

1шт.

62

VOE 13947281

Прокладка

1шт.

63

VOE 243011

Пробка (заглушка)

1шт.

63

VOE 243011

Пробка (заглушка)

1шт.

64

VOE 13947621

Plane gasket

1шт.

64

VOE 13947621

Plane gasket

1шт.

65

VOE 11996309

Overflow valve

1шт.

66

VOE 13947621

Plane gasket

1шт.

66

VOE 13947621

Plane gasket

1шт.

67

VOE 7025170

Banjo nipple

1шт.

68

VOE 7025167

Hollow screw

1шт.

68

VOE 7025167

Hollow screw

1шт.

69

VOE 13947621

Plane gasket

1шт.

69

VOE 13947621

Plane gasket

1шт.

7

VOE 239984

Spring disc

1шт.

71

VOE 240427

Болт

1шт.

74

VOE 862419

Шайба

1шт.

76

VOE 863370

Прокладка

1шт.

8

VOE 240782

Втулка (распорная)

1шт.

9

VOE 1697953

Lock ring

1шт.

Выбрано товаров: 86