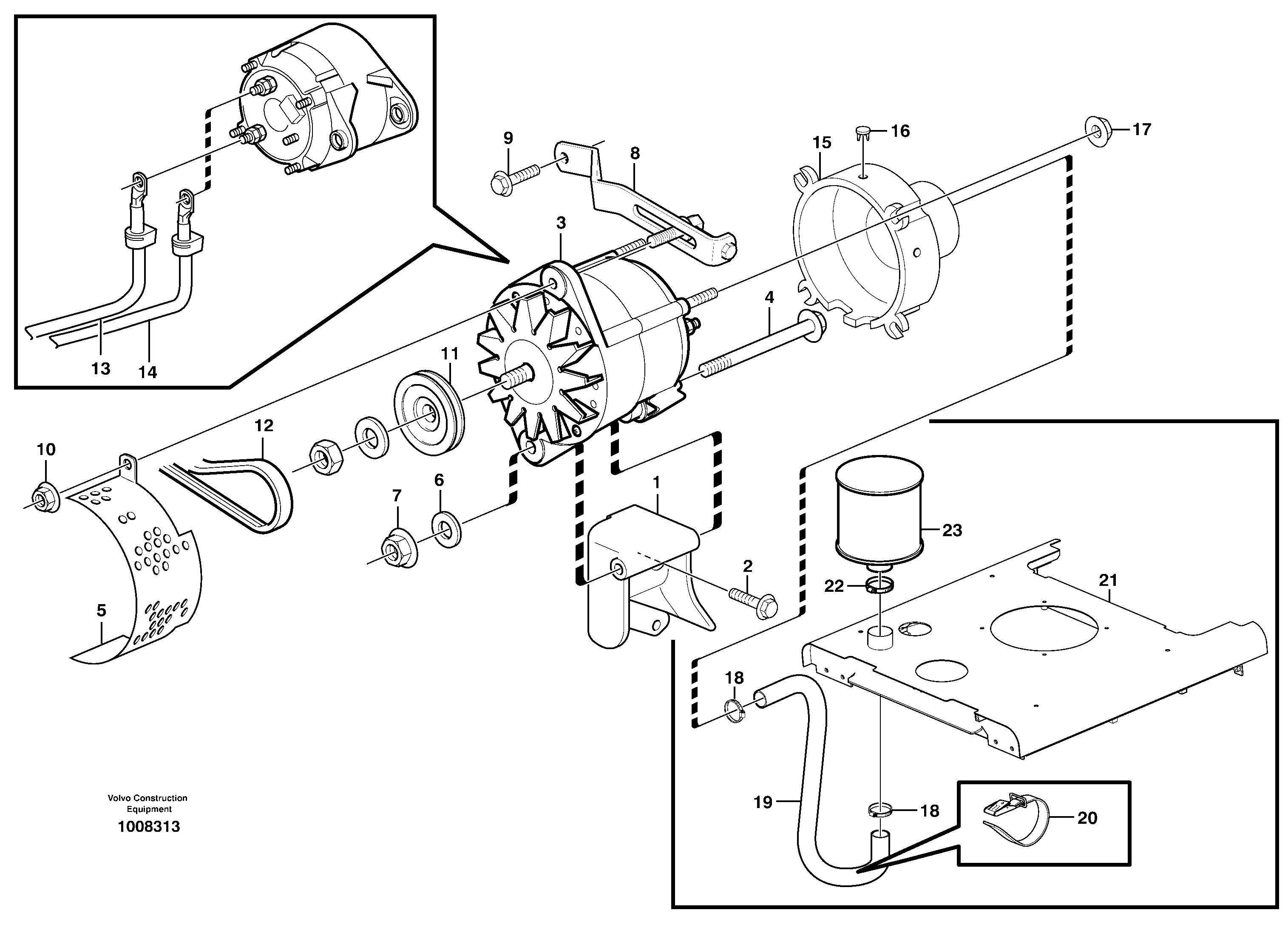
Запчасти Volvo L70E 105728 Alternator with assembling details L70E

Схема запчастей Volvo L70E - 105728 Alternator with assembling details L70E
FIT
1:1
100%

Артикул

Название

Примечание

Количество

VOE 1675830

Flange screw

1шт.

VOE 1675830

Flange screw

1шт.

VOE 11170321

Alternator

80A S/N 22436 -

1шт.

VOE 20523391

Charge regulator

S/N 22005 - 22435

1шт.

VOE 11170105

Шкив

S/N 22005 -

1шт.

VOE 977820

Винт шестигранник

1шт.

VOE 977820

Винт шестигранник

1шт.

VOE 11170134

Alternator

80A, S/N 22005 - 22435

1шт.

1

VOE 11173300

Alternator anchorage

1шт.

10

VOE 13971098

Flange nut

1шт.

10

VOE 13971098

Flange nut

1шт.

11

VOE 11170026

Шкив

S/N - 22004

1шт.

11

VOE 11170026

Шкив

S/N - 22004

1шт.

12

VOE 978710

Ремень клиновой (приводной)

1шт.

15

VOE 9957941

Крышка

1шт.

15

VOE 9957941

Cover

1шт.

16

VOE 948665

Пробка (заглушка)

1шт.

16

VOE 948665

Пробка (заглушка)

1шт.

17

VOE 13965483

Nut

1шт.

17

VOE 13965483

Гайка

1шт.

18

VOE 943480

Hose clamp

1шт.

18

VOE 943480

Hose clamp

1шт.

19

VOE 9518555

Шланг

L = 1750 MM

1шт.

19

VOE 9518555

Шланг

L = 1750 MM

1шт.

2

VOE 13965181

Болт

1шт.

2

VOE 13965181

Screw

1шт.

20

VOE 11104606

Retaining strap

1шт.

20

VOE 11104606

Retaining strap

1шт.

22

VOE 14346256

Hose clamp

1шт.

22

VOE 14346256

Hose clamp

1шт.

23

VOE 11033214

Фильтр воздушный

1шт.

23

VOE 11033214

Фильтр воздушный

1шт.

4

VOE 970988

Винт шестигранник

1шт.

4

VOE 970988

Винт шестигранник

1шт.

5

VOE 11170091

Belt protector

1шт.

5

VOE 11170091

Belt protector

1шт.

6

VOE 13960145

Шайба

1шт.

6

VOE 13960145

Шайба

1шт.

7

VOE 971099

Flange lock nut

1шт.

7

VOE 971099

Flange lock nut

1шт.

8

VOE 11170042

Tensioner

1шт.

8

VOE 11170042

Tensioner

1шт.

9

VOE 13946173

Screw

1шт.

9

VOE 13946173

Болт

1шт.

Выбрано товаров: 44