Запчасти Volvo L70E 5136 Reversing valve ATTACHMENTS ATTACHMENTS WHEEL LOADERS GEN. D - E

Схема запчастей Volvo L70E - 5136 Reversing valve ATTACHMENTS ATTACHMENTS WHEEL LOADERS GEN. D - E
FIT
1:1
100%

Артикул

Название

Примечание

Количество

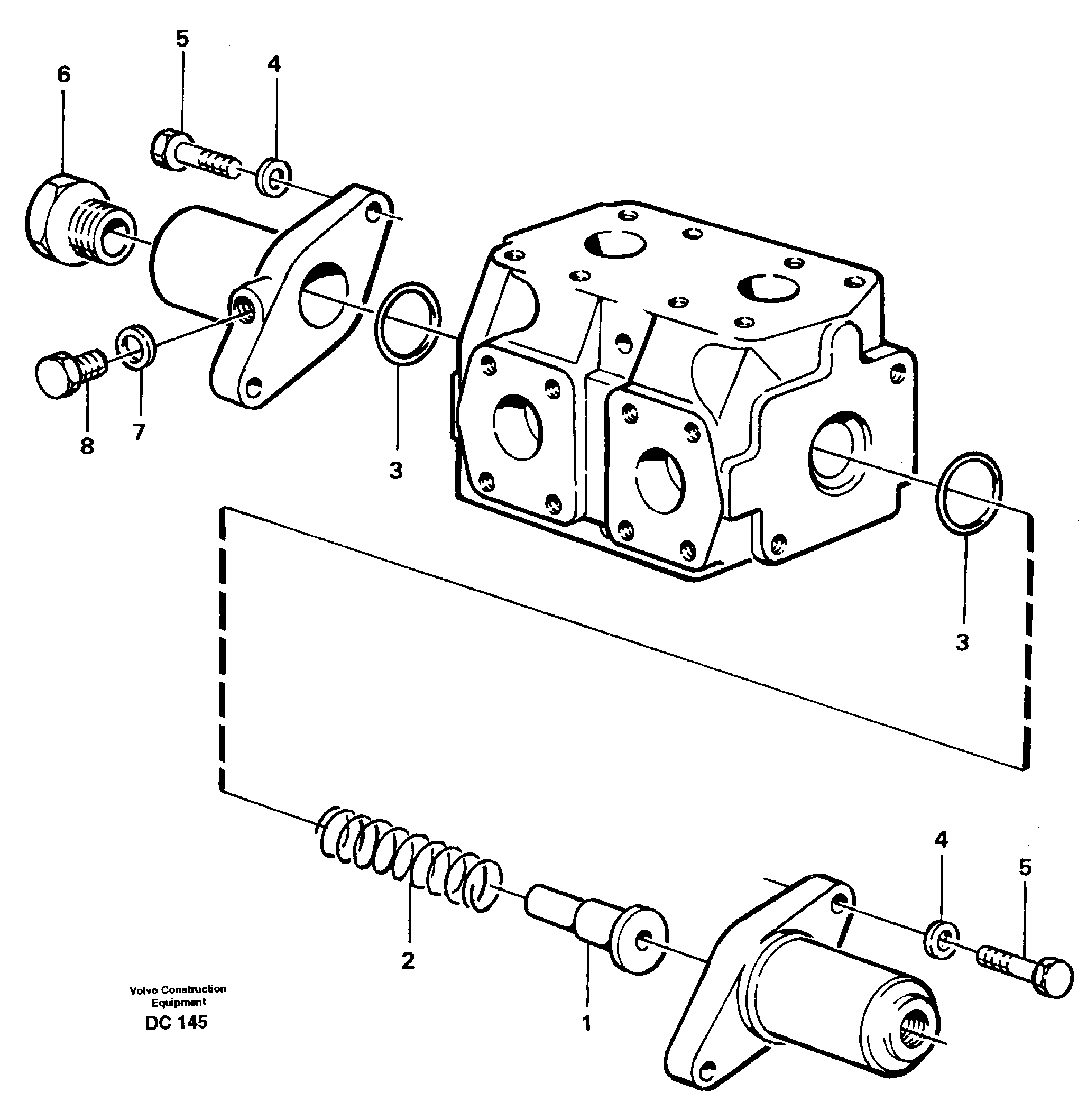
VOE 11018391

Клапан

1шт.

VOE 11018391

Клапан

1шт.

1

VOE 11993647

Spring guide

1шт.

1

VOE 11993647

Spring guide

1шт.

2

VOE 11993648

Пружина

1шт.

2

VOE 11993648

Пружина

1шт.

3

VOE 11993006

Кольцо уплотнительное (О-кольцо)

1шт.

3

VOE 11993006

Кольцо уплотнительное (О-кольцо)

1шт.

4

VOE 13942336

Шайба пружинная

1шт.

4

VOE 13942336

Шайба пружинная

1шт.

5

VOE 11993646

Болт

1шт.

5

VOE 11993646

Болт

1шт.

6

VOE 11993643

Пробка (заглушка)

1шт.

6

VOE 11993643

Пробка (заглушка)

1шт.

7

VOE 13945653

Plane gasket

1шт.

7

VOE 13945653

Plane gasket

1шт.

8

VOE 6211680

Пробка (заглушка)

1шт.

8

VOE 6211680

Пробка (заглушка)

1шт.

Выбрано товаров: 18