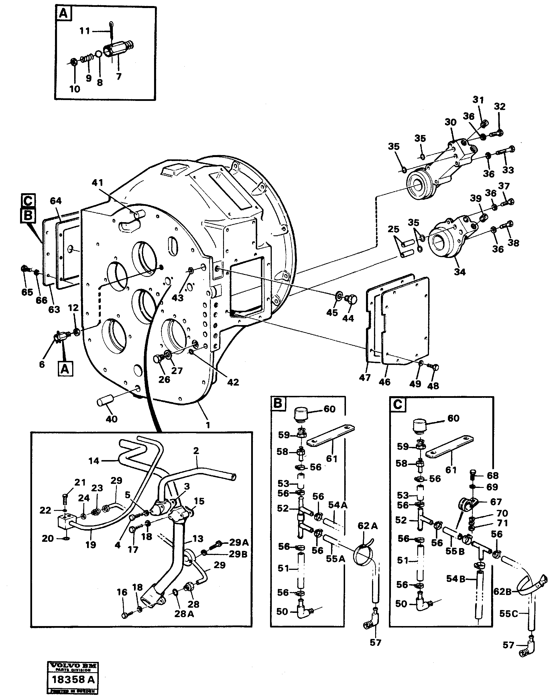
Запчасти Volvo L90 101005 Converter housing with assembly parts L90 L90

Схема запчастей Volvo L90 - 101005 Converter housing with assembly parts L90 L90
FIT
1:1
100%

Артикул

Название

Примечание

Количество

VOE 11994577

Картер (корпус)

HT 13261 -, SB 421 - 61

1шт.

VOE 13944075

Rubber hose

L = 60

1шт.

VOE 13944075

Rubber hose

L = 60

1шт.

VOE 13944075

Rubber hose

L = 450

1шт.

VOE 13944075

Rubber hose

L = 450

1шт.

VOE 13944075

Rubber hose

L= 220

1шт.

VOE 13944075

Rubber hose

L= 220

1шт.

1

VOE 4871997

Картер (корпус)

HT - 13260

1шт.

10

VOE 13940097

Шайба

1шт.

10

VOE 13940097

Шайба

1шт.

11

VOE 907873

Cotter Pin

1шт.

12

VOE 941913

Шайба пружинная

HT - 8231

1шт.

12

VOE 941913

Шайба пружинная

HT - 8231

1шт.

13

VOE 4871274

Suction pipe

1шт.

14

VOE 4871162

Трубка

1шт.

15

VOE 11036099

Прокладка

1шт.

16

VOE 955303

Винт шестигранник

1шт.

16

VOE 955303

Винт шестигранник

1шт.

17

VOE 955297

Винт шестигранник

1шт.

17

VOE 955297

Винт шестигранник

1шт.

18

VOE 13941907

Шайба пружинная

1шт.

18

VOE 13941907

Шайба

1шт.

19

VOE 4871205

Трубка

HT - 8412, 8414 - 9868

1шт.

2

VOE 4718084

Трубка

1шт.

20

VOE 13949188

Кольцо уплотнительное (О-кольцо)

1шт.

21

VOE 940101

Винт шестигранник

1шт.

21

VOE 940101

Винт шестигранник

1шт.

22

VOE 13949607

Шайба

1шт.

22

VOE 13949607

Шайба

1шт.

23

VOE 13963948

Nipple

1шт.

23

VOE 13963948

Nipple

1шт.

24

VOE 13947622

Plane gasket

1шт.

24

VOE 13947622

Plane gasket

1шт.

25

VOE 131301

Палец

1шт.

26

VOE 914391

Пробка (заглушка)

1шт.

26

VOE 914391

Пробка (заглушка)

1шт.

27

VOE 947623

Прокладка

1шт.

27

VOE 947623

Прокладка

1шт.

28

VOE 4873056

4873056

1шт.

28A

VOE 944364

Кольцо уплотнительное (О-кольцо)

1шт.

28A

VOE 944364

Кольцо уплотнительное (О-кольцо)

1шт.

29

VOE 4873054

Lubricating pipe

1шт.

29A

VOE 955275

Винт шестигранник

1шт.

29A

VOE 955275

Винт шестигранник

1шт.

29B

VOE 13949607

Шайба

1шт.

29B

VOE 13949607

Шайба

1шт.

3

VOE 11036101

Прокладка

1шт.

30

VOE 4720806

Oil distributor

1шт.

31

VOE 952075

Пробка (заглушка)

1шт.

31

VOE 952075

Пробка (заглушка)

1шт.

32

VOE 955302

Винт шестигранник

1шт.

32

VOE 955302

Винт шестигранник

1шт.

33

VOE 940132

Винт шестигранник

1шт.

33

VOE 940132

Винт шестигранник

1шт.

34

VOE 4871958

Oil distributor

1шт.

35

VOE 13949188

Кольцо уплотнительное (О-кольцо)

1шт.

36

VOE 13941907

Шайба пружинная

1шт.

36

VOE 13941907

Шайба

1шт.

37

VOE 955297

Винт шестигранник

1шт.

37

VOE 955297

Винт шестигранник

1шт.

38

VOE 955302

Винт шестигранник

1шт.

38

VOE 955302

Винт шестигранник

1шт.

39

VOE 952075

Пробка (заглушка)

1шт.

39

VOE 952075

Пробка (заглушка)

1шт.

4

VOE 13955298

Болт

1шт.

4

VOE 13955298

Болт

1шт.

40

VOE 4718167

Палец

1шт.

41

VOE 950711

Палец

1шт.

42

VOE 13949188

Кольцо уплотнительное (О-кольцо)

1шт.

43

VOE 949190

Кольцо уплотнительное (О-кольцо)

1шт.

44

VOE 961895

Пробка (заглушка)

1шт.

44

VOE 961895

Пробка (заглушка)

1шт.

45

VOE 4881254

Plane gasket

1шт.

46

VOE 4720727

Крышка

1шт.

47

VOE 11036034

Прокладка

1шт.

48

VOE 955297

Винт шестигранник

1шт.

48

VOE 955297

Винт шестигранник

1шт.

49

VOE 13941907

Шайба пружинная

1шт.

49

VOE 13941907

Шайба

1шт.

5

VOE 13941907

Шайба пружинная

1шт.

5

VOE 13941907

Шайба

1шт.

50

VOE 942758

Nipple

1шт.

50

VOE 942758

Nipple

1шт.

51

VOE 13944075

Rubber hose

L = 400

1шт.

51

VOE 13944075

Rubber hose

L = 400

1шт.

52

VOE 419446

Трубка

1шт.

52

VOE 419446

Трубка

1шт.

53

VOE 13944075

Rubber hose

L = 50

1шт.

53

VOE 13944075

Rubber hose

L = 50

1шт.

54A

VOE 13944075

Rubber hose

L = 950

1шт.

54A

VOE 13944075

Rubber hose

L = 950

1шт.

54B

VOE 13944075

Rubber hose

L = 400

1шт.

54B

VOE 13944075

Rubber hose

L = 400

1шт.

55A

VOE 13944075

Rubber hose

L = 1200

1шт.

55A

VOE 13944075

Rubber hose

L = 1200

1шт.

55B

VOE 13944075

Rubber hose

L = 550

1шт.

55B

VOE 13944075

Rubber hose

L = 550

1шт.

55C

VOE 13944075

Rubber hose

L = 750

1шт.

55C

VOE 13944075

Rubber hose

L = 750

1шт.

56

VOE 943469

Hose clamp

1шт.

57

VOE 479953

Nipple

1шт.

57

VOE 479953

Nipple

1шт.

58

VOE 947502

Nipple

1шт.

58

VOE 947502

Nipple

1шт.

59

VOE 4854955

Nipple

1шт.

59

VOE 4854955

Nipple

1шт.

6

VOE 11036104

Safety valve

1шт.

60

VOE 11172907

Фильтр воздушный

1шт.

60

VOE 11172907

Фильтр воздушный

1шт.

62A

VOE 4881440

Cable tie

1шт.

62A

VOE 4881440

Cable tie

1шт.

62B

VOE 11104606

Retaining strap

1шт.

62B

VOE 11104606

Retaining strap

1шт.

63

VOE 4871663

Крышка

1шт.

64

VOE 11036035

Прокладка

1шт.

65

VOE 940142

Винт шестигранник

1шт.

65

VOE 940142

Винт шестигранник

1шт.

66

VOE 13941907

Шайба пружинная

1шт.

66

VOE 13941907

Шайба

1шт.

67

VOE 13949747

Зажим

1шт.

67

VOE 13949747

Зажим

1шт.

68

VOE 955297

Винт шестигранник

1шт.

68

VOE 955297

Винт шестигранник

1шт.

69

VOE 976944

Шайба

1шт.

69

VOE 976944

Шайба

1шт.

70

VOE 13955894

Шайба

1шт.

70

VOE 13955894

Шайба

1шт.

71

VOE 955782

Hexagon nut

1шт.

71

VOE 955782

Hexagon nut

1шт.

8

VOE 181329

Ball

1шт.

9

VOE 4871259

Пружина

1шт.

Выбрано товаров: 131