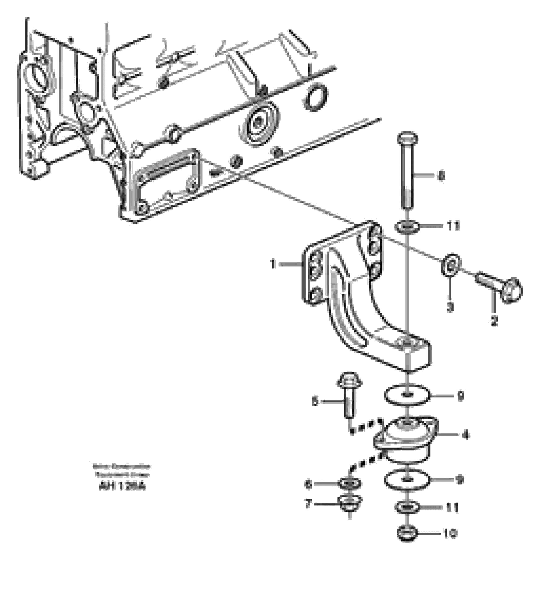
Запчасти Volvo L90B 13066 Установка двигателя L90B VOLVO BM VOLVO BM L90B

Схема запчастей Volvo L90B - 13066 Установка двигателя L90B VOLVO BM VOLVO BM L90B
FIT
1:1
100%

Артикул

Название

Примечание

Количество

1

VOE 4856778

Установка двигателя

1шт.

1

VOE 4856778

Engine Mounting

1шт.

10

VOE 945884

Lock nut

1шт.

10

VOE 945884

Lock nut

1шт.

11

VOE 13955900

Шайба

1шт.

11

VOE 13955900

Шайба

1шт.

2

VOE 13970975

Винт шестигранник

1шт.

2

VOE 13970975

Винт шестигранник

1шт.

3

VOE 13955897

Шайба

1шт.

3

VOE 13955897

Шайба

1шт.

4

VOE 342812

Rubber cushion

1шт.

4

VOE 342812

Rubber cushion

1шт.

5

VOE 13970950

Винт шестигранник

1шт.

5

VOE 13970950

Винт шестигранник

1шт.

6

VOE 13960143

Шайба

1шт.

6

VOE 13960143

Шайба

1шт.

7

VOE 13971098

Flange nut

1шт.

7

VOE 13971098

Flange nut

1шт.

8

VOE 13955378

Болт

1шт.

8

VOE 13955378

Болт

1шт.

9

VOE 11015657

Шайба

1шт.

9

VOE 11015657

Шайба

1шт.

Выбрано товаров: 22