Запчасти Volvo L90B 12085 Масляный радиатор L90B VOLVO BM VOLVO BM L90B

Схема запчастей Volvo L90B - 12085 Масляный радиатор L90B VOLVO BM VOLVO BM L90B
FIT
1:1
100%

Артикул

Название

Примечание

Количество

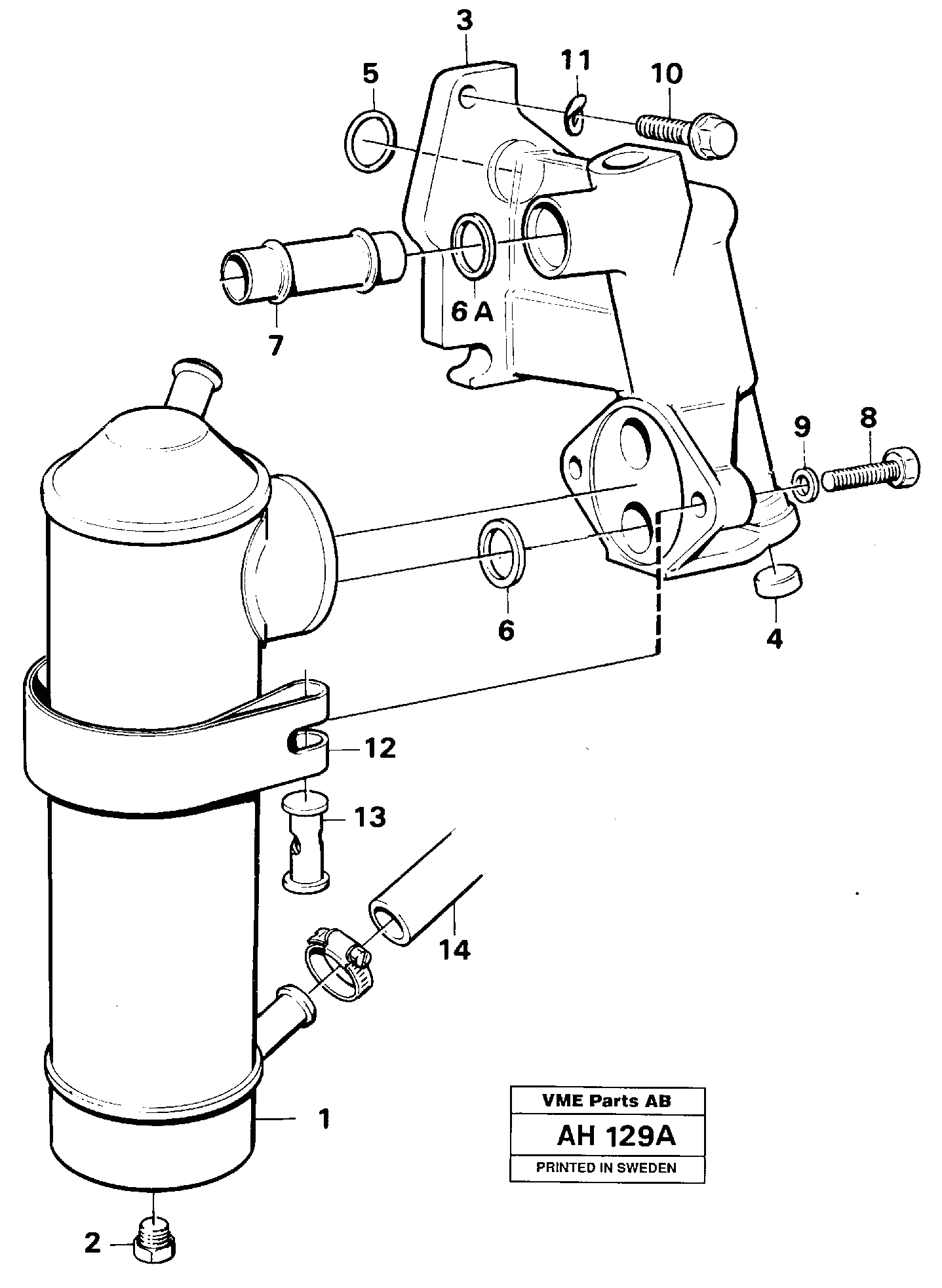
1

VOE 465854

Масляный радиатор

1шт.

10

VOE 946329

Flange screw

1шт.

10

VOE 946329

Flange screw

1шт.

11

VOE 941908

Шайба пружинная

1шт.

11

VOE 941908

Шайба пружинная

1шт.

12

VOE 465858

Tensioning Band

1шт.

2

VOE 479979

Пробка (заглушка)

1шт.

3

VOE 420613

Картер (корпус)

1шт.

5

VOE 13949656

Кольцо уплотнительное (О-кольцо)

1шт.

5

VOE 13949656

Кольцо уплотнительное (О-кольцо)

1шт.

6

VOE 469483

Кольцо уплотнительное

1шт.

6

VOE 469483

Кольцо уплотнительное

1шт.

6A

VOE 471956

Кольцо уплотнительное

1шт.

6A

VOE 471956

Кольцо уплотнительное

1шт.

7

VOE 471602

Трубка

1шт.

7

VOE 471602

Трубка

1шт.

8

VOE 955299

Винт шестигранник

1шт.

8

VOE 955299

Винт шестигранник

1шт.

9

VOE 13955894

Шайба

1шт.

9

VOE 13955894

Шайба

1шт.

Выбрано товаров: 20