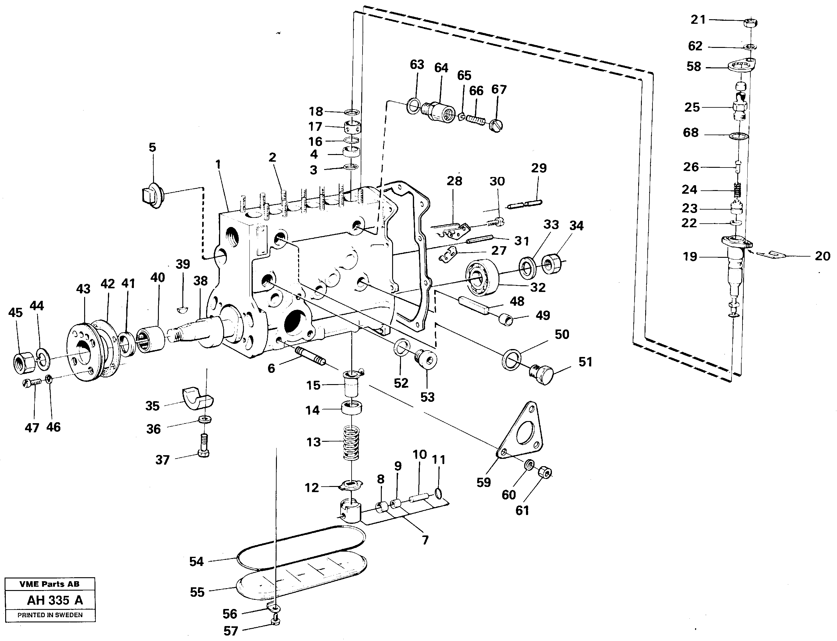
Запчасти Volvo L90B 88983 Насос L90B VOLVO BM VOLVO BM L90B

Схема запчастей Volvo L90B - 88983 Насос L90B VOLVO BM VOLVO BM L90B
FIT
1:1
100%

Артикул

Название

Примечание

Количество

VOE 244087

244087

THICK = 2,20

1шт.

VOE 11998523

Pump element

1шт.

VOE 11030649

Насос

TD 61 KBE

1шт.

VOE 11030649

Насос

TD 61 KBE

1шт.

VOE 244082

244082

THICK = 1,70

1шт.

VOE 244080

244080

THICK = 1,55

1шт.

VOE 244083

244083

THICK = 1,80

1шт.

VOE 244084

244084

THICK = 1,90

1шт.

VOE 11999211

Delivery valve

1шт.

VOE 244085

244085

THICK = 2,00

1шт.

VOE 244086

244086

THICK = 2,10

1шт.

VOE 244090

244090

THICK = 2,50

1шт.

VOE 244089

244089

THICK = 2,40

1шт.

VOE 244081

244081

THICK = 1,60

1шт.

VOE 244088

244088

THICK = 2,30

1шт.

VOE 1698858

Ремкомплект

1шт.

1

VOE 11030653

Насос

TD 61 GB

1шт.

1

VOE 11030653

Насос

TD 61 GB

1шт.

12

VOE 244066

Spring disc

1шт.

13

VOE 6213548

Пружина

1шт.

14

VOE 244514

Spring disc

1шт.

15

VOE 1698693

Втулка (распорная)

1шт.

16

VOE 1698857

Lock ring

1шт.

17

VOE 6212662

Втулка (распорная)

1шт.

18

VOE 11997534

Кольцо уплотнительное (О-кольцо)

1шт.

19

VOE 11998522

Pump element

1шт.

20

VOE 244786

244786

THICK = 1,45

1шт.

21

VOE 11994062

Гайка

1шт.

23

VOE 11991347

Delivery valve

1шт.

24

VOE 7238309

Пружина

1шт.

25

VOE 11705653

Тарелка клапана

1шт.

27

VOE 244512

Stop, Shoulder

1шт.

29

VOE 6213590

6213590

1шт.

30

VOE 849468

Болт

1шт.

30

VOE 849468

Болт

1шт.

32

VOE 11998541

Ball bearing

1шт.

33

VOE 941915

Шайба пружинная

1шт.

33

VOE 941915

Шайба пружинная

1шт.

35

VOE 11705708

Bearing shell

1шт.

36

VOE 7011991

Прокладка

1шт.

36

VOE 7011991

Прокладка

1шт.

37

VOE 849468

Болт

1шт.

37

VOE 849468

Болт

1шт.

39

VOE 7035168

Key

1шт.

4

VOE 244499

Spacer ring

1шт.

40

VOE 6212651

Подшипник

1шт.

41

VOE 244073

Кольцо уплотнительное

1шт.

42

VOE 863371

Прокладка

1шт.

43

VOE 848736

Крышка

1шт.

44

VOE 941913

Шайба пружинная

1шт.

44

VOE 941913

Шайба пружинная

1шт.

45

VOE 955806

Гайка

1шт.

45

VOE 955806

Hexagon nut

1шт.

46

VOE 843166

Lock ring

1шт.

48

VOE 6212655

6212655

1шт.

49

VOE 11998400

Cap

1шт.

5

VOE 244498

Крышка

1шт.

50

VOE 13947621

Plane gasket

1шт.

50

VOE 13947621

Plane gasket

1шт.

51

VOE 243011

Пробка (заглушка)

1шт.

51

VOE 243011

Пробка (заглушка)

1шт.

52

VOE 13947624

Plane gasket

1шт.

52

VOE 13947624

Plane gasket

1шт.

54

VOE 3092027

Прокладка

1шт.

55

VOE 6212826

Крышка

1шт.

57

VOE 244848

Болт

1шт.

58

VOE 848738

Шайба

1шт.

59

VOE 863370

Прокладка

1шт.

6

VOE 11997791

Шпилька

1шт.

60

VOE 955919

Шайба пружинная

1шт.

60

VOE 955919

Шайба пружинная

1шт.

61

VOE 940197

Hexagon nut

1шт.

61

VOE 940197

Hexagon nut

1шт.

62

VOE 244060

Spacer ring

1шт.

63

VOE 13947621

Plane gasket

1шт.

63

VOE 13947621

Plane gasket

1шт.

64

VOE 479775

Overflow valve

1шт.

64

VOE 479775

Overflow valve

1шт.

7

VOE 11998507

Tappet

1шт.

Выбрано товаров: 79