Запчасти Volvo L90B 10074 Гидроцилиндр L90B VOLVO BM VOLVO BM L90B

Схема запчастей Volvo L90B - 10074 Гидроцилиндр L90B VOLVO BM VOLVO BM L90B
FIT
1:1
100%

Артикул

Название

Примечание

Количество

VOE 11088065

Гидроцилиндр

1шт.

VOE 11990050

Gasket Kit

1шт.

VOE 11990050

Gasket Kit

1шт.

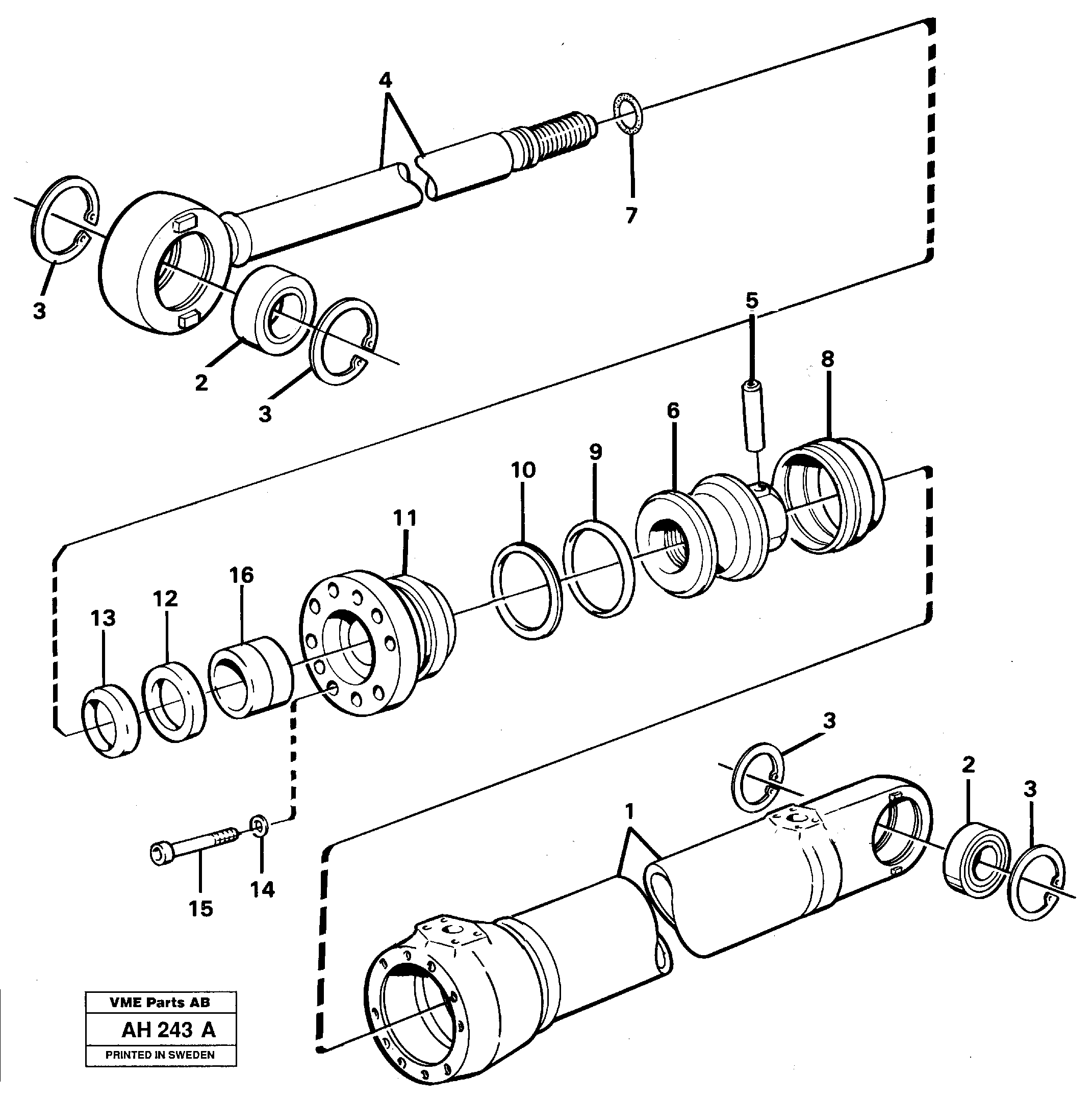
1

VOE 4784554

Cylinder tube

1шт.

10

VOE 4787062

Back-up ring

1шт.

11

VOE 11088504

Pstn Rod Guide

1шт.

12

VOE 4784843

Уплотнение штока поршня

1шт.

12

VOE 4784843

Уплотнение штока поршня

1шт.

13

VOE 11005053

Scraper

1шт.

14

VOE 13941907

Шайба пружинная

1шт.

14

VOE 13941907

Шайба

1шт.

15

VOE 13948400

Болт

1шт.

15

VOE 13948400

Болт

1шт.

16

VOE 11088052

Втулка

1шт.

16

VOE 11088052

Втулка

1шт.

2

VOE 184428

Spherical plain bearing

1шт.

2

VOE 184428

Spherical plain bearing

1шт.

3

VOE 914533

Snap Ring

1шт.

3

VOE 914533

Кольцо стопорное

1шт.

4

VOE 11088717

Шток поршня

1шт.

5

VOE 4782718

Палец

1шт.

6

VOE 4782406

Поршень

1шт.

6

VOE 4782406

Поршень

1шт.

7

VOE 13960172

Кольцо уплотнительное (О-кольцо)

1шт.

7

VOE 13960172

Кольцо уплотнительное (О-кольцо)

1шт.

8

VOE 4833023

Сальник

1шт.

9

VOE 925094

Кольцо уплотнительное (О-кольцо)

1шт.

9

VOE 925094

Кольцо уплотнительное (О-кольцо)

1шт.

Выбрано товаров: 28