Запчасти Volvo L90B 12044 Hydraulic system: Suction line L90B VOLVO BM VOLVO BM L90B

Схема запчастей Volvo L90B - 12044 Hydraulic system: Suction line L90B VOLVO BM VOLVO BM L90B
FIT
1:1
100%

Артикул

Название

Примечание

Количество

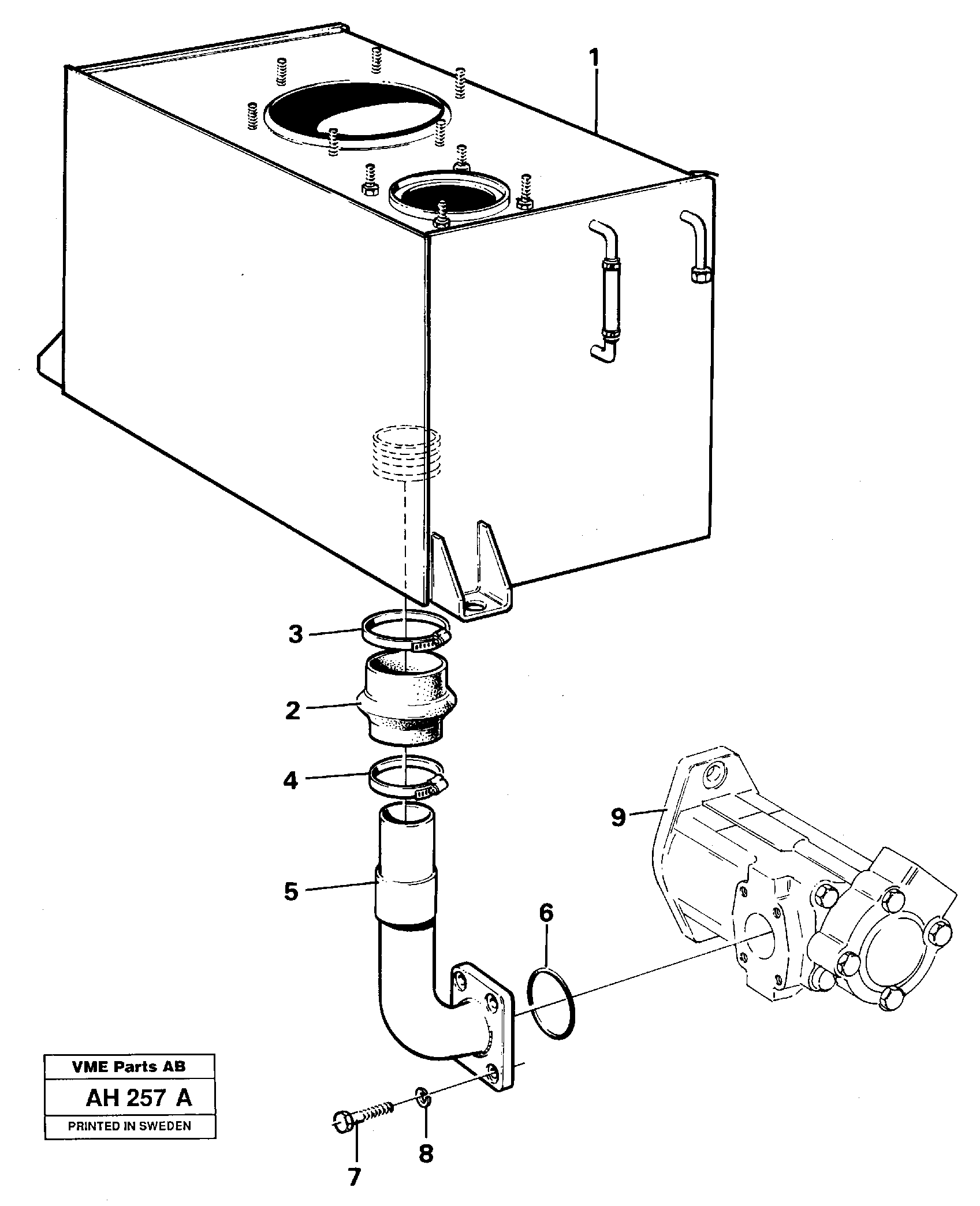
2

VOE 11014113

Connector casing

1шт.

2

VOE 11014113

Connector casing

1шт.

3

VOE 930870

Зажим

1шт.

3

VOE 930870

Зажим

1шт.

4

VOE 13927475

Зажим

1шт.

4

VOE 13927475

Зажим

1шт.

5

VOE 11014026

Intake pipe

1шт.

6

VOE 949240

Кольцо уплотнительное (О-кольцо)

1шт.

6

VOE 949240

Кольцо уплотнительное (О-кольцо)

1шт.

7

VOE 13970970

Винт шестигранник

1шт.

7

VOE 13970970

Винт шестигранник

1шт.

8

VOE 940280

Шайба пружинная

1шт.

8

VOE 940280

Шайба пружинная

1шт.

Выбрано товаров: 13