Запчасти Volvo L90B 29603 Гидроцилиндр L90B VOLVO BM VOLVO BM L90B

Схема запчастей Volvo L90B - 29603 Гидроцилиндр L90B VOLVO BM VOLVO BM L90B
FIT
1:1
100%

Артикул

Название

Примечание

Количество

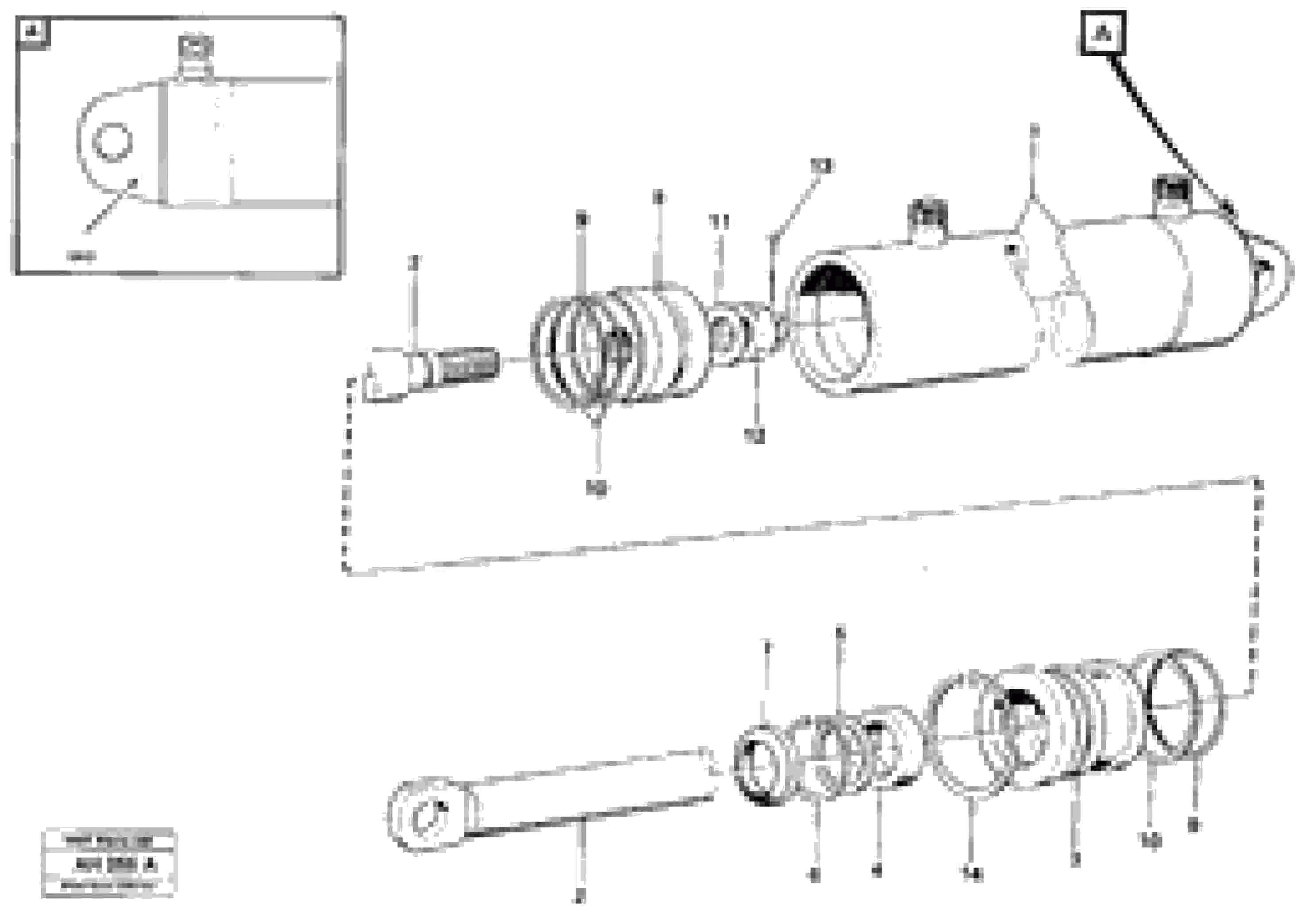
VOE 11005340

Гидроцилиндр

1шт.

VOE 11005340

Гидроцилиндр

1шт.

VOE 11990175

Gasket kit

1шт.

1

VOE 11005341

Cylinder tube

1шт.

10

VOE 4881024

Back-up ring

1шт.

11

VOE 955898

Шайба

1шт.

11

VOE 955898

Шайба

1шт.

12

VOE 13955884

Castle nut

1шт.

12

VOE 13955884

Castle nut

1шт.

13

VOE 907847

Cotter Pin

1шт.

14

VOE 944154

Retaining ring

1шт.

2

VOE 11005342

Шток поршня

D=25

1шт.

3

VOE 11010768

Стакан штока поршня (направляющая)

1шт.

4

VOE 4784040

Сальник

1шт.

4

VOE 4784040

Уплотнение штока поршня

1шт.

5

VOE 11010780

Spacer ring

1шт.

6

VOE 914519

Кольцо стопорное

1шт.

6

VOE 914519

Retaining ring

1шт.

7

VOE 4784065

4784065

1шт.

8

VOE 4741302

Поршень

1шт.

9

VOE 925067

Кольцо уплотнительное (О-кольцо)

1шт.

9

VOE 925067

Кольцо уплотнительное (О-кольцо)

1шт.

Выбрано товаров: 22