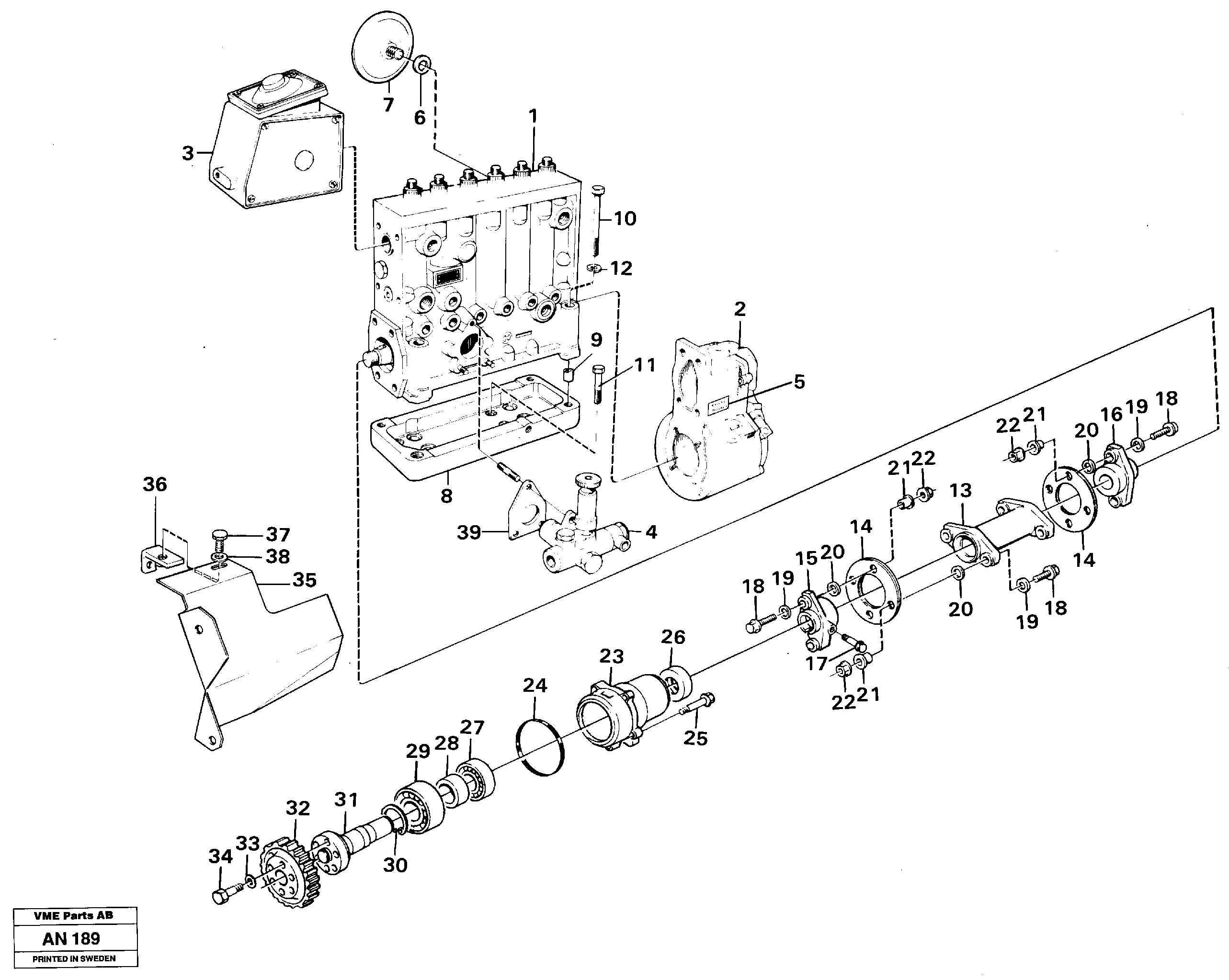
Запчасти Volvo L90C 86825 Injection pump with drive L90C VOLVO BM VOLVO BM L90C SER NO - 14304

Схема запчастей Volvo L90C - 86825 Injection pump with drive L90C VOLVO BM VOLVO BM L90C SER NO - 14304
FIT
1:1
100%

Артикул

Название

Примечание

Количество

VOE 11032709

Насос

1шт.

10

VOE 13965189

Screw

1шт.

10

VOE 13965189

Болт

1шт.

11

VOE 959241

Винт шестигранник (торцевой ключ)

1шт.

12

VOE 190509

Шайба

1шт.

12

VOE 190509

Шайба

1шт.

13

VOE 11999891

Spacer

1шт.

13

VOE 11999891

Вставка

1шт.

14

VOE 479458

Companion disc

1шт.

14

VOE 479458

Companion disc

1шт.

15

VOE 1547352

Companion flange

1шт.

15

VOE 1547352

Companion flange

1шт.

16

VOE 420857

Companion flange

1шт.

17

VOE 471529

Болт

1шт.

17

VOE 471529

Болт

1шт.

18

VOE 13965185

Screw

1шт.

18

VOE 13965185

Болт

1шт.

19

VOE 976945

Шайба

1шт.

19

VOE 976945

Шайба

1шт.

20

VOE 479399

Шайба

1шт.

20

VOE 479399

Шайба

1шт.

21

VOE 478897

Втулка (распорная)

1шт.

21

VOE 478897

Втулка (распорная)

1шт.

22

VOE 13971095

Flange nut

1шт.

22

VOE 13971095

Flange nut

1шт.

23

VOE 478799

Bearing housing

1шт.

23

VOE 478799

Bearing housing

1шт.

24

VOE 423123

Кольцо уплотнительное

1шт.

24

VOE 423123

Кольцо уплотнительное

1шт.

25

VOE 946671

Flange screw

1шт.

25

VOE 946671

Flange screw

1шт.

26

VOE 1546221

Кольцо уплотнительное

1шт.

26

VOE 1546221

Кольцо уплотнительное

1шт.

27

VOE 7011014

Ball bearing

1шт.

27

VOE 7011014

Ball bearing

1шт.

28

VOE 1546132

Stop ring

1шт.

28

VOE 1546132

Stop ring

1шт.

29

VOE 184788

Ball bearing

1шт.

29

VOE 184788

Ball bearing

1шт.

30

VOE 914540

Retaining ring

1шт.

30

VOE 914540

Кольцо стопорное

1шт.

31

VOE 478411

Вал

1шт.

31

VOE 478411

Вал

1шт.

32

VOE 478429

Gear

1шт.

32

VOE 478429

Gear

1шт.

33

VOE 942385

Disc spring

1шт.

33

VOE 942385

Шайба

1шт.

34

VOE 471534

Болт

1шт.

34

VOE 471534

Болт

1шт.

35

VOE 11030901

Protecting plate

1шт.

36

VOE 11030902

Anchorage

1шт.

37

VOE 13955294

Болт

1шт.

37

VOE 13955294

Болт

1шт.

38

VOE 13955894

Шайба

1шт.

38

VOE 13955894

Шайба

1шт.

39

VOE 863370

Прокладка

1шт.

5

VOE 477149

Decal

1шт.

6

VOE 13969011

Прокладка

1шт.

6

VOE 13969011

Прокладка

1шт.

7

VOE 477173

Pressure equalizer

1шт.

7

VOE 477173

Pressure equalizer

1шт.

8

VOE 420926

Shelf

1шт.

9

VOE 417588

Guide sleeve

1шт.

9

VOE 417588

Guide sleeve

1шт.

Выбрано товаров: 64