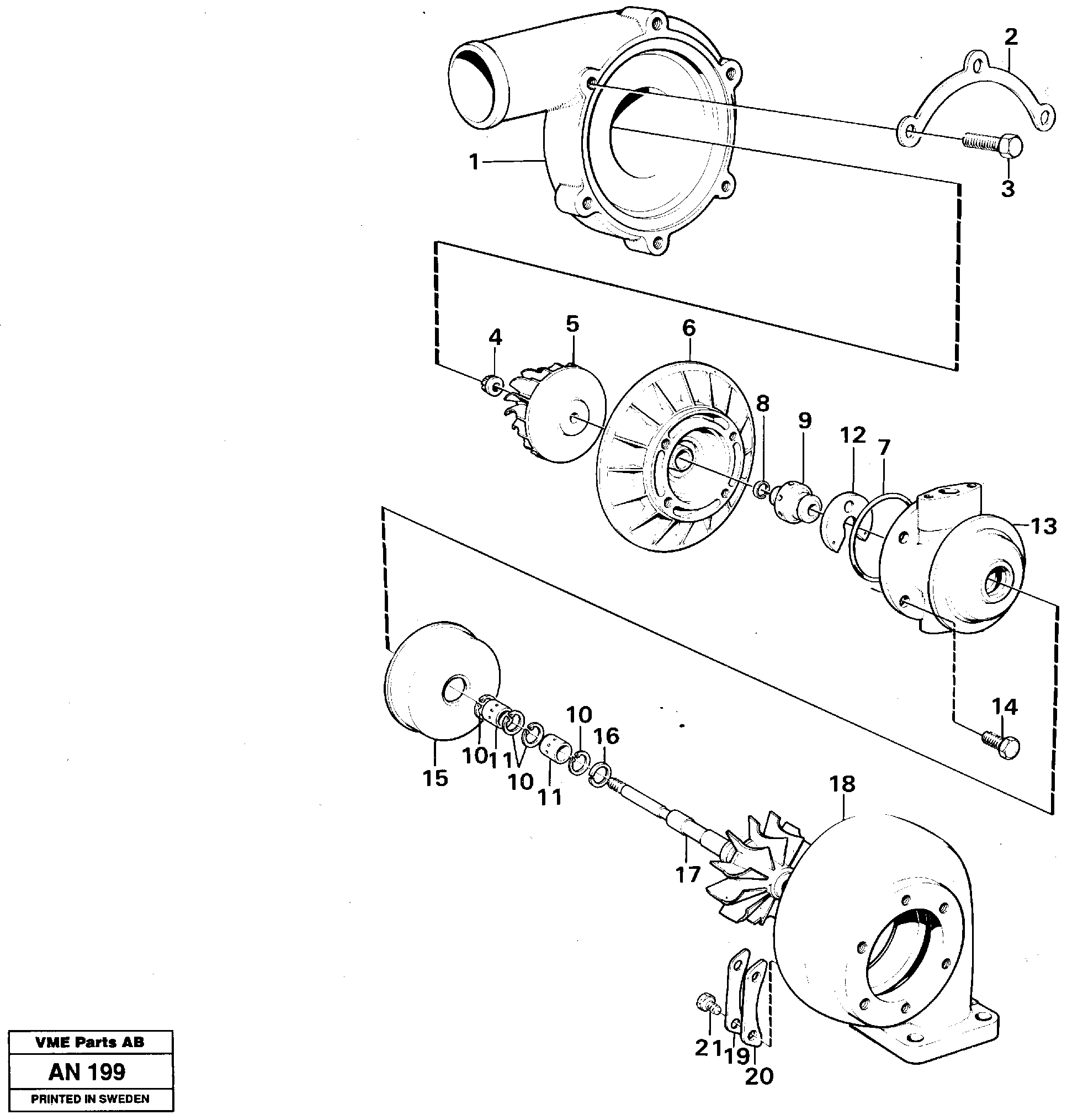
Запчасти Volvo L90C 22147 Турбокомпрессор (турбина) L90C VOLVO BM VOLVO BM L90C SER NO - 14304

Схема запчастей Volvo L90C - 22147 Турбокомпрессор (турбина) L90C VOLVO BM VOLVO BM L90C SER NO - 14304
FIT
1:1
100%

Артикул

Название

Примечание

Количество

VOE 274122

Ремкомплект

1шт.

VOE 274122

Ремкомплект

1шт.

VOE 11033436

Турбокомпрессор (турбина)

1шт.

VOE 1697154

Rotor Unit

1шт.

VOE 1697154

Rotor Unit

1шт.

10

VOE 466470

Snap Ring

1шт.

10

VOE 466470

Кольцо стопорное

1шт.

11

VOE 1697152

Подшипник

1шт.

11

VOE 1697152

Подшипник

1шт.

12

VOE 1697151

Thrust Bearing

1шт.

13

VOE 1697153

Bearing Housing

1шт.

13

VOE 1697153

Bearing Housing

1шт.

14

VOE 1697149

Болт

1шт.

15

VOE 1697148

Casing

1шт.

15

VOE 1697148

Крышка

1шт.

16

VOE 6212285

Piston ring

1шт.

16

VOE 6212285

Piston ring

1шт.

17

VOE 11702479

Вал

1шт.

17

VOE 11702479

Вал

1шт.

19

VOE 466486

Striker Plate

1шт.

19

VOE 466486

Striker Plate

1шт.

2

VOE 1697143

Зажим

1шт.

2

VOE 1697143

Зажим

1шт.

20

VOE 466484

Зажим

1шт.

20

VOE 466484

Зажим

1шт.

21

VOE 940113

Болт

1шт.

21

VOE 940113

Винт шестигранник

1шт.

3

VOE 273714

Ремкомплект

1шт.

3

VOE 273714

Ремкомплект

1шт.

4

VOE 6212671

Гайка

1шт.

4

VOE 6212671

Гайка

1шт.

5

VOE 1697146

Cprsr Wheel

1шт.

5

VOE 1697146

Cprsr Wheel

1шт.

6

VOE 1697150

Cap

1шт.

6

VOE 1697150

Крышка

1шт.

7

VOE 466478

Кольцо уплотнительное

1шт.

7

VOE 466478

Кольцо уплотнительное

1шт.

8

VOE 466476

Piston ring

1шт.

8

VOE 466476

Piston ring

1шт.

9

VOE 466475

Socket

1шт.

9

VOE 466475

Втулка (распорная)

1шт.

Выбрано товаров: 41