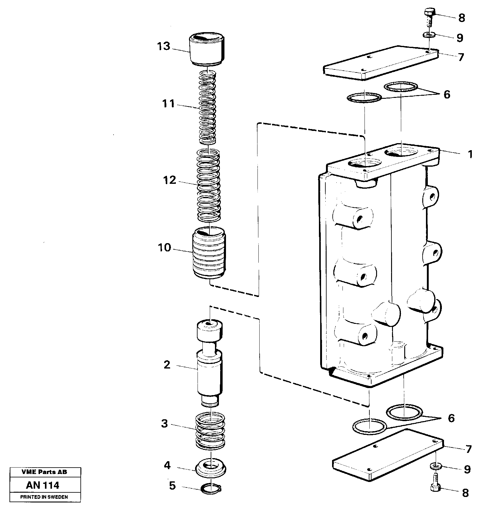
Запчасти Volvo L90C 19423 Valve, circuit body and return valve L90C VOLVO BM VOLVO BM L90C SER NO - 14304

Схема запчастей Volvo L90C - 19423 Valve, circuit body and return valve L90C VOLVO BM VOLVO BM L90C SER NO - 14304
FIT
1:1
100%

Артикул

Название

Примечание

Количество

VOE 11036768

Pr Limit Valve

1шт.

VOE 11036768

Pr Limit Valve

1шт.

1

VOE 4720782

Valve Housing

1шт.

1

VOE 4720782

Valve Housing

1шт.

10

VOE 4871606

Поршень

1шт.

10

VOE 4871606

Поршень

1шт.

11

VOE 4720783

Пружина

1шт.

11

VOE 4720783

Пружина

1шт.

12

VOE 4720784

Пружина

1шт.

12

VOE 4720784

Пружина

1шт.

13

VOE 4720791

Spacer Sleeve

1шт.

13

VOE 4720791

Spacer Sleeve

1шт.

2

VOE 11036757

Valve Slide

1шт.

2

VOE 11036757

Valve Slide

1шт.

3

VOE 4720786

Пружина

1шт.

3

VOE 4720786

Пружина

1шт.

4

VOE 11036766

Spring Guide

1шт.

4

VOE 11036766

Spring Guide

1шт.

5

VOE 914448

Кольцо стопорное

1шт.

5

VOE 914448

Snap Ring

1шт.

6

VOE 925063

Кольцо уплотнительное (О-кольцо)

1шт.

6

VOE 925063

Кольцо уплотнительное (О-кольцо)

1шт.

7

VOE 4720792

Крышка

1шт.

7

VOE 4720792

Крышка

1шт.

8

VOE 13955272

Болт

1шт.

8

VOE 13955272

Болт

1шт.

9

VOE 13949607

Шайба

1шт.

9

VOE 13949607

Шайба

1шт.

Выбрано товаров: 28