Запчасти Volvo L90C 51936 Система охлаждения L90C VOLVO BM VOLVO BM L90C SER NO - 14304

Схема запчастей Volvo L90C - 51936 Система охлаждения L90C VOLVO BM VOLVO BM L90C SER NO - 14304
FIT
1:1
100%

Артикул

Название

Примечание

Количество

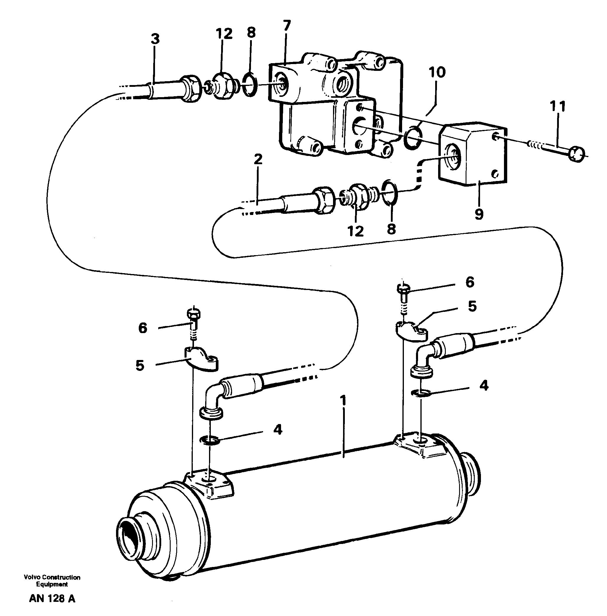
1

VOE 11033177

Масляный радиатор

1шт.

10

VOE 949658

Кольцо уплотнительное (О-кольцо)

1шт.

10

VOE 949658

Кольцо уплотнительное (О-кольцо)

1шт.

11

VOE 13970955

Винт шестигранник

1шт.

11

VOE 13970955

Винт шестигранник

1шт.

12

VOE 957037

Nipple

1шт.

2

VOE 13933519

Hose assembly

L=920

1шт.

3

VOE 13933458

Hose assembly

L=580

1шт.

4

VOE 13948700

Кольцо уплотнительное (О-кольцо)

1шт.

4

VOE 13948700

Кольцо уплотнительное (О-кольцо)

1шт.

5

VOE 927947

Flange half

1шт.

5

VOE 927947

Flange half

1шт.

6

VOE 13970947

Винт шестигранник

1шт.

6

VOE 13970947

Винт шестигранник

1шт.

7

VOE 11036748

Distribution block

1шт.

8

VOE 968566

Кольцо уплотнительное (О-кольцо)

1шт.

8

VOE 968566

Кольцо уплотнительное (О-кольцо)

1шт.

9

VOE 11091234

Hose connection

1шт.

Выбрано товаров: 18