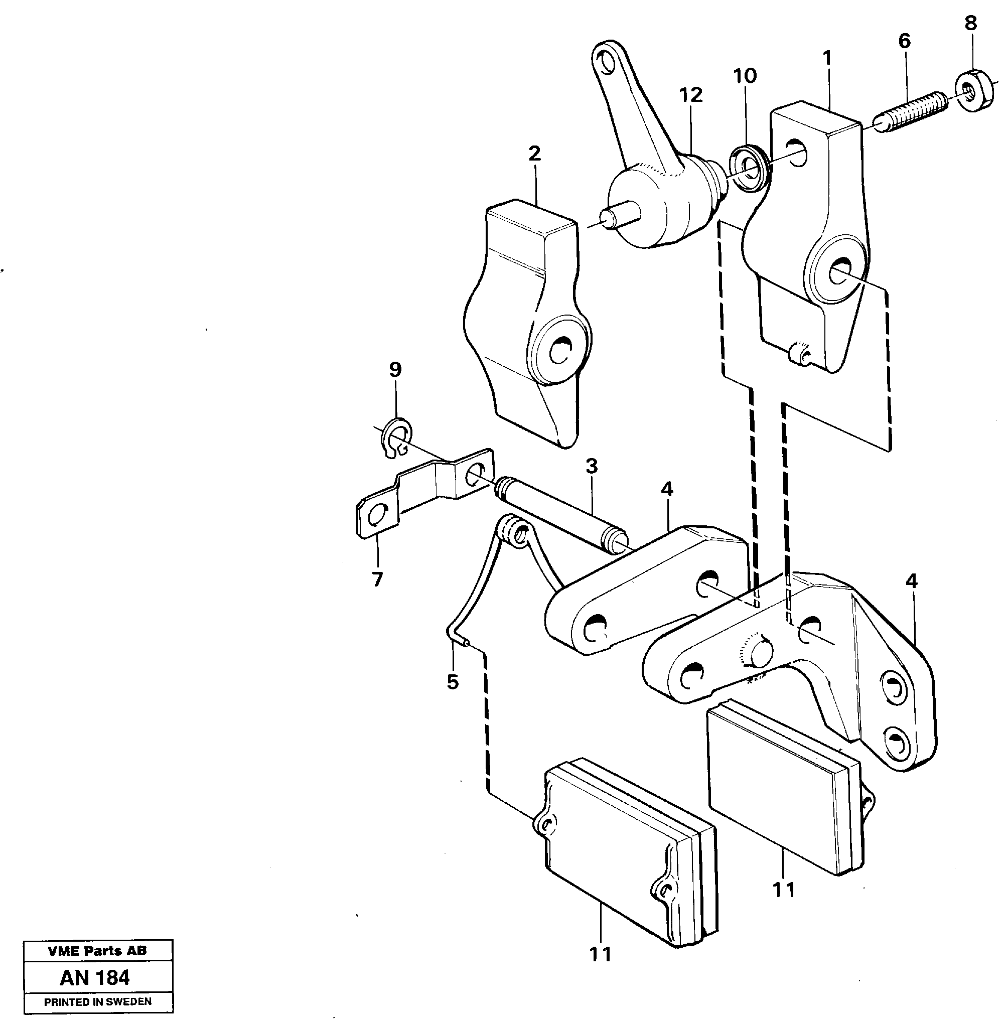
Запчасти Volvo L90C 33069 Parking brake L90C VOLVO BM VOLVO BM L90C SER NO - 14304

Схема запчастей Volvo L90C - 33069 Parking brake L90C VOLVO BM VOLVO BM L90C SER NO - 14304
FIT
1:1
100%

Артикул

Название

Примечание

Количество

VOE 11035171

Handbrake

1шт.

1

VOE 6210815

6210815

1шт.

10

VOE 6210821

Dust cover

1шт.

11

VOE 11992564

Brake pad

1шт.

12

VOE 11996097

11996097

1шт.

2

VOE 6210816

6210816

1шт.

3

VOE 6210817

Вал

1шт.

5

VOE 6210818

Пружина

1шт.

6

VOE 6210819

Болт

1шт.

7

VOE 6210820

6210820

1шт.

8

VOE 955823

Hexagon nut

1шт.

8

VOE 955823

Hexagon nut

1шт.

9

VOE 914454

Кольцо стопорное

1шт.

9

VOE 914454

Retaining ring

1шт.

Выбрано товаров: 14