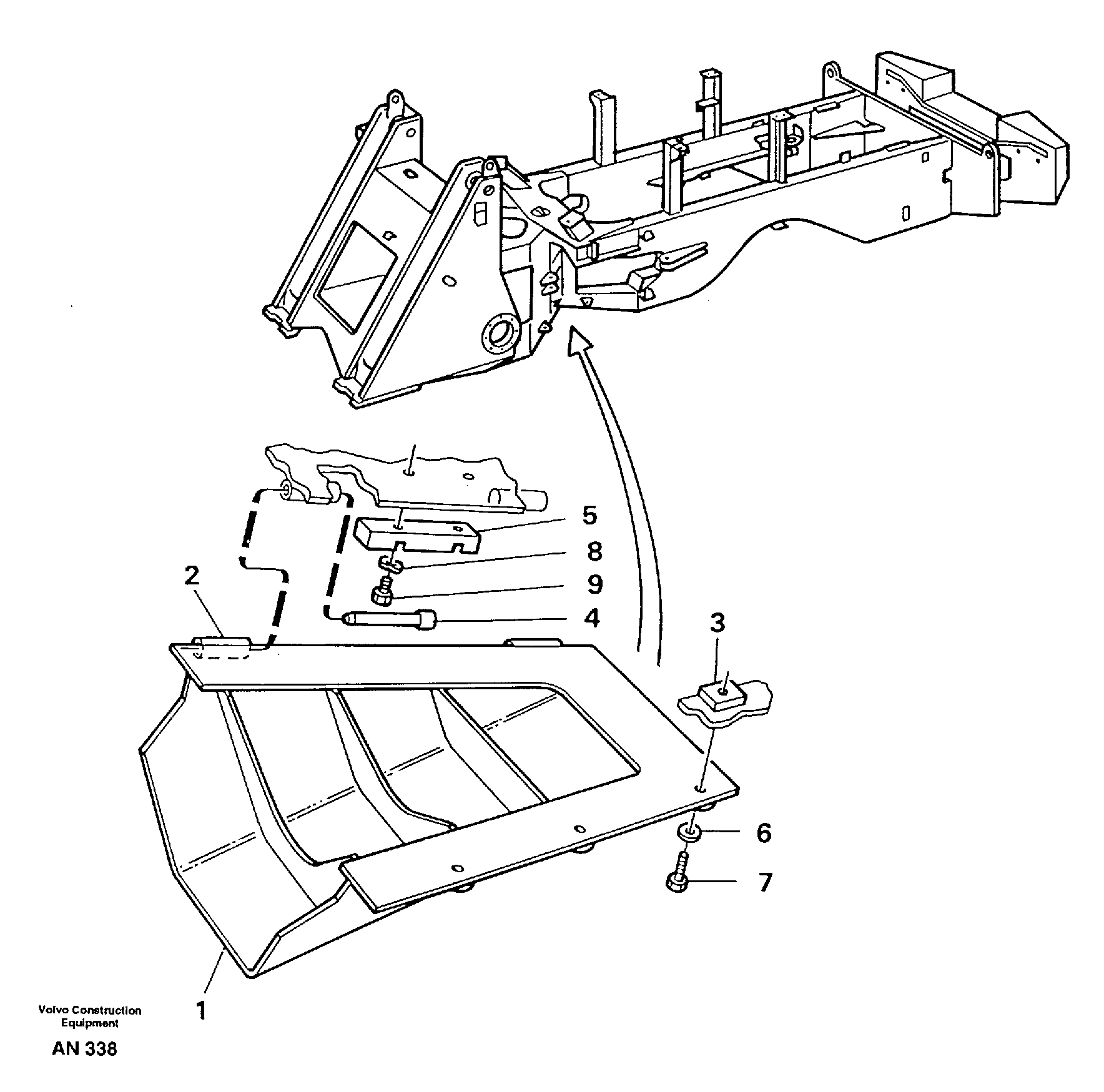
Запчасти Volvo L90C 30204 Bottom-guard plates L90C VOLVO BM VOLVO BM L90C SER NO - 14304

Схема запчастей Volvo L90C - 30204 Bottom-guard plates L90C VOLVO BM VOLVO BM L90C SER NO - 14304
FIT
1:1
100%

Артикул

Название

Примечание

Количество

1

VOE 11018156

Belly Guard

1шт.

2

VOE 4749530

Трубка

1шт.

3

VOE 4763493

Attaching plate

1шт.

4

VOE 11018168

11018168

1шт.

5

VOE 11018169

Lock lug

1шт.

6

VOE 13960145

Шайба

1шт.

6

VOE 13960145

Шайба

1шт.

7

VOE 13970974

Винт шестигранник

1шт.

7

VOE 13970974

Винт шестигранник

1шт.

8

VOE 940280

Шайба пружинная

1шт.

8

VOE 940280

Шайба пружинная

1шт.

9

VOE 13970970

Винт шестигранник

1шт.

9

VOE 13970970

Винт шестигранник

1шт.

Выбрано товаров: 13