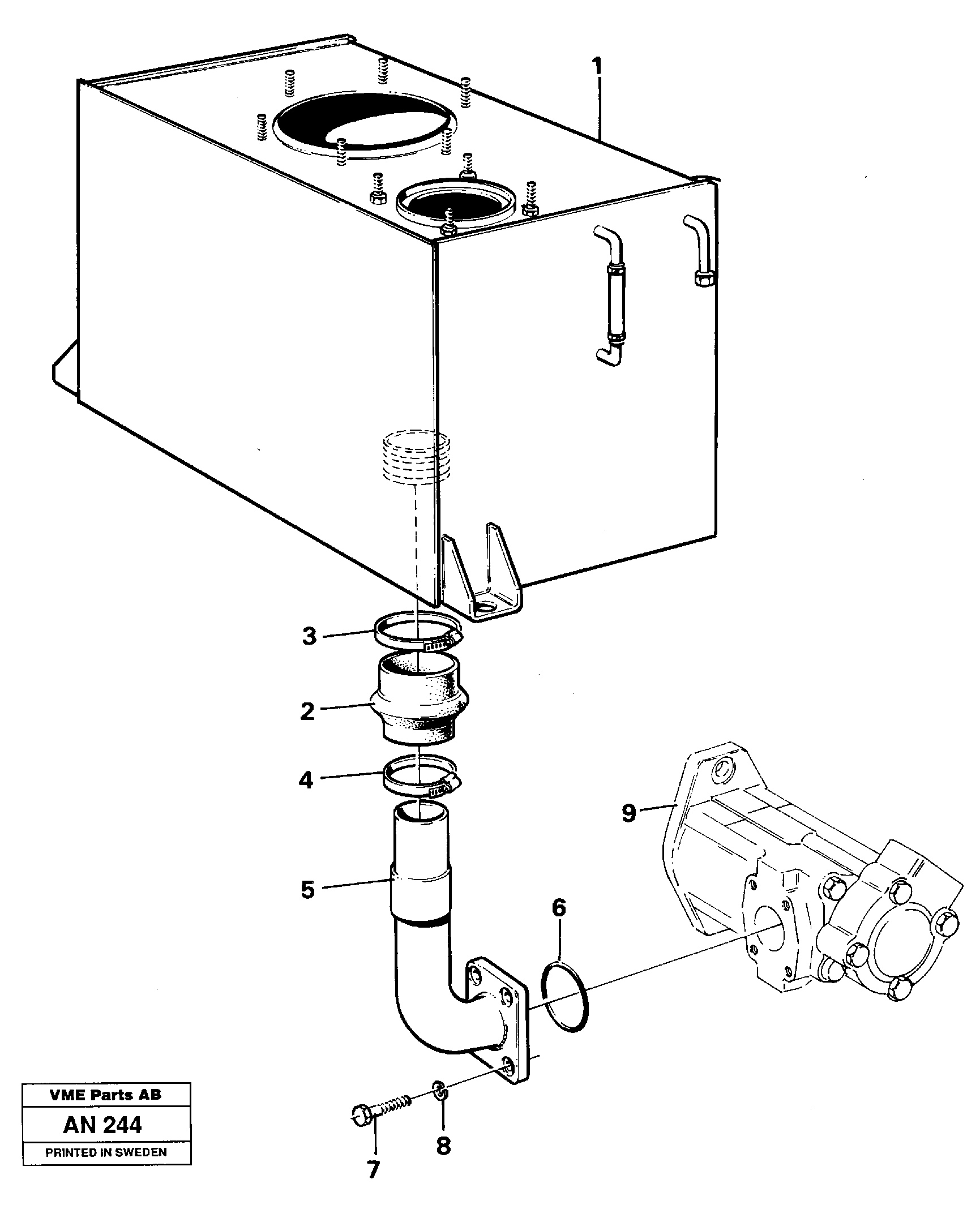
Запчасти Volvo L90C 17278 Hydraulic system: Suction line L90C VOLVO BM VOLVO BM L90C SER NO - 14304

Схема запчастей Volvo L90C - 17278 Hydraulic system: Suction line L90C VOLVO BM VOLVO BM L90C SER NO - 14304
FIT
1:1
100%

Артикул

Название

Примечание

Количество

VOE 11015829

Intake pipe

SER NO 14176 -

1шт.

VOE 11015829

Intake pipe

SER NO 14176 -

1шт.

VOE 13955897

Шайба

SER NO 14158 -

1шт.

VOE 13955897

Шайба

SER NO 14158 -

1шт.

2

VOE 11014113

Connector casing

1шт.

2

VOE 11014113

Connector casing

1шт.

3

VOE 930870

Зажим

1шт.

3

VOE 930870

Зажим

1шт.

4

VOE 13927475

Зажим

1шт.

4

VOE 13927475

Зажим

1шт.

5

VOE 11014026

Intake pipe

SER NO - 14175

1шт.

6

VOE 949240

Кольцо уплотнительное (О-кольцо)

1шт.

6

VOE 949240

Кольцо уплотнительное (О-кольцо)

1шт.

7

VOE 13970970

Винт шестигранник

1шт.

7

VOE 13970970

Винт шестигранник

1шт.

8

VOE 940280

Шайба пружинная

SER NO - 14157

1шт.

8

VOE 940280

Шайба пружинная

SER NO - 14157

1шт.

Выбрано товаров: 17