Запчасти Volvo L90C 97813 Alternator with assembling details L90C

Схема запчастей Volvo L90C - 97813 Alternator with assembling details L90C
FIT
1:1
100%

Артикул

Название

Примечание

Количество

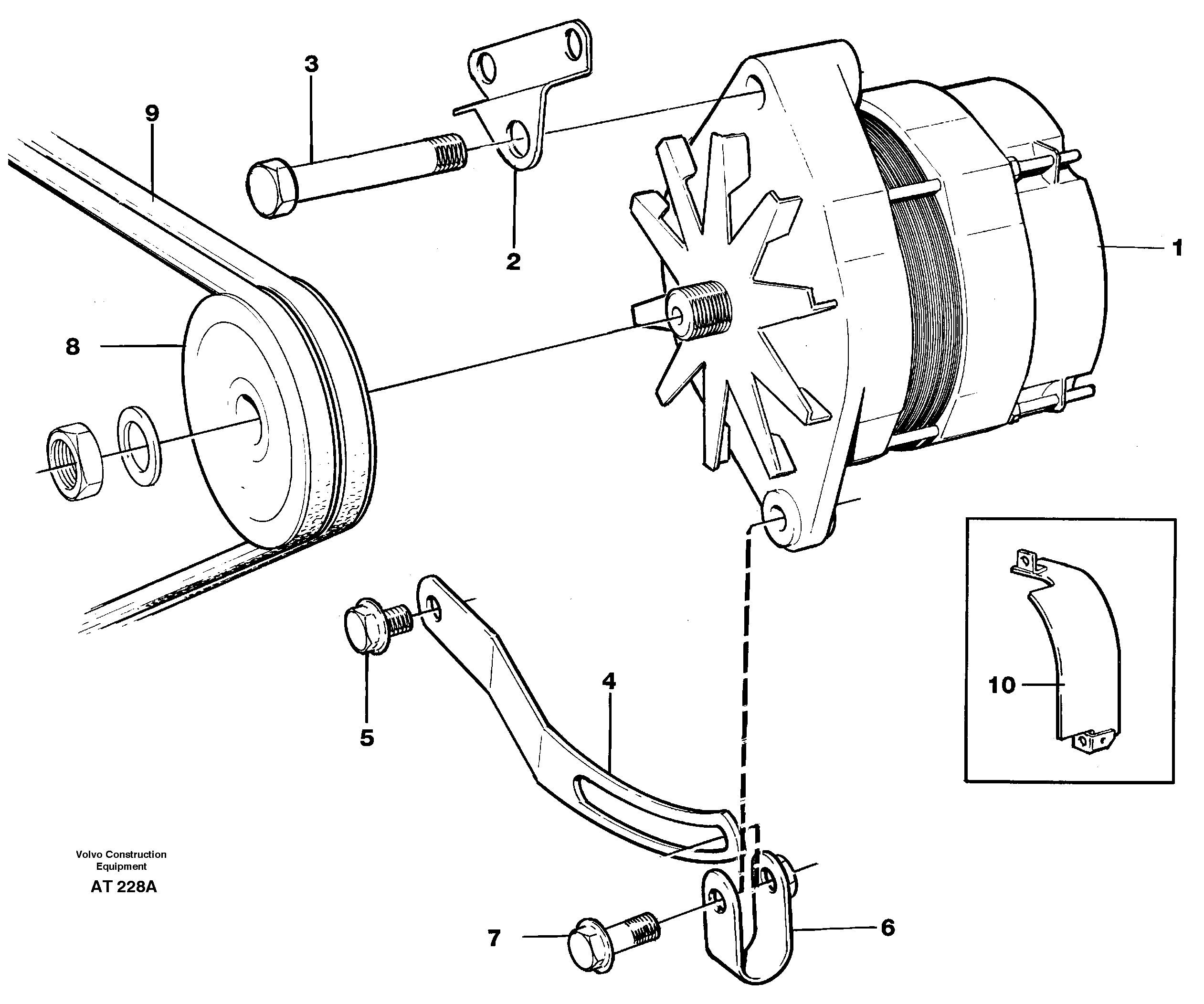
VOE 13965179

Болт

SER NO 16146 -

1шт.

VOE 13965179

Screw

SER NO 16146 -

1шт.

VOE 11101479

Anchorage

1шт.

VOE 11101479

Anchorage

1шт.

10

VOE 11014248

Protection

1шт.

10

VOE 11014248

Protection

1шт.

2

VOE 11030624

Anchorage

1шт.

2

VOE 11030624

Anchorage

1шт.

3

VOE 971005

Винт шестигранник

1шт.

3

VOE 971005

Винт шестигранник

1шт.

4

VOE 4772066

Tensioner

1шт.

4

VOE 4772066

Tensioner

1шт.

5

VOE 13946173

Screw

1шт.

5

VOE 13946173

Болт

1шт.

6

VOE 466735

Brace

1шт.

6

VOE 466735

Brace

1шт.

7

VOE 13947760

Болт

SER NO - 16145

1шт.

7

VOE 13947760

Screw

SER NO - 16145

1шт.

8

VOE 822573

Шкив

1шт.

8

VOE 822573

Шкив

1шт.

9

VOE 966869

Ремень клиновой (приводной)

1шт.

9

VOE 966869

Ремень клиновой (приводной)

1шт.

Выбрано товаров: 22