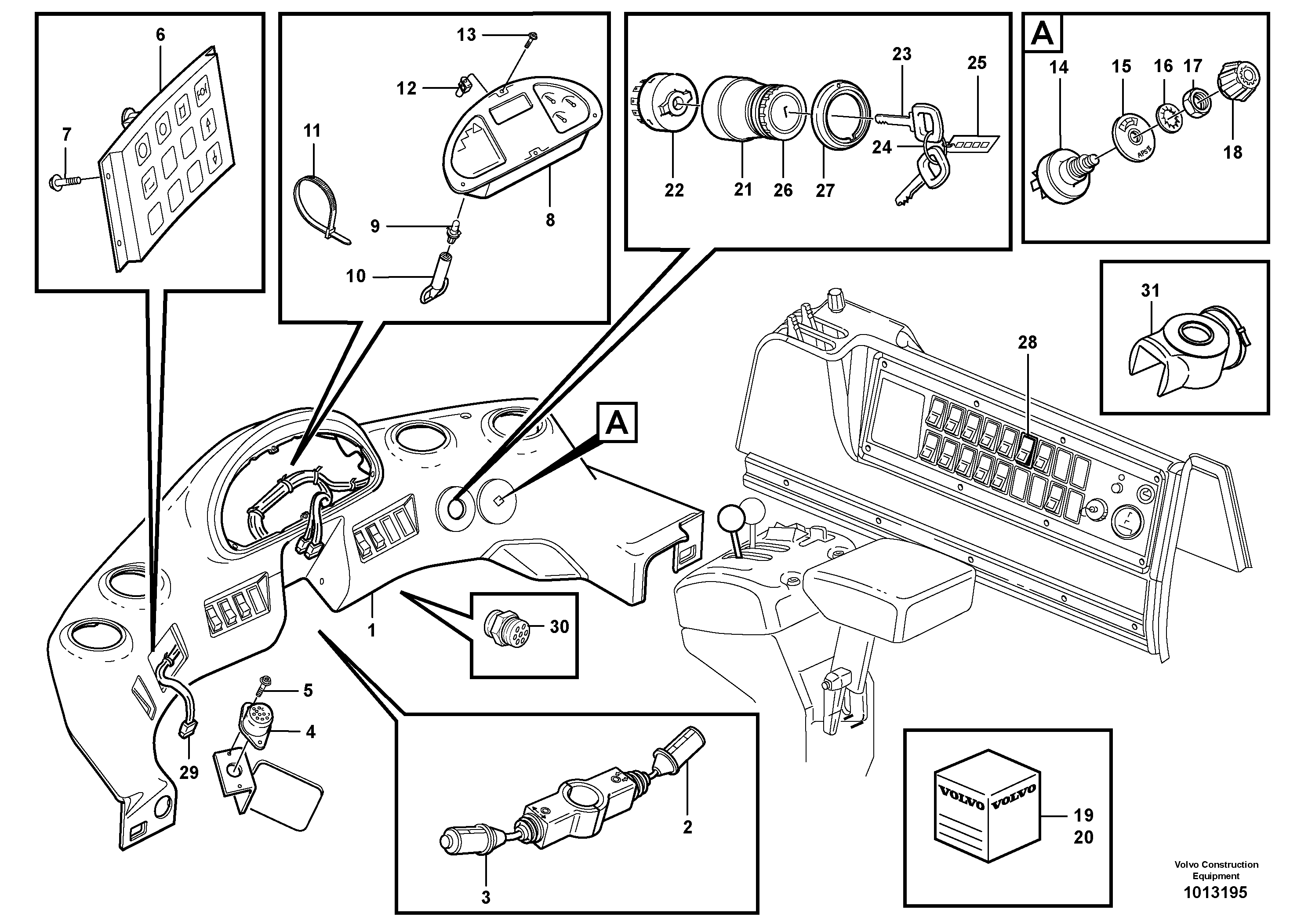
Запчасти Volvo L90D 98307 Instrument panel L90D

Схема запчастей Volvo L90D - 98307 Instrument panel L90D
FIT
1:1
100%

Артикул

Название

Примечание

Количество

VOE 11007281

Lock

1шт.

VOE 959187

Hex. socket screw

M5x12

1шт.

VOE 959187

Винт шестигранник (торцевой ключ)

M5x12

1шт.

VOE 959187

Hex. socket screw

M5x12

1шт.

VOE 959187

Винт шестигранник (торцевой ключ)

M5x12

1шт.

VOE 11007280

Lock Kit

1шт.

VOE 11039228

Pass key

GRON/GREEN

1шт.

VOE 11039228

Pass key

GRON/GREEN

1шт.

10

VOE 1089953

Tool

1шт.

11

VOE 4881440

Cable tie

1шт.

11

VOE 4881440

Cable tie

1шт.

12

VOE 977980

Spring nut

1шт.

12

VOE 977980

Spring nut

1шт.

13

VOE 975371

Болт

1шт.

13

VOE 975371

Винт шестигранник (торцевой ключ)

1шт.

14

VOE 11039224

Fan switch

APS II

1шт.

15

VOE 11007896

Крышка

APS II

1шт.

16

VOE 13940097

Шайба

1шт.

16

VOE 13940097

Шайба

1шт.

17

VOE 1212859

Гайка

1шт.

18

VOE 11039535

Knob

1шт.

19

VOE 11006988

Lock kit

STD

1шт.

2

VOE 11039248

11039248

1шт.

20

VOE 3536771

Lock kit

STD

1шт.

21

VOE 11039211

Starter switch

STD

1шт.

22

VOE 1626372

Starter switch

STD

1шт.

23

VOE 11039226

Pass key

STD, SVART/BLACK

1шт.

24

VOE 1272253

Key strip

STD

1шт.

25

VOE 3503280

Key badge

STD

1шт.

26

VOE 859955

Гайка

STD

1шт.

27

VOE 11104514

Symbol strip

1шт.

3

VOE 11171771

Переключатель

1шт.

30

VOE 828587

Buzzer

1шт.

30

VOE 828587

Buzzer

1шт.

31

VOE 11005532

Sealing collar

1шт.

4

VOE 1589502

Foot operated switch

1шт.

4

VOE 1589502

Foot operated switch

1шт.

5

VOE 969278

Винт шестигранник (торцевой ключ)

1шт.

5

VOE 969278

Винт шестигранник (торцевой ключ)

1шт.

6

VOE 11170210

Control unit

1шт.

7

VOE 975358

Винт шестигранник (торцевой ключ)

1шт.

7

VOE 975358

Болт

1шт.

8

VOE 15014005

Instrument cluster

1шт.

9

VOE 966327

Bulb

1,2W

1шт.

Выбрано товаров: 44