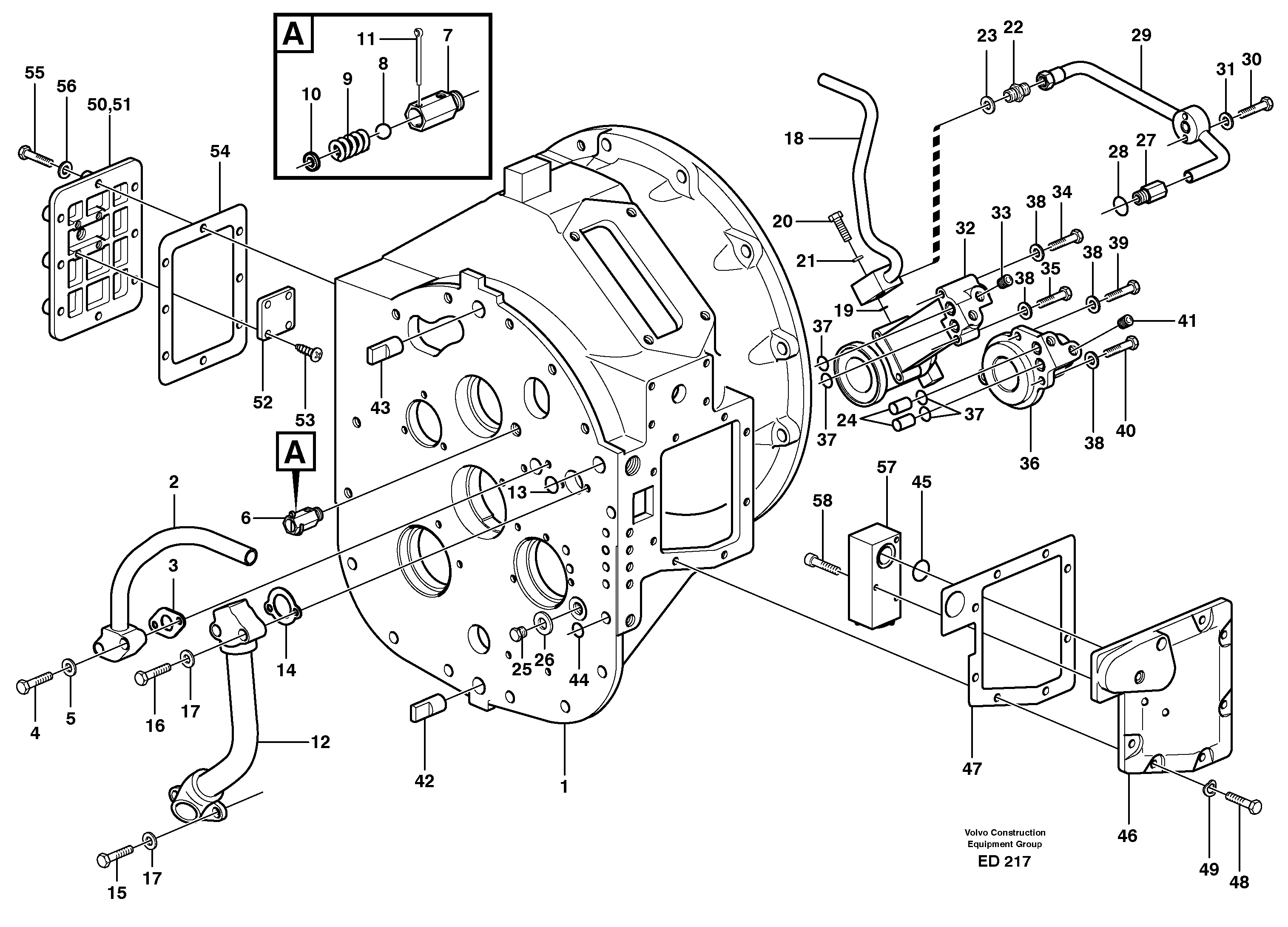
Запчасти Volvo L90D 100724 Converter housing with assembly parts L90D

Схема запчастей Volvo L90D - 100724 Converter housing with assembly parts L90D
FIT
1:1
100%

Артикул

Название

Примечание

Количество

VOE 959224

Allen Hd Screw

1шт.

VOE 959222

Allen Hd Screw

1шт.

1

VOE 11994577

Картер (корпус)

1шт.

10

VOE 13940097

Шайба

1шт.

10

VOE 13940097

Шайба

1шт.

11

VOE 907864

Cotter Pin

1шт.

12

VOE 4871274

Suction pipe

1шт.

13

VOE 949190

Кольцо уплотнительное (О-кольцо)

1шт.

14

VOE 11036099

Прокладка

1шт.

15

VOE 955303

Винт шестигранник

1шт.

15

VOE 955303

Винт шестигранник

1шт.

16

VOE 955297

Винт шестигранник

1шт.

16

VOE 955297

Винт шестигранник

1шт.

17

VOE 13941907

Шайба пружинная

1шт.

17

VOE 13941907

Шайба

1шт.

18

VOE 11036352

Трубка

1шт.

19

VOE 13949188

Кольцо уплотнительное (О-кольцо)

1шт.

2

VOE 4718084

Трубка

1шт.

20

VOE 940101

Винт шестигранник

1шт.

20

VOE 940101

Винт шестигранник

1шт.

21

VOE 13949607

Шайба

1шт.

21

VOE 13949607

Шайба

1шт.

22

VOE 14213266

Фиттинг

1шт.

23

VOE 13947622

Plane gasket

1шт.

23

VOE 13947622

Plane gasket

1шт.

24

VOE 131301

Палец

1шт.

25

VOE 914391

Пробка (заглушка)

1шт.

25

VOE 914391

Пробка (заглушка)

1шт.

26

VOE 947623

Прокладка

1шт.

26

VOE 947623

Прокладка

1шт.

27

VOE 4873056

4873056

1шт.

28

VOE 944364

Кольцо уплотнительное (О-кольцо)

1шт.

28

VOE 944364

Кольцо уплотнительное (О-кольцо)

1шт.

29

VOE 4873054

Lubricating pipe

1шт.

3

VOE 11036101

Прокладка

1шт.

30

VOE 955275

Винт шестигранник

1шт.

30

VOE 955275

Винт шестигранник

1шт.

31

VOE 13949607

Шайба

1шт.

31

VOE 13949607

Шайба

1шт.

32

VOE 4720806

Oil distributor

1шт.

33

VOE 952075

Пробка (заглушка)

1шт.

33

VOE 952075

Пробка (заглушка)

1шт.

34

VOE 955302

Винт шестигранник

1шт.

34

VOE 955302

Винт шестигранник

1шт.

35

VOE 940132

Винт шестигранник

1шт.

35

VOE 940132

Винт шестигранник

1шт.

36

VOE 4871958

Oil distributor

1шт.

37

VOE 13949188

Кольцо уплотнительное (О-кольцо)

1шт.

38

VOE 13941907

Шайба пружинная

1шт.

38

VOE 13941907

Шайба

1шт.

39

VOE 955297

Винт шестигранник

1шт.

39

VOE 955297

Винт шестигранник

1шт.

4

VOE 13955298

Болт

1шт.

4

VOE 13955298

Болт

1шт.

40

VOE 955302

Винт шестигранник

1шт.

40

VOE 955302

Винт шестигранник

1шт.

41

VOE 952075

Пробка (заглушка)

1шт.

41

VOE 952075

Пробка (заглушка)

1шт.

42

VOE 4718167

Палец

1шт.

43

VOE 950711

Палец

1шт.

44

VOE 13949188

Кольцо уплотнительное (О-кольцо)

1шт.

45

VOE 949190

Кольцо уплотнительное (О-кольцо)

1шт.

46

VOE 11037796

Крышка

1шт.

47

VOE 11036886

Прокладка

1шт.

48

VOE 955297

Винт шестигранник

1шт.

48

VOE 955297

Винт шестигранник

1шт.

49

VOE 13941907

Шайба пружинная

1шт.

49

VOE 13941907

Шайба

1шт.

5

VOE 13941907

Шайба пружинная

1шт.

5

VOE 13941907

Шайба

1шт.

50

VOE 4871663

Крышка

1шт.

51

VOE 4871659

Крышка

1шт.

53

VOE 905654

Drive screw

1шт.

53

VOE 905654

Drive screw

1шт.

54

VOE 11036035

Прокладка

1шт.

55

VOE 940142

Винт шестигранник

1шт.

55

VOE 940142

Винт шестигранник

1шт.

56

VOE 13941907

Шайба пружинная

1шт.

56

VOE 13941907

Шайба

1шт.

58

VOE 13965177

Screw

1шт.

58

VOE 13965177

Болт

1шт.

6

VOE 11036104

Safety valve

1шт.

8

VOE 181329

Ball

1шт.

9

VOE 4871259

Пружина

1шт.

Выбрано товаров: 84