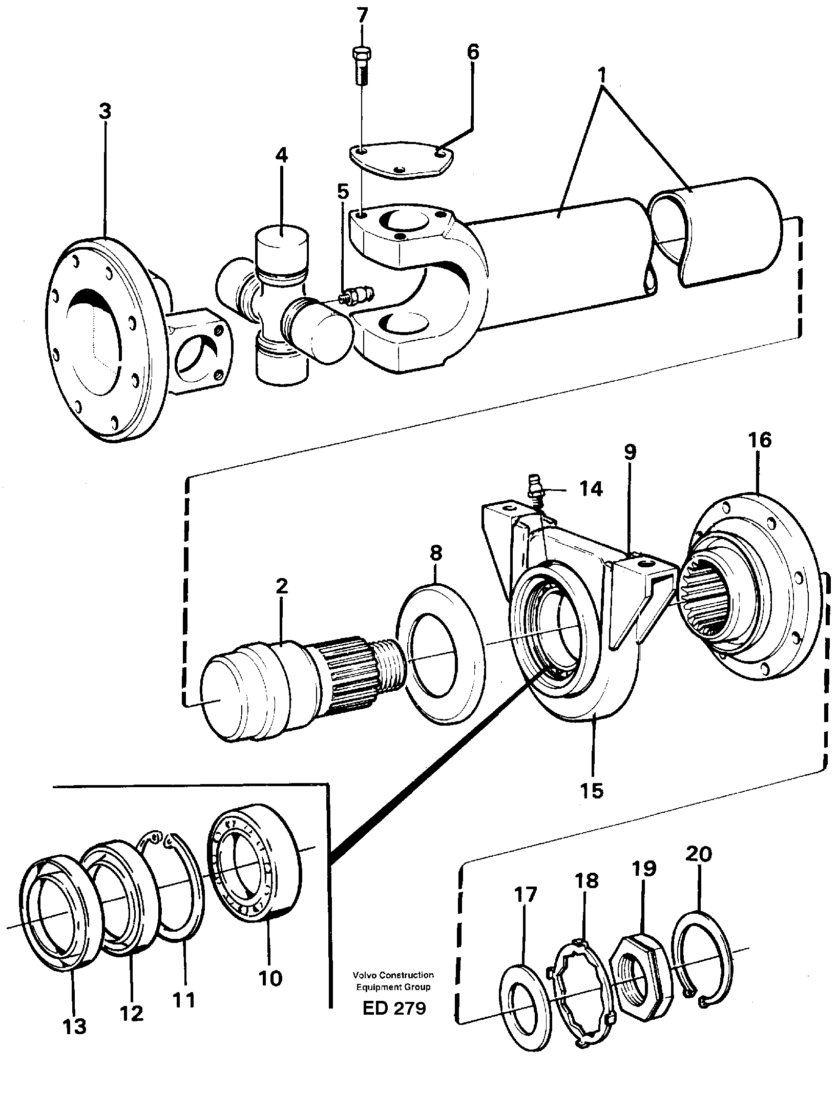
Запчасти Volvo L90D 34708 Вал карданный L90D

Схема запчастей Volvo L90D - 34708 Вал карданный L90D
FIT
1:1
100%

Артикул

Название

Примечание

Количество

VOE 383992

Стопорная шайба (кольцо)

ALT

1шт.

VOE 383992

Стопорная шайба (кольцо)

ALT

1шт.

VOE 4881329

Вал карданный

FORW

1шт.

VOE 4881329

Вал карданный

FORW

1шт.

10

VOE 263004

Ball Bearing

1шт.

10

VOE 263004

Ball Bearing

1шт.

11

VOE 914548

Snap Ring

1шт.

11

VOE 914548

Кольцо стопорное

1шт.

12

VOE 959042

Кольцо уплотнительное

1шт.

12

VOE 959042

Кольцо уплотнительное

1шт.

13

VOE 263005

Protecting Ring

1шт.

13

VOE 263005

Protecting Ring

1шт.

14

VOE 13951740

Nipple

1шт.

14

VOE 13951740

Nipple

1шт.

15

VOE 263006

Зажим

1шт.

15

VOE 263006

Зажим

1шт.

16

VOE 382992

Comp Flange

1шт.

16

VOE 382992

Comp Flange

1шт.

17

VOE 13948269

Шайба

1шт.

17

VOE 13948269

Шайба

1шт.

18

VOE 382779

Стопорная шайба (кольцо)

ALT

1шт.

18

VOE 382779

Стопорная шайба (кольцо)

ALT

1шт.

19

VOE 13948320

Гайка

1шт.

19

VOE 13948320

Гайка

1шт.

20

VOE 914480

Кольцо стопорное

1шт.

20

VOE 914480

Snap Ring

1шт.

3

VOE 6212407

Flange Bearing

1шт.

4

VOE 232458

Крестовина

1шт.

4

VOE 232458

Крестовина

1шт.

8

VOE 263012

Dust Cover

1шт.

8

VOE 263012

Dust Cover

1шт.

9

VOE 6212888

Support Bearing

1шт.

9

VOE 6212888

Support Bearing

1шт.

Выбрано товаров: 33