Запчасти Volvo L90D 27361 Frame L90D

Схема запчастей Volvo L90D - 27361 Frame L90D
FIT
1:1
100%

Артикул

Название

Примечание

Количество

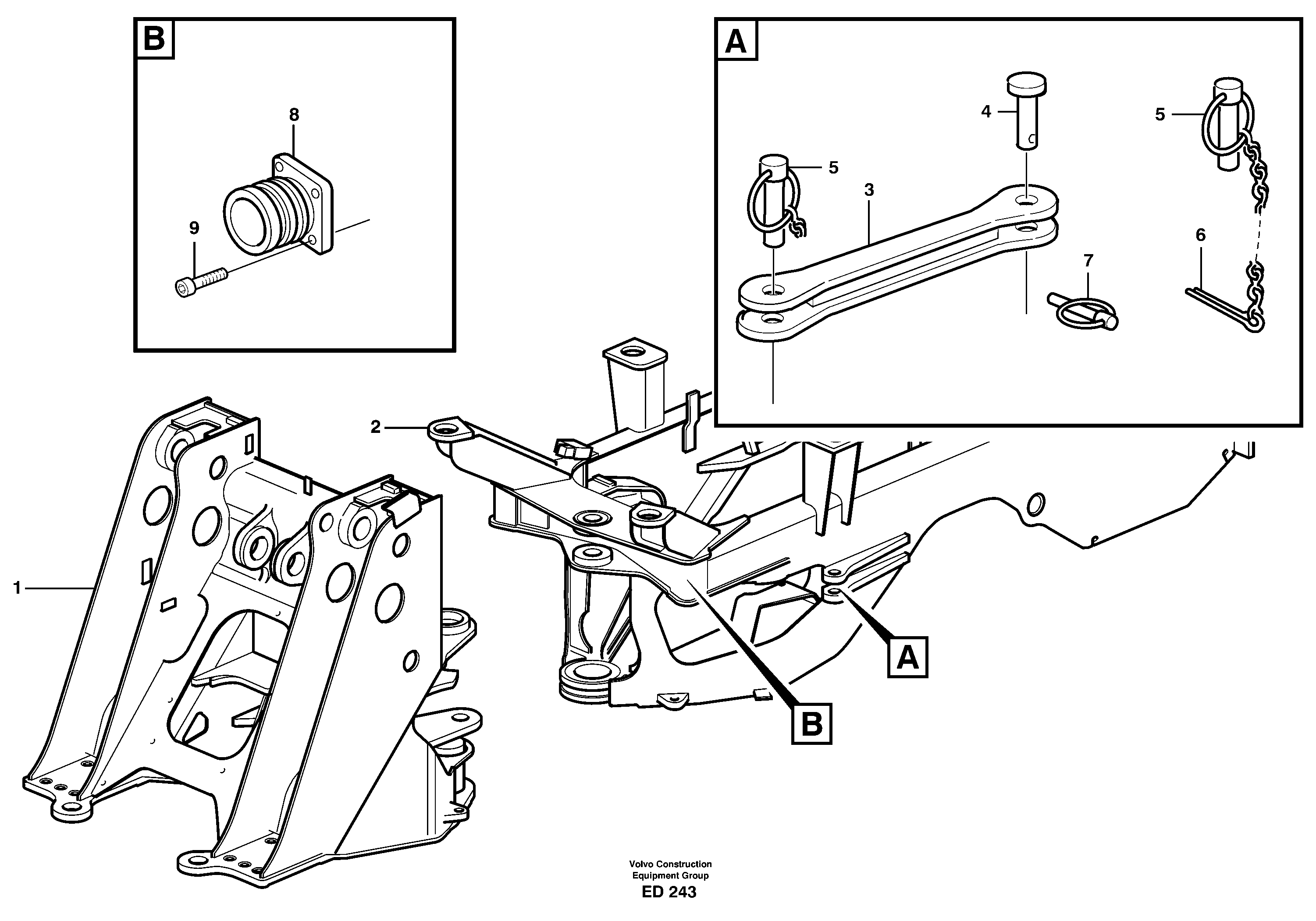
1

VOE 11132800

Front frame

1шт.

2

VOE 11132000

Rear frame

1шт.

3

VOE 11177036

Transport Lock

1шт.

3

VOE 11177036

Transport Lock

1шт.

4

VOE 11015459

Палец

1шт.

5

VOE 11019676

Pivot Pin

1шт.

5

VOE 11019676

Pivot Pin

1шт.

6

VOE 907884

Cotter Pin

1шт.

7

VOE 11019682

Lock Pin

1шт.

8

VOE 11026989

Steering Damper

1шт.

8

VOE 11026989

Steering Damper

1шт.

9

VOE 959236

Allen Hd Screw

1шт.

Выбрано товаров: 0