Запчасти Volvo L90E 17103 Water pump and thermostat housing L90E

Схема запчастей Volvo L90E - 17103 Water pump and thermostat housing L90E
FIT
1:1
100%

Артикул

Название

Примечание

Количество

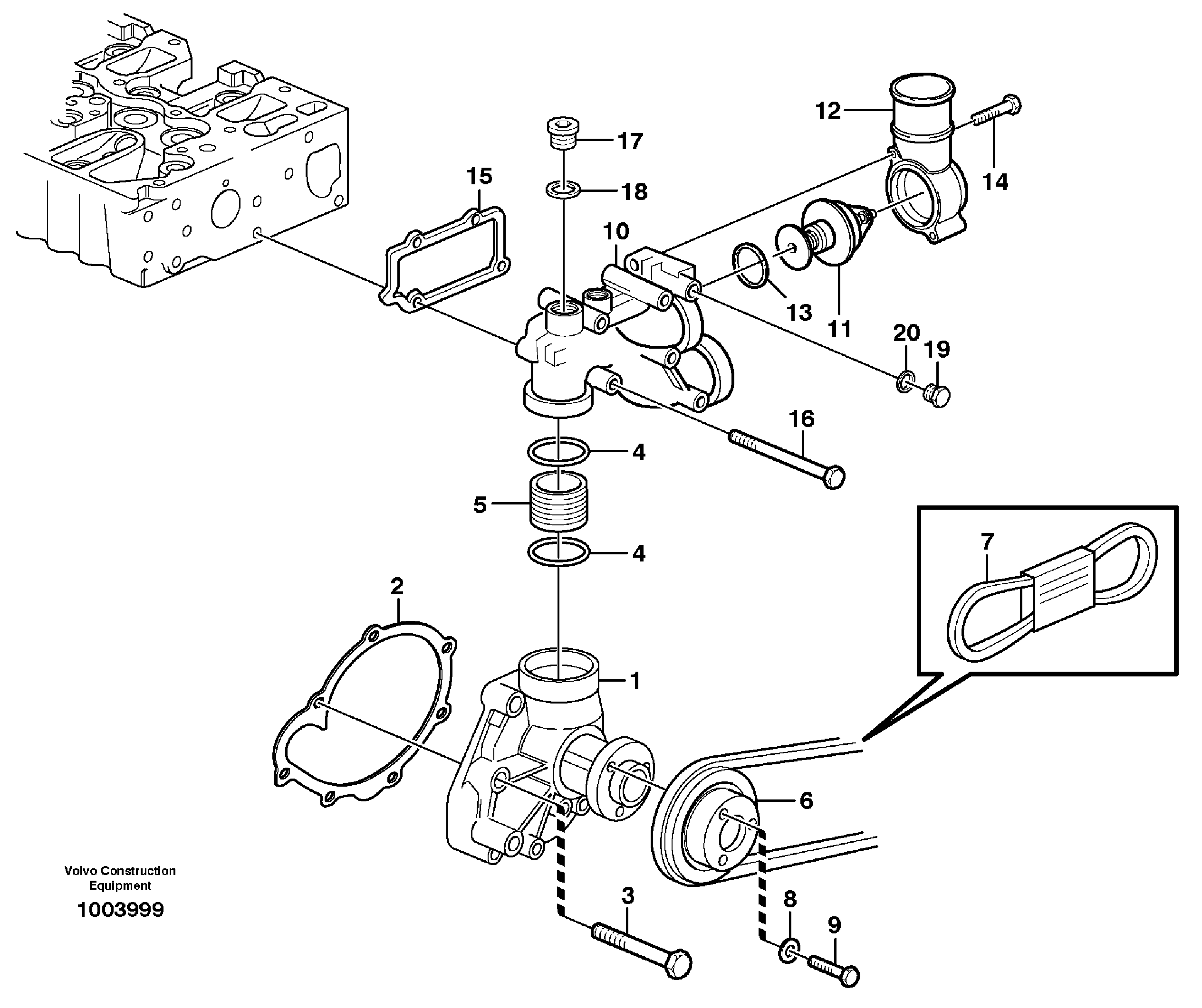
1

VOE 21072752

Coolant Pump

1шт.

10

VOE 20839090

Картер (корпус)

1шт.

11

VOE 20450736

Термостат

1шт.

11

VOE 20450736

Термостат

1шт.

12

VOE 20450735

Outlet

1шт.

13

VOE 20459961

Кольцо уплотнительное

1шт.

13

VOE 20459961

Кольцо уплотнительное

1шт.

14

VOE 20405672

Болт

1шт.

14

VOE 20405672

Болт

1шт.

15

VOE 20459958

Прокладка

1шт.

16

VOE 20534599

Болт

1шт.

17

VOE 20459195

Пробка (заглушка)

1шт.

17

VOE 20459195

Пробка (заглушка)

1шт.

18

VOE 13947628

Plane gasket

1шт.

18

VOE 13947628

Plane gasket

1шт.

19

VOE 20459941

пробки

1шт.

19

VOE 20459941

Пробка (заглушка)

1шт.

2

VOE 20459948

Прокладка

1шт.

20

VOE 20459942

Кольцо уплотнительное

1шт.

20

VOE 20459942

Кольцо уплотнительное

1шт.

3

VOE 20412324

Болт

1шт.

3

VOE 20412324

Болт

1шт.

4

VOE 11700522

Кольцо уплотнительное (О-кольцо)

1шт.

4

VOE 11700522

Кольцо уплотнительное (О-кольцо)

1шт.

5

VOE 11700521

Втулка (распорная)

1шт.

5

VOE 11700521

Втулка (распорная)

1шт.

6

VOE 20496587

Шкив

1шт.

7

VOE 978710

Ремень клиновой (приводной)

1шт.

8

VOE 20450745

Шайба

1шт.

8

VOE 20450745

Шайба

1шт.

9

VOE 20405792

Болт

1шт.

9

VOE 20405792

Болт

1шт.

Выбрано товаров: 32