Запчасти Volvo PL4608 51378 Swing motor with mounting parts

Схема запчастей Volvo PL4608 - 51378 Swing motor with mounting parts
FIT
1:1
100%

Артикул

Название

Примечание

Количество

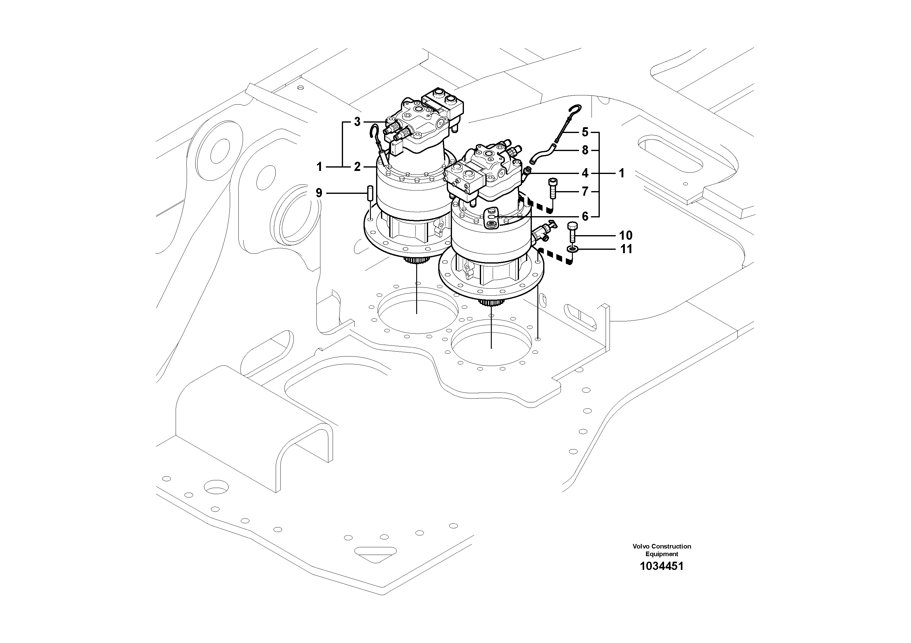
1

VOE 14573670

Поворотный редуктор (Гидромотор поворота платформы)

1шт.

10

VOE 978949

Винт шестигранник

1шт.

10

VOE 978949

Винт шестигранник

1шт.

11

SA 9211-20000

Шайба

1шт.

2

VOE 14541030

Gearbox

1шт.

3

VOE 14550092

Поворотный редуктор (Гидромотор поворота платформы)

1шт.

4

VOE 14514380

Трубка

1шт.

5

VOE 14514385

Gauge

1шт.

6

SA 9541-01035

Кольцо

1шт.

7

VOE 984088

Болт

1шт.

8

VOE 14514382

Трубка

1шт.

9

VOE 14531024

Палец

1шт.

Выбрано товаров: 12