Запчасти Volvo RW100A S/N 196960 - 91752 Коробка передач (КПП, трансмиссия)

Схема запчастей Volvo RW100A S/N 196960 - - 91752 Коробка передач (КПП, трансмиссия)
FIT
1:1
100%

Артикул

Название

Примечание

Количество

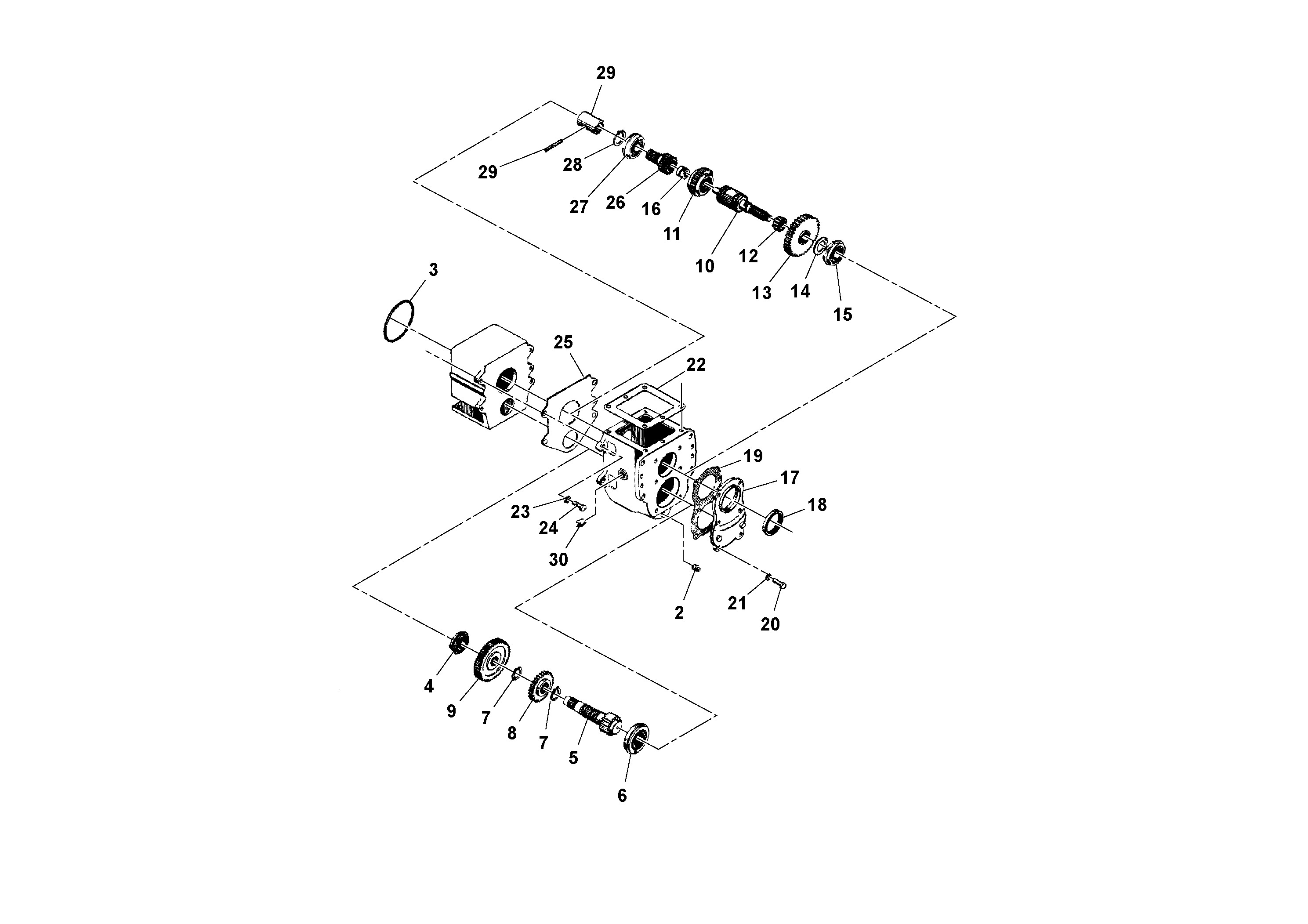
RM 95931432

Стопорная шайба (кольцо)

1шт.

RM 95931432

Стопорная шайба (кольцо)

1шт.

10

RM 20923934

Вал

1шт.

11

RM 20923942

Gear

1шт.

12

RM 20923959

Комплект подшипника

1шт.

13

RM 20923850

Gear

1шт.

14

RM 20924114

Шайба

1шт.

15

RM 20931069

Подшипник

1шт.

16

RM 20923967

Подшипник

1шт.

17

RM 20168084

Крышка

REAR

1шт.

18

RM 20931812

Sealing

REAR

1шт.

19

RM 20923868

Прокладка

REAR

1шт.

2

RM 20937165

Tube plug

1шт.

20

RM 95920674

Винт шестигранник

1шт.

20

RM 95920674

Винт шестигранник

1шт.

21

RM 15490709

Шайба

1шт.

22

RM 20923884

Прокладка

1шт.

23

RM 95931473

Стопорная шайба (кольцо)

1шт.

24

RM 95935177

Винт шестигранник

1шт.

25

RM 15491343

Прокладка

FRONT

1шт.

26

RM 20923975

Input shaft

1шт.

27

RM 20931077

Подшипник

INPUT

1шт.

28

RM 95223434

Retaining ring

1шт.

28

RM 95223434

Retaining ring

1шт.

29

RM 20168605

Coupling piece

1шт.

3

RM 20932174

Кольцо уплотнительное (О-кольцо)

1шт.

30

RM 95033601

Пробка (заглушка)

1шт.

4

RM 20931028

Подшипник

COUNTER REAR

1шт.

5

RM 20923835

Gear

1шт.

6

RM 20931051

Подшипник

COUNTER REAR

1шт.

7

RM 95228425

Retaining ring

1шт.

8

RM 20923926

Gear

COUNTER 2ND

1шт.

9

RM 20923843

Gear

COUNTER DRIVEN

1шт.

Выбрано товаров: 33