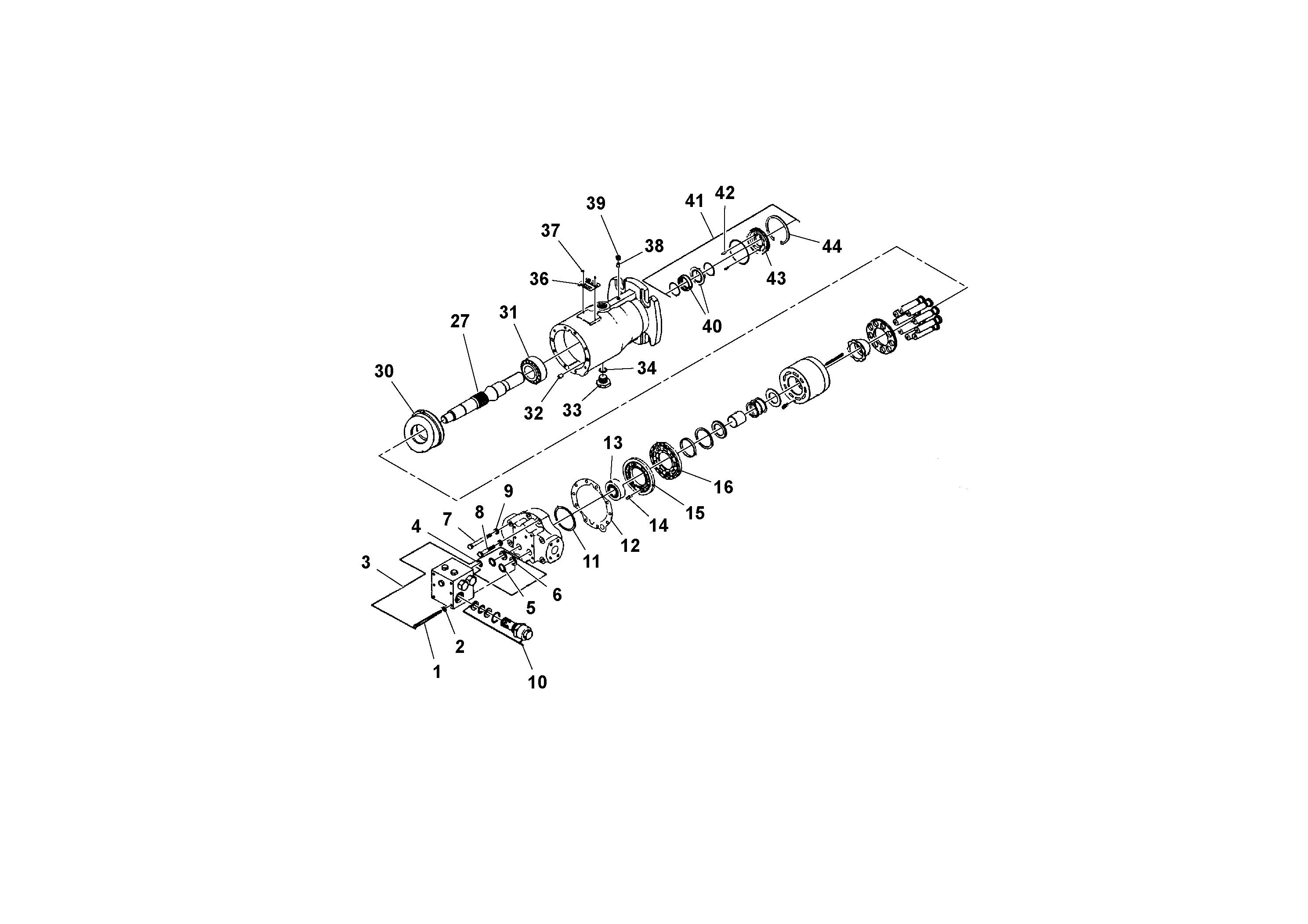
Запчасти Volvo RW100A S/N 196960 - 93565 Traction Drive Motor

Схема запчастей Volvo RW100A S/N 196960 - - 93565 Traction Drive Motor
FIT
1:1
100%

Артикул

Название

Примечание

Количество

RM 59933119

Клапан предохранительный (разгрузочный, сброса давления)

1шт.

1

RM 58828351

Болт

1шт.

11

RM 13774534

Прокладка

1шт.

12

RM 59645168

Прокладка

1шт.

13

RM 20344461

Подшипник

1шт.

14

RM 59476606

Палец

1шт.

15

RM 50747369

Пластина

1шт.

16

RM 59423368

Bearing cover

1шт.

2

RM 50277680

Шайба

1шт.

3

RM 59888438

Корпус клапана (коллектор)

1шт.

30

RM 59645150

Пластина

1шт.

31

RM 59644997

Подшипник

1шт.

32

RM 59367748

Палец

1шт.

33

RM 50278001

Пробка (заглушка)

1шт.

34

RM 50278019

Кольцо уплотнительное (О-кольцо)

1шт.

34

RM 50278019

Кольцо уплотнительное (О-кольцо)

1шт.

38

RM 59645184

Палец

1шт.

39

RM 50278068

Tube plug

1шт.

4

RM 95210258

Кольцо уплотнительное (О-кольцо)

1шт.

4

RM 95210258

Кольцо уплотнительное (О-кольцо)

1шт.

40

RM 59553461

Sealing kit

1шт.

41

RM 50435189

Sealing kit

1шт.

42

RM 50278092

Палец

1шт.

43

RM 20170130

Тарелка клапана

1шт.

44

RM 59477216

Retaining ring

1шт.

5

RM 95086062

Кольцо уплотнительное (О-кольцо)

1шт.

6

RM 20170270

Кольцо уплотнительное (О-кольцо)

1шт.

7

RM 59553032

Болт

1шт.

8

RM 59553024

Болт

1шт.

9

RM 95931432

Стопорная шайба (кольцо)

1шт.

9

RM 95931432

Стопорная шайба (кольцо)

1шт.

98

RM 19291681

Гидромотор

NOT SHOWN, ARC

1шт.

Выбрано товаров: 32