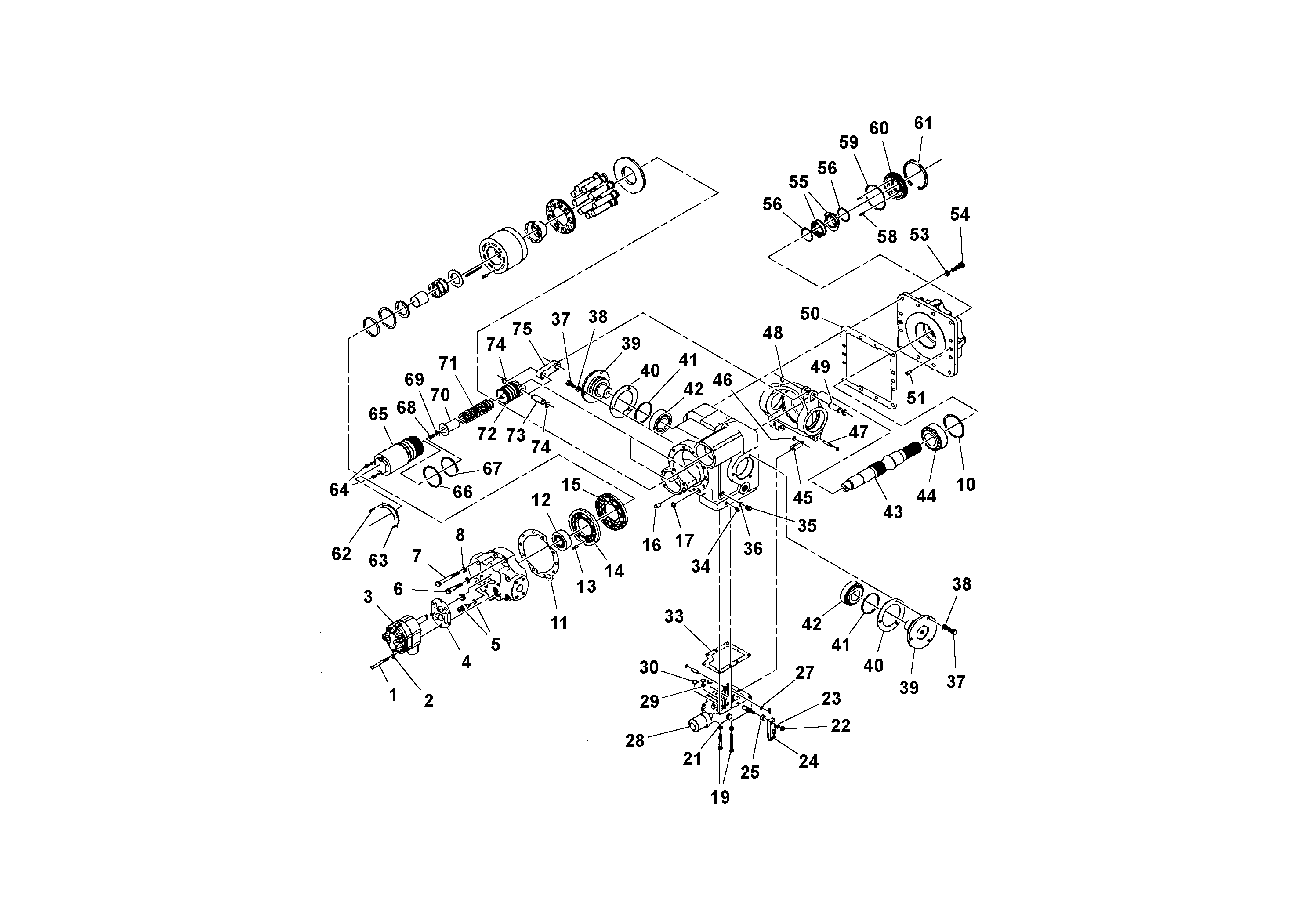
Запчасти Volvo RW100A S/N 196960 - 96778 Traction Drive Pump

Схема запчастей Volvo RW100A S/N 196960 - - 96778 Traction Drive Pump
FIT
1:1
100%

Артикул

Название

Примечание

Количество

RM 95097663

Кольцо уплотнительное (О-кольцо)

1шт.

RM 59477224

Кольцо уплотнительное (О-кольцо)

1шт.

RM 59395657

Втулка

1шт.

RM 15492721

Клапан предохранительный (разгрузочный, сброса давления)

1шт.

RM 20170213

Кольцо уплотнительное (О-кольцо)

1шт.

1

RM 13061635

Болт

1шт.

10

RM 13774534

Прокладка

1шт.

11

RM 59645168

Прокладка

1шт.

12

RM 20344461

Подшипник

1шт.

13

RM 59476606

Палец

1шт.

14

RM 59644898

Пластина

1шт.

15

RM 59423368

Bearing cover

1шт.

16

RM 59367748

Палец

1шт.

17

RM 95097663

Кольцо уплотнительное (О-кольцо)

1шт.

19

RM 13061643

Болт

1шт.

2

RM 95931382

Стопорная шайба (кольцо)

1шт.

2

RM 95931382

Стопорная шайба (кольцо)

1шт.

21

RM 95931382

Стопорная шайба (кольцо)

1шт.

21

RM 95931382

Стопорная шайба (кольцо)

1шт.

22

RM 59932426

Lock nut

1шт.

23

RM 50279090

Шайба

1шт.

24

RM 59932418

Control handle

1шт.

25

RM 50279074

Вставка

1шт.

27

RM 95931382

Стопорная шайба (кольцо)

1шт.

27

RM 95931382

Стопорная шайба (кольцо)

1шт.

28

RM 20169959

Клапан регулирующий (распределительный)

1шт.

29

RM 59568642

Пробка (заглушка)

1шт.

3

RM 13061650

Насос

1шт.

30

RM 95097663

Кольцо уплотнительное (О-кольцо)

1шт.

33

RM 59802454

Прокладка

1шт.

34

RM 50278068

Tube plug

1шт.

35

RM 59618983

Пробка (заглушка)

1шт.

36

RM 50278894

Кольцо уплотнительное (О-кольцо)

1шт.

37

RM 59477166

Болт

1шт.

38

RM 95931432

Стопорная шайба (кольцо)

1шт.

38

RM 95931432

Стопорная шайба (кольцо)

1шт.

39

RM 59141119

Подшипник

TRUNNION & BEARING

1шт.

4

RM 50278571

Прокладка

1шт.

40

RM 59644807

Shim kit

1шт.

41

RM 59476614

Кольцо уплотнительное (О-кольцо)

1шт.

42

RM 20309266

Подшипник

1шт.

43

RM 20170064

Вал насоса

1шт.

44

RM 59644997

Подшипник

1шт.

45

RM 50278811

Тяга поворотная

1шт.

46

RM 50278803

Retaining ring

1шт.

47

RM 59595637

Палец

1шт.

48

RM 59595645

Retaining ring

1шт.

49

RM 59595637

Палец

1шт.

5

RM 50278506

Non-return valve kit

1шт.

50

RM 59644922

Прокладка

1шт.

51

RM 59367748

Палец

1шт.

53

RM 95931432

Стопорная шайба (кольцо)

1шт.

53

RM 95931432

Стопорная шайба (кольцо)

1шт.

54

RM 59477125

Болт

1шт.

55

RM 59553461

Sealing kit

1шт.

56

RM 95086153

Кольцо уплотнительное (О-кольцо)

1шт.

57

RM 50278100

Пружина

NOT SHOWN

1шт.

58

RM 50278092

Палец

1шт.

59

RM 59644781

Кольцо уплотнительное (О-кольцо)

1шт.

6

RM 59553024

Болт

1шт.

60

RM 59617936

Sealing

1шт.

61

RM 59477216

Retaining ring

1шт.

62

RM 59476697

Болт

1шт.

63

RM 50278647

Retaining sleeve

1шт.

64

RM 59568220

Пробка (заглушка)

1шт.

65

RM 50278514

Втулка (распорная)

1шт.

66

RM 95086286

Кольцо уплотнительное (О-кольцо)

1шт.

67

RM 95086260

Кольцо уплотнительное (О-кольцо)

1шт.

68

RM 59423350

Болт

1шт.

69

RM 50278696

Шайба

1шт.

7

RM 59553032

Болт

1шт.

70

RM 50278704

Spring guide

1шт.

71

RM 50278712

Пружина

1шт.

72

RM 15492788

Поршень

1шт.

73

RM 59595637

Палец

1шт.

74

RM 59595637

Палец

1шт.

75

RM 59644849

Тяга поворотная

1шт.

8

RM 95931432

Стопорная шайба (кольцо)

1шт.

8

RM 95931432

Стопорная шайба (кольцо)

1шт.

98

RM 19291673

Насос

NOT SHOWN, ARC

1шт.

Выбрано товаров: 80