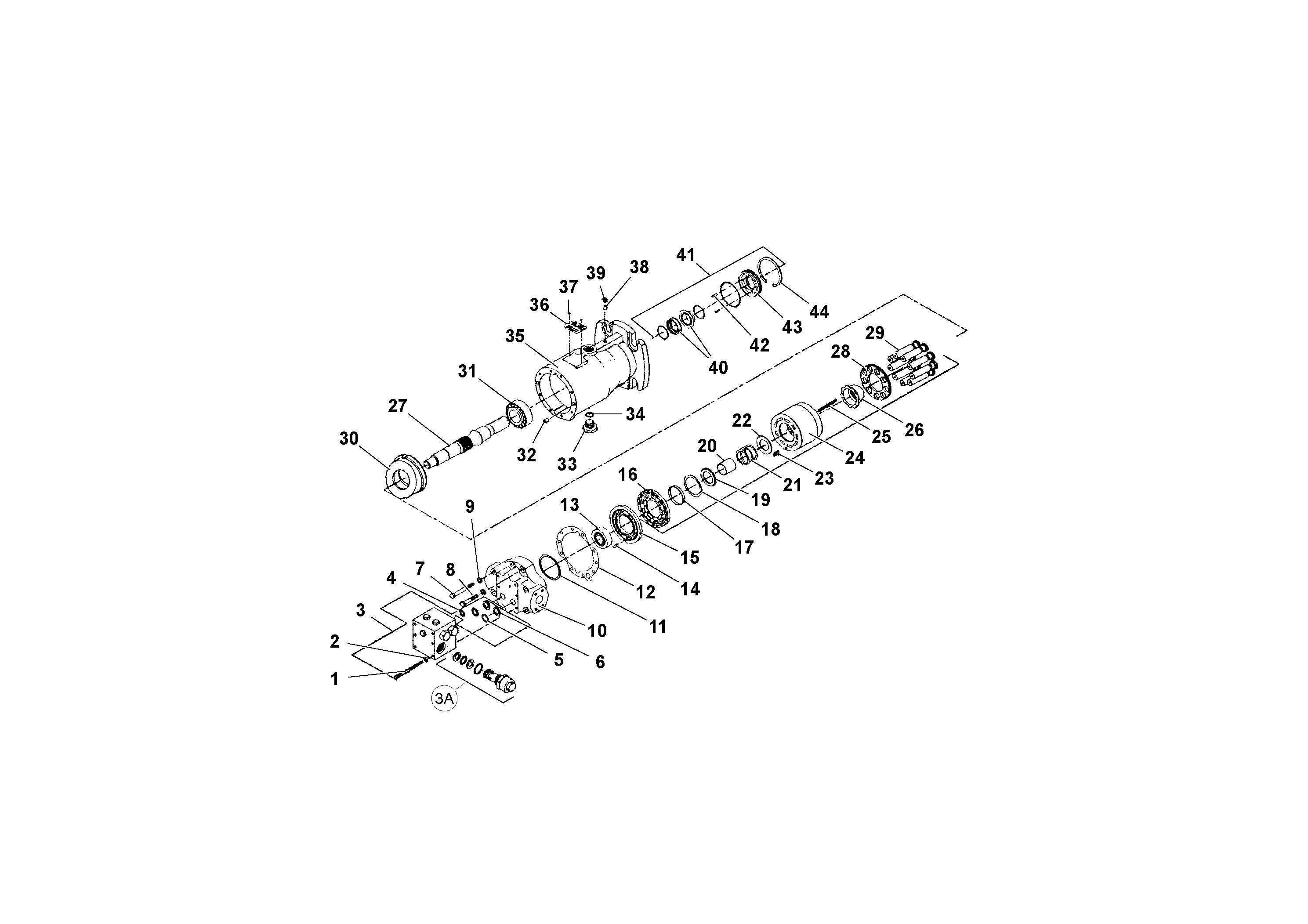
Запчасти Volvo RW195D S/N 197517- 38328 Traction Drive Motor

Схема запчастей Volvo RW195D S/N 197517- - 38328 Traction Drive Motor
FIT
1:1
100%

Артикул

Название

Примечание

Количество

RM 20924866

Гидромотор

1шт.

RM 20924866

Гидромотор

1шт.

RM 20926010

Кольцо уплотнительное (О-кольцо)

1шт.

RM 20925392

Sealing kit

1шт.

RM 20170189

Блок цилиндров

1шт.

11

RM 13774534

Прокладка

1шт.

12

RM 20169975

Прокладка

1шт.

13

RM 20344461

Подшипник

REAR

1шт.

14

RM 13774526

Палец

1шт.

15

RM 20924874

Valve plate

1шт.

16

RM 59423368

Bearing cover

1шт.

17

RM 13774468

Кольцо

1шт.

21

RM 13774450

Пружина

1шт.

24

RM 15492804

Блок цилиндров

1шт.

25

RM 15492796

Пружина

1шт.

26

RM 15492812

Guide

1шт.

27

RM 15492903

Вал приводной (ведущий)

1шт.

28

RM 15492820

Тарелка клапана

1шт.

29

RM 15492838

Поршень

1шт.

3

RM 20170247

Корпус клапана (коллектор)

1шт.

31

RM 20170072

Подшипник

FRONT

1шт.

34

RM 20170296

Кольцо уплотнительное (О-кольцо)

1шт.

39

RM 13774427

Пробка (заглушка)

1шт.

3A

RM 59933119

Клапан предохранительный (разгрузочный, сброса давления)

1шт.

4

RM 20170254

Кольцо уплотнительное (О-кольцо)

1шт.

40

RM 15492770

Sealing

1шт.

41

RM 20169926

Sealing

1шт.

42

RM 20170114

Палец

1шт.

43

RM 20170130

Тарелка клапана

1шт.

44

RM 20170148

Кольцо

1шт.

5

RM 20170262

Кольцо уплотнительное (О-кольцо)

1шт.

6

RM 20170270

Кольцо уплотнительное (О-кольцо)

1шт.

9

RM 15492762

Шайба

1шт.

Выбрано товаров: 33