Качественные детали и логистика
Оригинальные и аналоговые запчасти с доставкой по России, Казахстану и Беларуси
©2022 PartSell ООО "Система" ИНН 2463123282 ОГРН 1212400004838
Центральный офис: г. Красноярск, Академика Киренского, д.87, пом.4
Телефон: 8 (800) 777-65-74 Email: zakaz@partsell.ru
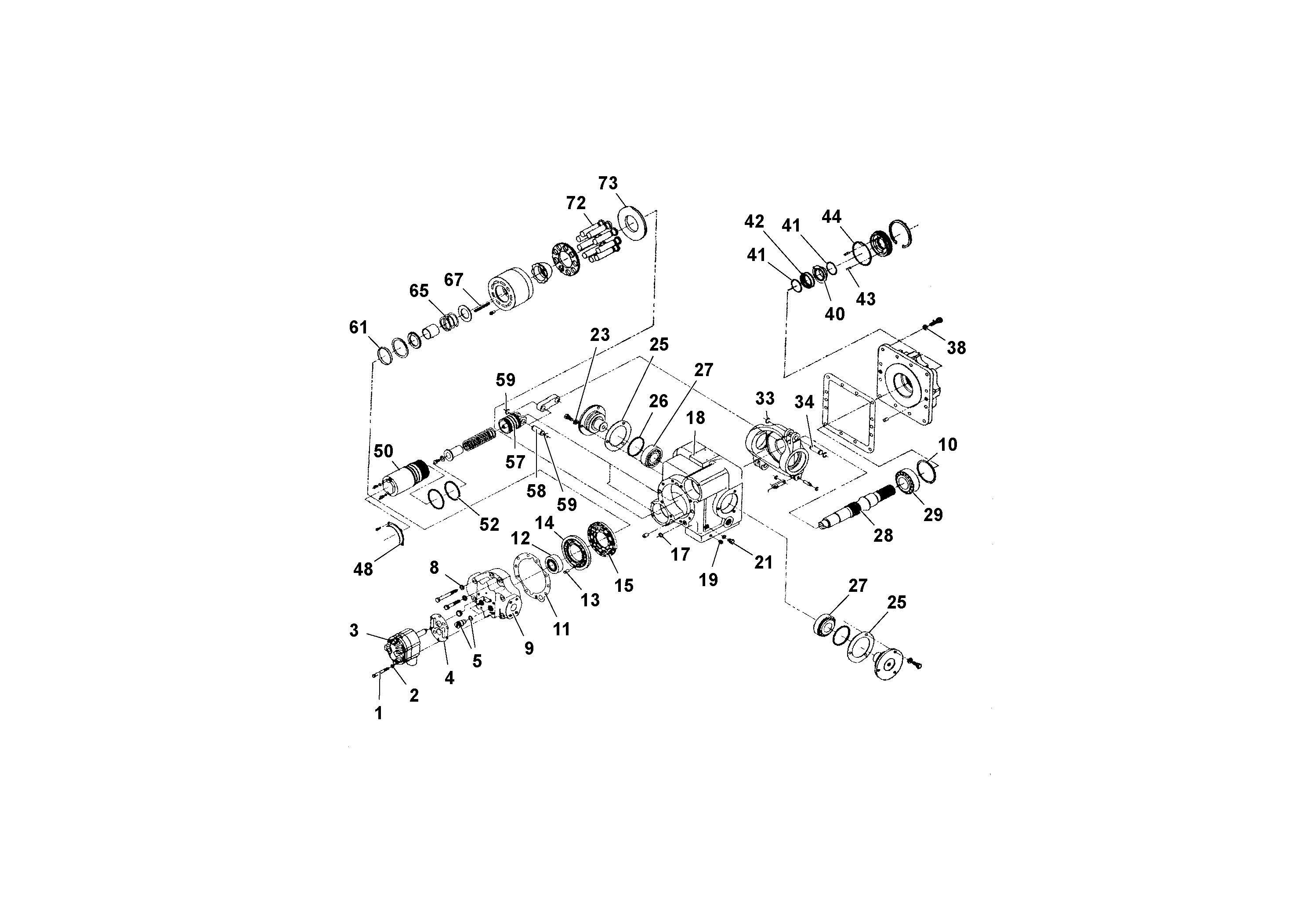
21890 Conveyor Drive Pump
№
Артикул
Название
Примечание
Количество
50
RM 13774476
Втулка (распорная)
1шт.
51
RM 20170155
Кольцо уплотнительное (О-кольцо)
52
RM 20170163
57
RM 15492788
Поршень
58
RM 13774583
Палец
59
RM 13774500
Retaining ring
61
RM 13774468
Кольцо
65
RM 13774450
Пружина
67
RM 15492796
69
RM 15492804
Блок цилиндров
70
RM 15492812
Guide
71
RM 15492820
Тарелка клапана
72
RM 15492838
73
RM 20170171
Пластина
Выбрано товаров: 0