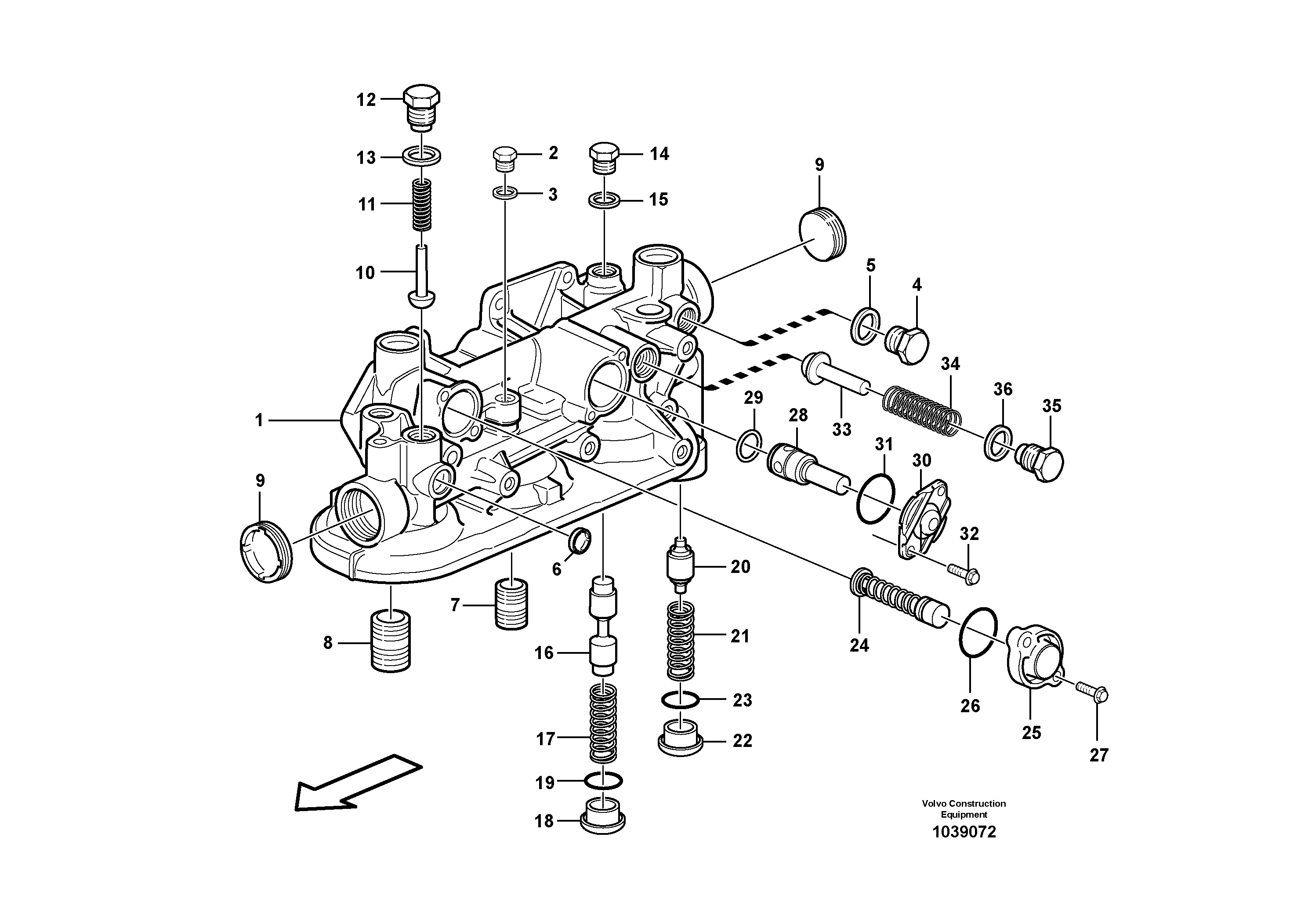
Запчасти Volvo FB2800C 73933 Oil filter housing

Схема запчастей Volvo FB2800C - 73933 Oil filter housing
FIT
1:1
100%

Артикул

Название

Примечание

Количество

VOE 21175039

Oil filter housing

1шт.

VOE 421547

Valve Peg

1шт.

VOE 469332

Compression spring

1шт.

VOE 976039

Кольцо уплотнительное (О-кольцо)

1шт.

VOE 955964

Retaining ring

1шт.

1

VOE 20743633

Oil filter housing

1шт.

10

VOE 471085

Valve cone

1шт.

11

VOE 466653

Compression spring

1шт.

11

VOE 466653

Compression spring

1шт.

12

VOE 471598

Пробка (заглушка)

1шт.

13

VOE 13947627

Plane gasket

1шт.

13

VOE 13947627

Plane gasket

1шт.

14

VOE 960631

Пробка (заглушка)

1шт.

15

VOE 13947622

Plane gasket

1шт.

15

VOE 13947622

Plane gasket

1шт.

16

VOE 20845937

Поршень

1шт.

17

VOE 20464676

Пружина

1шт.

18

VOE 20726931

Пробка (заглушка)

1шт.

19

VOE 13947629

Plane gasket

1шт.

19

VOE 13947629

Plane gasket

1шт.

2

VOE 960629

Пробка (заглушка)

1шт.

2

VOE 960629

Пробка (заглушка)

1шт.

20

VOE 20440779

Valve Cone

1шт.

21

VOE 20464676

Пружина

1шт.

22

VOE 20381215

Пробка (заглушка)

1шт.

23

VOE 13947629

Plane gasket

1шт.

23

VOE 13947629

Plane gasket

1шт.

24

VOE 3169687

Клапан предохранительный (разгрузочный, сброса давления)

1шт.

25

VOE 3184806

Крышка

1шт.

26

VOE 949659

Кольцо уплотнительное (О-кольцо)

1шт.

26

VOE 949659

Кольцо уплотнительное (О-кольцо)

1шт.

27

VOE 13947542

Болт

1шт.

27

VOE 13947542

Болт

1шт.

28

VOE 471706

Reduction valve

1шт.

28

VOE 471706

Reduction valve

1шт.

29

VOE 469846

Кольцо уплотнительное

1шт.

29

VOE 469846

Кольцо уплотнительное

1шт.

3

VOE 13947282

Прокладка

1шт.

3

VOE 13947282

Прокладка

1шт.

30

VOE 471648

Крышка

1шт.

31

VOE 949659

Кольцо уплотнительное (О-кольцо)

1шт.

31

VOE 949659

Кольцо уплотнительное (О-кольцо)

1шт.

32

VOE 13947542

Болт

1шт.

32

VOE 13947542

Болт

1шт.

33

VOE 471085

Valve cone

1шт.

34

VOE 466653

Compression spring

1шт.

34

VOE 466653

Compression spring

1шт.

35

VOE 471598

Пробка (заглушка)

1шт.

36

VOE 13947627

Plane gasket

1шт.

36

VOE 13947627

Plane gasket

1шт.

4

VOE 13960632

Пробка (заглушка)

1шт.

4

VOE 13960632

Пробка (заглушка)

1шт.

5

VOE 13947624

Plane gasket

1шт.

5

VOE 13947624

Plane gasket

1шт.

6

VOE 946778

Cap plug

1шт.

6

VOE 946778

Cap plug

1шт.

7

VOE 20542060

Nipple

1шт.

7

VOE 20542060

Nipple

1шт.

8

VOE 20542058

Nipple

1шт.

8

VOE 20542058

Nipple

1шт.

9

VOE 8131707

Cap plug

1шт.

9

VOE 8131707

Cap plug

1шт.

Выбрано товаров: 62