Запчасти Volvo FBR2800C 70699 Гидрораспределитель (главный управляющий клапан)

Схема запчастей Volvo FBR2800C - 70699 Гидрораспределитель (главный управляющий клапан)
FIT
1:1
100%

Артикул

Название

Примечание

Количество

VOE 14584509

Клапан регулирующий (распределительный)

1шт.

VOE 932039

Кольцо уплотнительное (О-кольцо)

1шт.

VOE 932039

Кольцо уплотнительное (О-кольцо)

1шт.

VOE 990414

Кольцо уплотнительное (О-кольцо)

1шт.

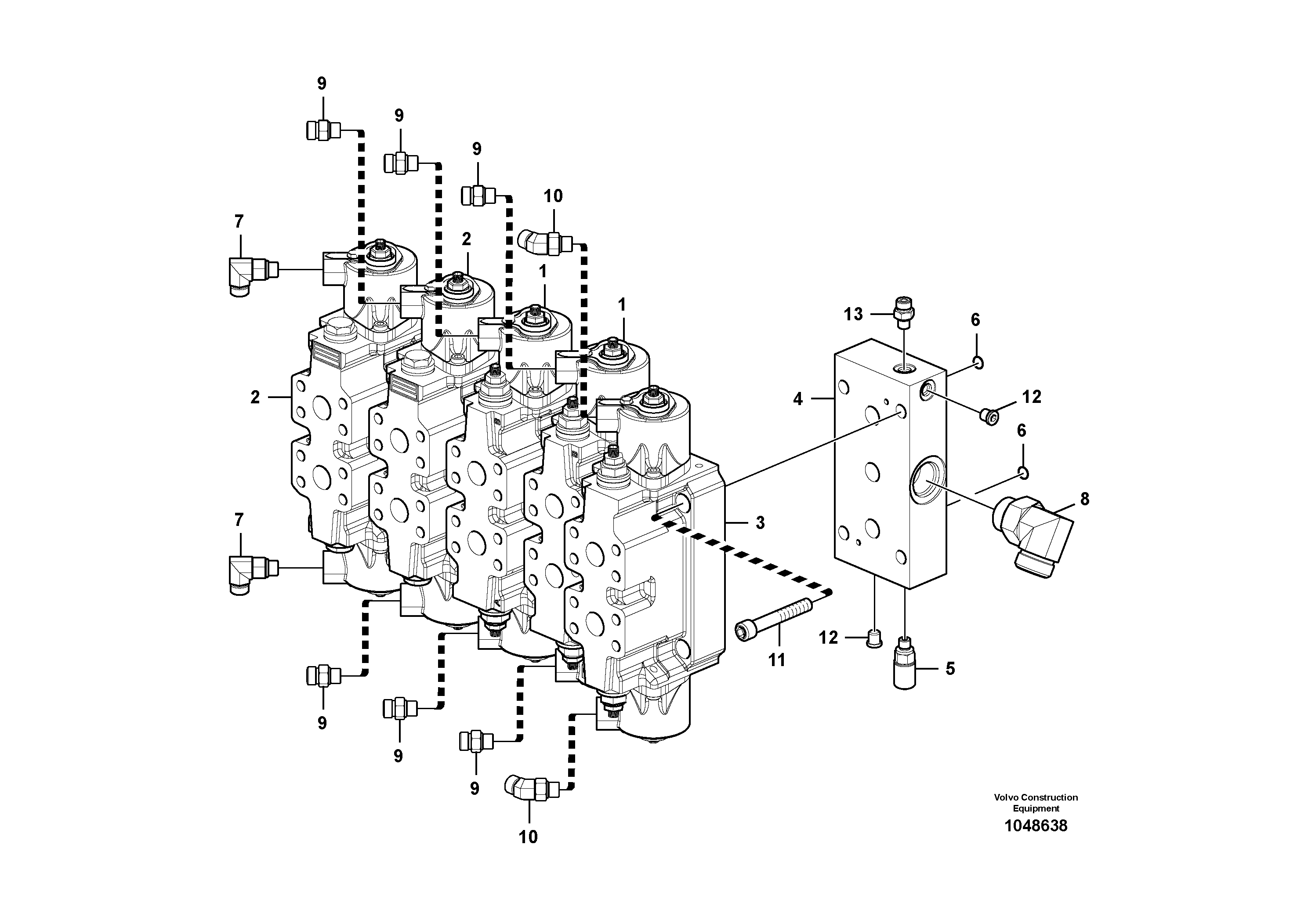
1

VOE 14580205

Клапан

1шт.

10

VOE 935640

Elbow nipple

1шт.

10

VOE 935640

Elbow nipple

1шт.

11

VOE 984344

Allen Hd Screw

1шт.

12

VOE 984653

Пробка (заглушка)

1шт.

13

VOE 935082

Nipple

1шт.

13

VOE 935082

Nipple

1шт.

2

VOE 14580208

Клапан

1шт.

3

VOE 14580955

Клапан

1шт.

4

VOE 14581948

Корпус клапана

1шт.

5

VOE 936446

Testing nipple

1шт.

6

VOE 14584048

Кольцо уплотнительное (О-кольцо)

1шт.

7

VOE 935069

Elbow nipple

1шт.

7

VOE 935069

Elbow nipple

1шт.

8

VOE 935013

Elbow nipple

1шт.

8

VOE 935013

Elbow nipple

1шт.

9

VOE 935085

Nipple

1шт.

9

VOE 935085

Nipple

1шт.

Выбрано товаров: 22