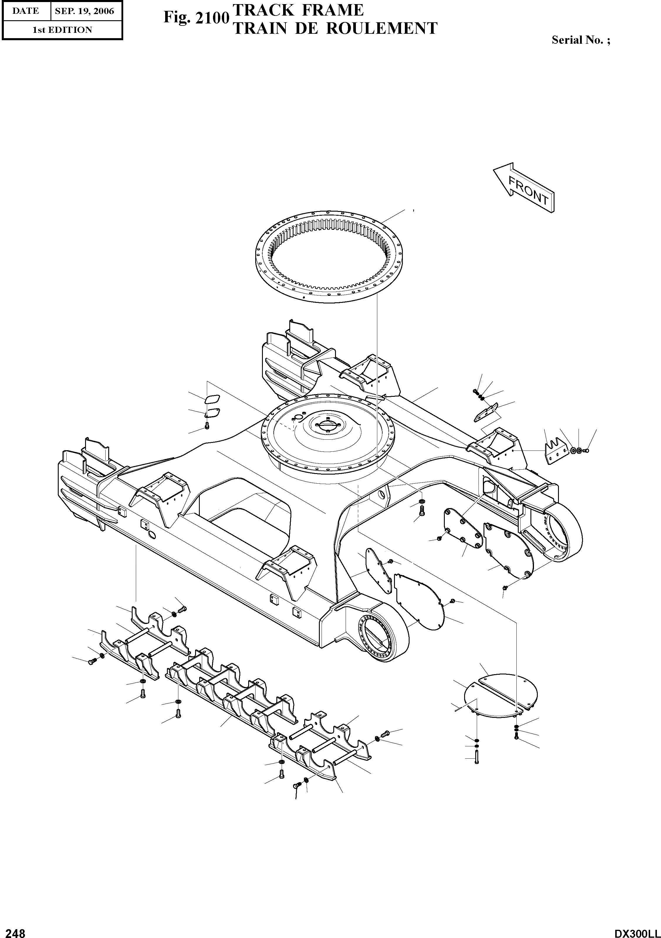
109-00181A Опорно-поворотный круг DX300, , 140109-00010
Заказать расчет, стоимость и сроки поставки 109-00181A
Применимость запчасти
Всего используется в 2 узлов, посмотреть полную применимостьПрименяется в спецтехнике
Варианты написания артикула
- 10900181a
- 109-00181A
Категории товара
Похожие запчасти
- 140109-00010 Круг поворотный DOOSAN DX300, 140109-00010
- 140109-00010 Круг поворотный DOOSAN DX300, 140109-00010
- 109-00161 Круг поворота Doosan Solar 420LC-V, 140109-00039, 109-00161
- 206-25-00220 ОПОРНО-ПОВОРОТНЫЙ КРУГ
- 81n8-11010 Каток опорный 81E5-2002
- 904-50047 Сальник полуоси ступицы Corteco (Италия) 904/50047
- 917-50200 Подшипник полуоси - кулак поворотный JCB 917/50200
- 9260971 Опорно-поворотный круг ZX200-3, 9260971, , шт
- 109-0077 Кольцо уплотнительное теплообменника 109-0077 (WG) Caterpillar 30
- 4114753 Сальник редуктора хода 4634693
- 17m-27-00121 Уплотнение плавающее 208-27-00210 17M-27-00102 421-33-00021 287-33-00010 17M-27-
- 227-6081 2276081 Поворотный круг CAT320
- 287-33-00010 Плавающее уплотнение
- 9245728 Опорно-поворотный круг ZX240-3, 9245728, , шт
- 7t3408 Палец коронки, шт
- 8e8409 Кольцо стопорное, шт
- 109-0073 Уплотнение 109-0073 (WG
- 2705-1021 Палец коронки, шт
- 31qb-10140 Поворотный редуктор без мотора R520LC-9S (31QB-10140) TG, , шт
- 458-20041 Кулак поворотный JCB 458/20041