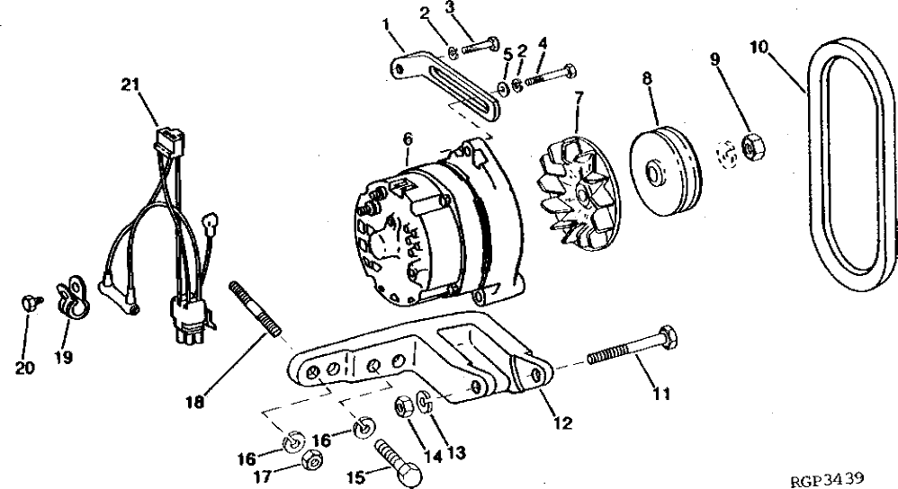
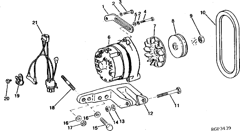
11204140 Генератор MAHLE MG568 AAK3870 для John Deere, аналоги RE161324, RE507631, RE537146, SE501341 (IMA304140)
Наличие 11204140 на складах, цены и сроки отгрузки
Артикул
Название
Производитель
Код
Город отгрузки
Срок отгрузки
Наличие
Стоимость
11204140
Генератор John Deere ENGINES, 28В 50А, AAK3870, RE537146, AT228217, AT175195
Mahle
106
Москва
1-2 дня
по запросу
34107 ₽
Показать больше
Информация, указанная на сайте, не является публичной офертой, носит справочно-информационный характер, может быть изменена в любое время без предварительного уведомления. Для получения актуальной информации о наличии, стоимости, сроков поставки товаров обращайтесь по адресу zakaz@partsell.ru
Заказать расчет, стоимость и сроки поставки 11204140
Аналоги 11204140
Производители
Применяется в спецтехнике
Категории товара
Похожие запчасти
- gb013-0277 Ремень приводной гладкий CR, JOHN DEERE 9660 STS - 9760 STS Self-Propelled Co
- ah150678 Ремень приводной гладкий CR, JOHN DEERE 9660 STS - 9760 STS Self-Propelled Co
- 12959 Генератор Tesla 12959 для John Deere 700K, John Deere PT 6.8л, аналоги RE538907
- r116515 Прокладка ГБЦ R116515 (CGR) John Deere 4045D PowerTech, 4045T PowerTech
- re44574 Сальник коленвала задний RE44574/TRE44574/RE11036 / RE537070 / DZ111672 / RE5
- r90658 Прокладка выпускного коллектора R90658/TR90658/R519488 /R109985/R52143
- r114083 Болт шатунный R114083 / TRE114083 / TR114083 (Maxiforce) John Deere 6068, 4045
- re526673 Набор прокладок верхний (c прокладкой ГБЦ R116516) RE526673/TRE52
- z-600 Z-600_GLOBELT_Ремень приводной гладкий Z37191
- re546906 Насос водяной RE546906/RE505980/RE500734/JDRE546906 (CGR) John Deere 4045D PowerTech, 4
- 6743-62-3710 РЕМЕНЬ ПРИВОДНОЙ, 6743-62-3710
- 600-821-9311 Генератор
- 6732-81-3330 Ремень 6743-62-3710
- 4892318 Генератор 24V 70A Cummins 6ISBe 4892318 5259577
- 207-70-73210 Палец штока г/ц ковша
- 6678205 Генератор 90А BOBCAT 6678205 Krauf
- 6162-63-1025 Насос для охлаждающей жидкости
- lf3000 Фильтр масляный LF3000
- 208-70-33181 О-кольцо
- 251450 ЗАПЧАСТЬ ELRING