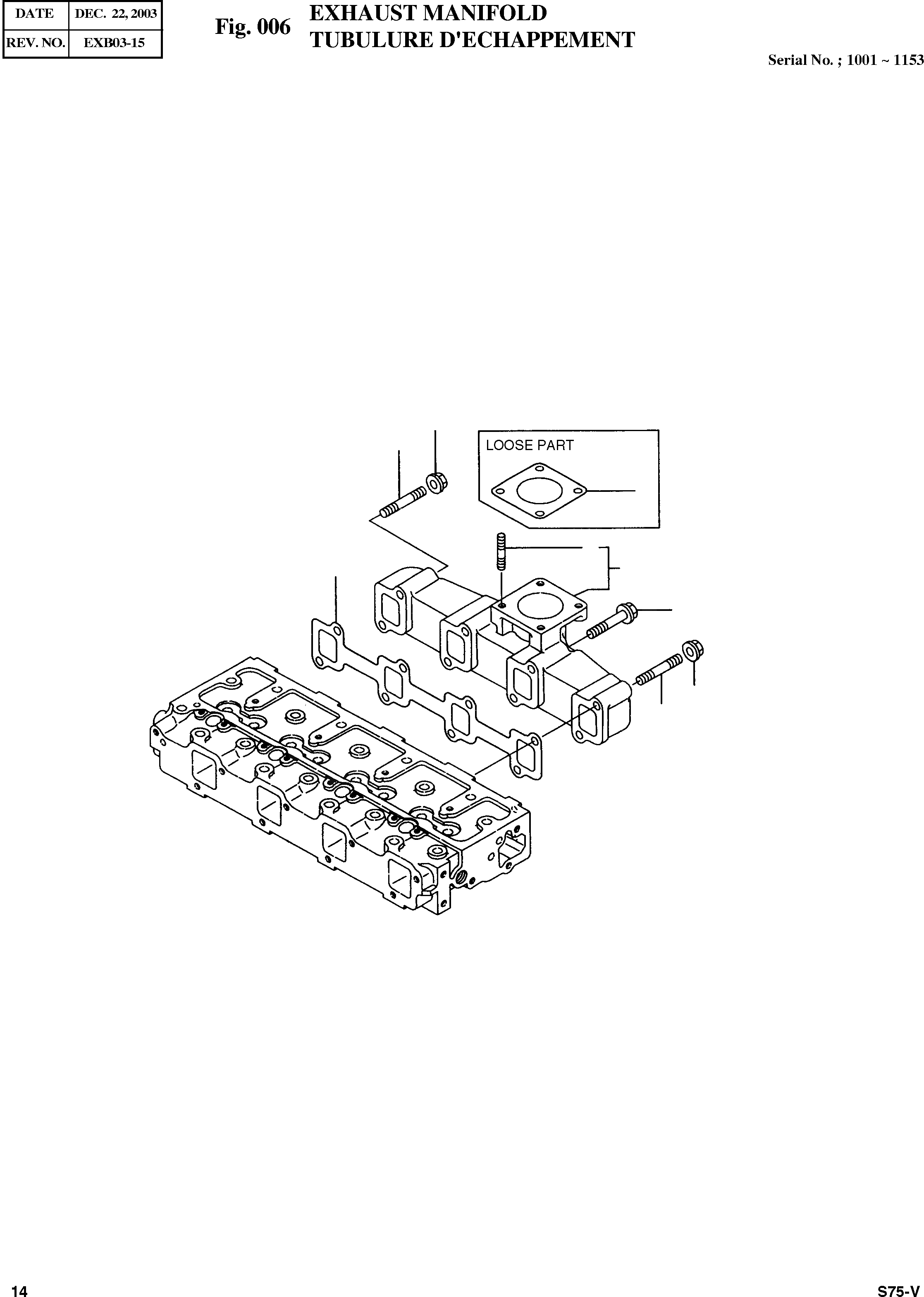
129400-13201 Прокладка глушителя, Yanmar 4TNE98,4TNE94, YM, Y
Заказать расчет, стоимость и сроки поставки 129400-13201
Применимость запчасти
Всего используется в 17 узлов, посмотреть полную применимостьАналоги 129400-13201
Производители
Применяется в спецтехнике
- Doosan Daewoo
- Hyundai
- Мини фронтальные погрузчики
- Погрузчики с бортовым поворотом
Варианты написания артикула
- 12940013201
- 129400-13201
Категории товара
Похожие запчасти
- ym129400-13201 Прокладка глушителя 129400-13201/ YM129400-13201/Y129400-13201 (Maxiforce) Yanmar
- y129400-13201 Прокладка глушителя, Yanmar 4TNE98,4TNE94
- y129900-11310 Прокладка крышки клапана, Yanmar, Komatsu 4TNE98, 4TNE94
- ym129900-11310 Прокладка крышки клапана 129900-11310/ Y129900-11310/YM129900-11310 (Maxiforc
- ym129150-11370 Наконечник клапана 129150-11370/YM129150-11370/Y129150-11370 (Maxiforce) Yanmar 4T
- ym129900-23911 Втулка шатуна 129900-23911 / YM129900-23911/Y129900-23911 (Maxiforce) Yanmar 4TNE98, 4T
- ym129900-11110 Клапан выпускной 129900-11110/Y129900-11110/ YM129900-11110 (Maxiforce) Yanmar,Komat
- ym129150-11810 Направляющая клапана выпускного 129150-11810/Y129150-11810/YM129150-11
- ym129900-32001 Масляный насос 129900-32001/Y129900-32001/YM129900-32001/YM129900-32000 / YM129907-320
- ym129900-23001 Шатун 129900-23001/YM129900-23001/Y129900-23001 (Maxiforce) Yanmar 4TNE98,4TNE94,4TNV94L,Т
- 3932475 Прокладка турбокомпрессора дв. Cummins ISF2.8 /3.8 3932475
- 17m-50-49290 Уплотнение 17A-50-12291
- 6150-61-1821 Прокладка 6150-61-1820
- 6150-11-5810 Прокладка выхлопного штуцера S6D125 PC400-7 6150-11-5810
- 3942915 Прокладка теплообменника Cummins 4/6BT 3942915 3930907 3960320 3918257 39297
- 6162-63-6841 Прокладка (6162-63-6841
- 3966708 Прокладка корпуса коромысел L C 3966708 5272959
- 187-1315 1871315 Прокладка ГБЦ
- 3682a011 Прокладка водяного насоса Perkins 3682A011 (915-785
- 2830444 Прокладка выпускного коллектора Cummins 6ISBe 2830444 5259850 3955339