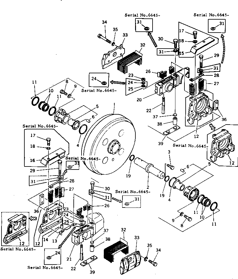
196-30-00032 Направляющее колесо в сборе D355C, , UX127K4E
Наличие 196-30-00032 на складах, цены и сроки отгрузки
Артикул
Название
Производитель
Код
Город отгрузки
Срок отгрузки
Наличие
Стоимость
196-30-00032
Колесо направляющее в сборе
Hoe Leong
45
Москва
2-3 дня
4 шт.
190453 ₽
Показать больше
196-30-00032
Колесо направляющее, 196-30-00032
CF
257
Москва
2-3дня
по запросу
323251 ₽
Показать больше
196-30-00032
Колесо направляющее в сборе, 196-30-00032
GT
257
Москва
2-3дня
2 шт.
324897 ₽
Показать больше
Информация, указанная на сайте, не является публичной офертой, носит справочно-информационный характер, может быть изменена в любое время без предварительного уведомления. Для получения актуальной информации о наличии, стоимости, сроков поставки товаров обращайтесь по адресу zakaz@partsell.ru
Заказать расчет, стоимость и сроки поставки 196-30-00032
Применимость запчасти
Всего используется в 2 узлов, посмотреть полную применимостьАналоги 196-30-00032
Производители
Применяется в спецтехнике
- Komatsu
- Трубоукладчики
Название запчасти
- Колесо направляющее в сборе (196-30-00032)
- ЛЕНИВЕЦ В СБОРЕ
- Направляющее колесо в сборе D355C, 196-30-00032, UX127K4E
- Направляющее колесо в сборе, 196-30-00133, 196-30-00032
Варианты написания артикула
- 1963000032
- 196-30-00032
Похожие запчасти
- 16y-40-03000 Колесо направляющее (d=72см, SD16/D65E-8), 16Y-40-03000
- 101-30-00160 Ленивец (колесо направляющее) в сборе на бульдозер Komats
- 3p4436 Колесо направляющее в сборе (3P4436
- 208-30-00222 Колесо направляющее в сборе Komatsu PC-400-7, 208-30-00222
- 9154690 Колесо направляющее
- 207-30-00160 Направляющее колесо в сборе (РС300-5/6) (UX101K2E) // 207-30-00161/ 207-3
- 195-30-00283 Колесо направляющее
- 144-30-00038 Колесо направляющее в сборе, шт
- 208-30-00201 Колесо направляющее 208-30-00300
- 20y-30-00321 Колесо направляющее 20Y-30-00320, шт
- 81n6-13010 Колесо направляющее
- 6156-71-1132 ТНВД в сборе 6156-71-1131
- 6156-11-3300 Форсунка в сборе
- 195-13-11512 Нагнетающее колесо 195-13-11522
- 705-11-38010 Насос гидравлики OEM
- 9306002 Колесо направляющее, шт
- 6128-11-3100 Форсунка в сборе
- 207-03-75120 Радиатор 208-03-71110
- 6151-12-1101 Головка блока цилиндров в сборе
- 111011030 Головка блока цилиндров в сборе Perkins 111011030 (KMP) Perkins, Caterpi