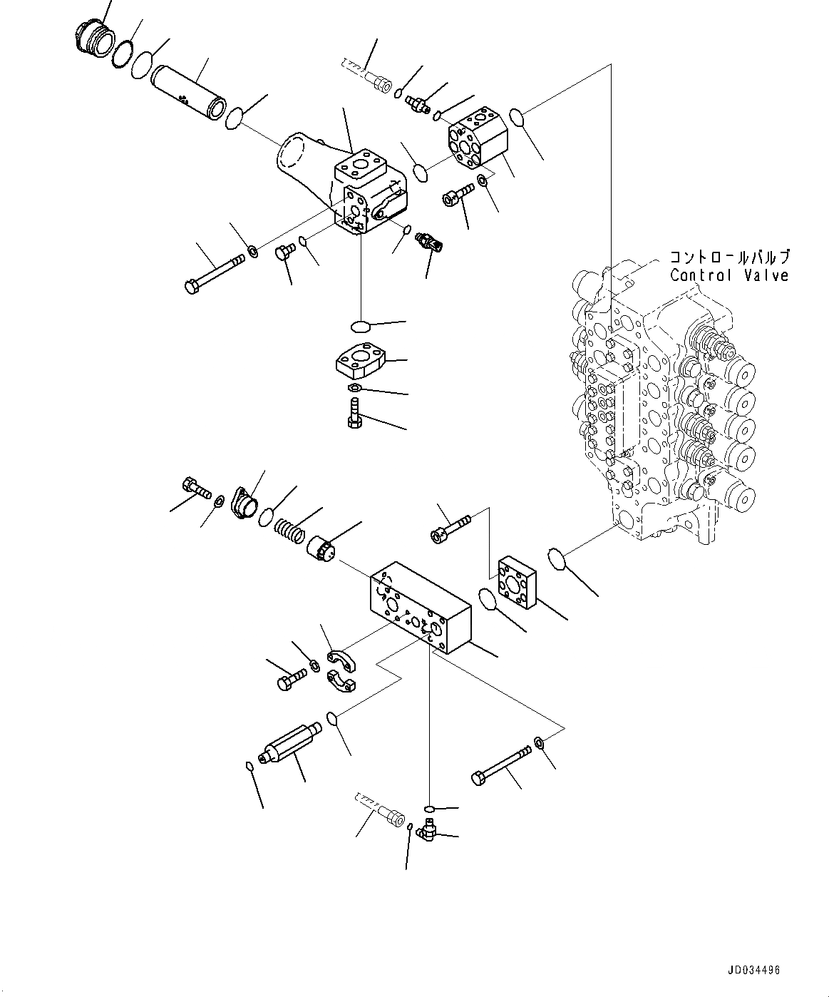
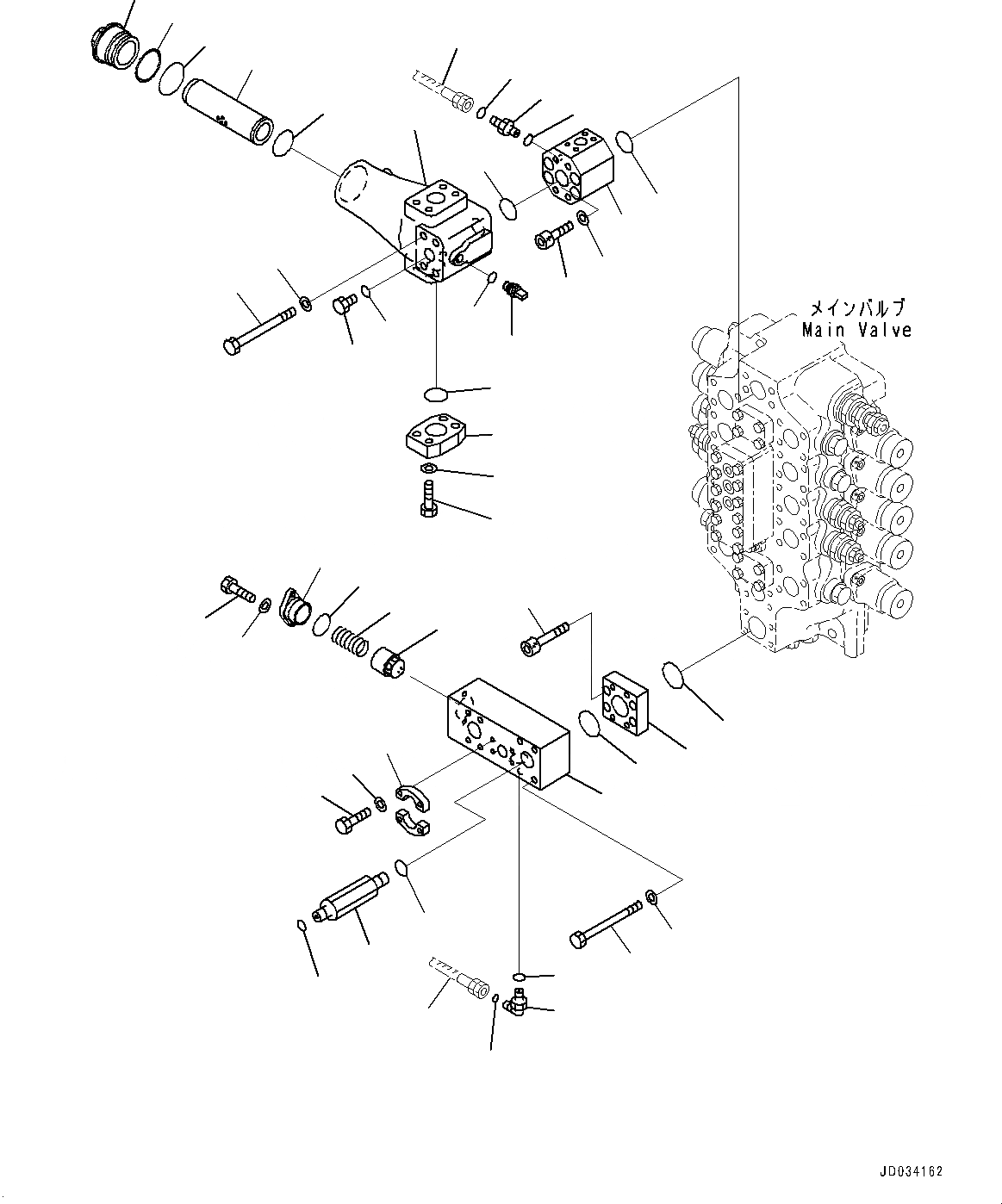
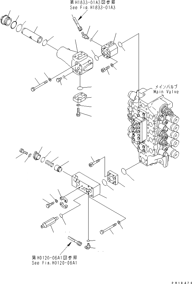
209-60-76501 КЛАПАН В СБОРЕ
Заказать расчет, стоимость и сроки поставки 209-60-76501
Применимость запчасти
- ОСНОВН. КЛАПАН (5-СЕКЦИОНН. КЛАПАН) (КЛАПАН КОНТРОЛЯ ПОДЪЕМА И ПРОХОДНОЙ ФИЛЬТР)
- ОСНОВН. КЛАПАН (5-СЕКЦИОНН. КЛАПАН) (КЛАПАН КОНТРОЛЯ ПОДЪЕМА И ПРОХОДНОЙ ФИЛЬТР)(№-)
- УПРАВЛЯЮЩ. КЛАПАН, КЛАПАН КОНТРОЛЯ ПОДЪЕМА И ПРОХОДНОЙ ФИЛЬТР (/) (№-)
- УПРАВЛЯЮЩ. КЛАПАН, КЛАПАН КОНТРОЛЯ ПОДЪЕМА И ПРОХОДНОЙ ФИЛЬТР (/) (№-)
Применяется в спецтехнике
- Komatsu
- Экскаваторы
Варианты написания артикула
- 2096076501
- 209-60-76501
Похожие запчасти
- 25222699 Клапан г/ц отвала (обратный клапан) 25/222699 25/954600 25/944100
- f934201210590 Клапан впускной (нов. F946201210200) ВПУСКНОЙ КЛАПАН (F934201210590,
- f00n201871 F00N201871 bosch перепускной клапан MAN (51125050032
- 702-16-09420 Джойстик левый
- 232-44-52620 232-44-52620 КЛАПАН В СБОРЕ
- 6693-22-5600 Клапан в сборе 6693-22-5610 6693-22-5620
- 723-40-93200 Клапан
- 723-40-92403 Клапан разгрузочный 723-40-92401 723-40-92402
- 723-46-45100 Клапан в сборе
- 195-13-16401 Клапан в сборе
- 3142d051 Клапан выпускной KMP Europe 3142D051-KMP
- 4309095 Поршень в сборе
- 17m-30-56201 Палец в сборе
- 702-21-56800 Пилотный клапан 702-21-58500
- 6128111012 Головка блока цилиндров в сборе (S6D155, SA6D155
- 4459548 Ф-р воздушный внутр. ZX-330, -370(P537877
- 206-06-61130 Датчик
- pro9340050 Клапан защитный 4-х контурный PRO9340050 PROVIA PRO9340050; 1935509; 193551
- 9310837 Натяжитель гусеницы в сборе, шт
- 0281006032 0281006032 bosch клапан регулировки давления CR IVECO