2114-1059D100 Проставок сочл. (мет.), 100x170x1
Наличие 2114-1059D100 на складах, цены и сроки отгрузки
Артикул
Название
Производитель
Код
Город отгрузки
Срок отгрузки
Наличие
Стоимость
2114-1059d100
Проставок сочл. (мет.), 100x170x1, 2114-1059D100
143
Хабаровск
1-2дня
10 шт.
470 ₽
Показать больше
Информация, указанная на сайте, не является публичной офертой, носит справочно-информационный характер, может быть изменена в любое время без предварительного уведомления. Для получения актуальной информации о наличии, стоимости, сроков поставки товаров обращайтесь по адресу zakaz@partsell.ru
Заказать расчет, стоимость и сроки поставки 2114-1059D100
Применимость запчасти
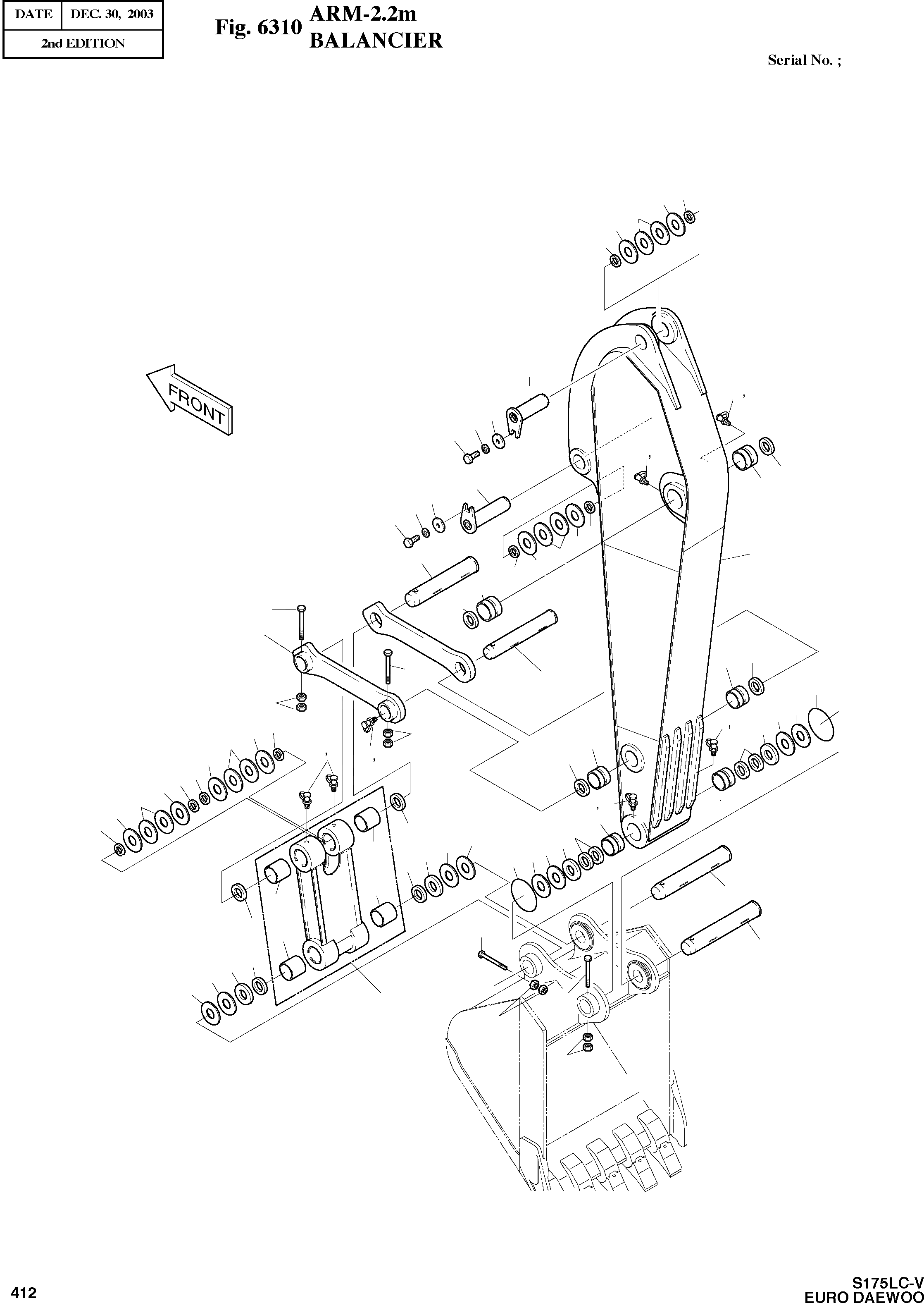
Всего используется в 64 узлов, посмотреть полную применимостьПрименяется в спецтехнике
Варианты написания артикула
- 21141059d100
- 2114-1059D100
Категории товара
Похожие запчасти
- 2114-1059d98 Проставок сочл. (мет.), 80x140x1, 2114-1059D98
- 205-70-51530 Шайба 1.5мм, 80X150X2, 205-70-51530, 206-70-55290, 20Y-70-11370
- 207-70-73270 Втулка, рукоять (207-70-73270
- 093-0116 Пластина (2-MM THK) 093-0116 (CGR
- 2830444 Прокладка выпускного коллектора Cummins 6ISBe 2830444 5259850 3955339
- wd615 Р/к ТНВД WD615, WP10, CA6DL
- 8e6358 Палец коронки, шт
- 205-70-73280 О-кольцо
- 4450012 Уплотнение, шт
- 1140359 Фиксатор
- 4275784 Шайба, шт
- 8e6359 Стопор (8Е6359
- 8e8409 Кольцо стопорное, шт
- 2705-1020 Палец коронки, шт
- 3678468 Уплотнение 0931345
- 66n4-30350 Палец коронки, шт
- e161-3035 Палец
- 207-70-11350 Шайба
- 860118419 Мотор печки (отопителя) LW500F/SDLG953/LZ30G/ZL50G
- 61e5-11150 Замок