2184-1212D28 РВД DOOSAN
Наличие 2184-1212D28 на складах, цены и сроки отгрузки
Артикул
Название
Производитель
Код
Город отгрузки
Срок отгрузки
Наличие
Стоимость
2184-1212d28
РВД, 2184-1212D28
76
Екатеринбург
1-2 дня
41 шт.
2416 ₽
Показать больше
Информация, указанная на сайте, не является публичной офертой, носит справочно-информационный характер, может быть изменена в любое время без предварительного уведомления. Для получения актуальной информации о наличии, стоимости, сроков поставки товаров обращайтесь по адресу zakaz@partsell.ru
Заказать расчет, стоимость и сроки поставки 2184-1212D28
Применимость запчасти
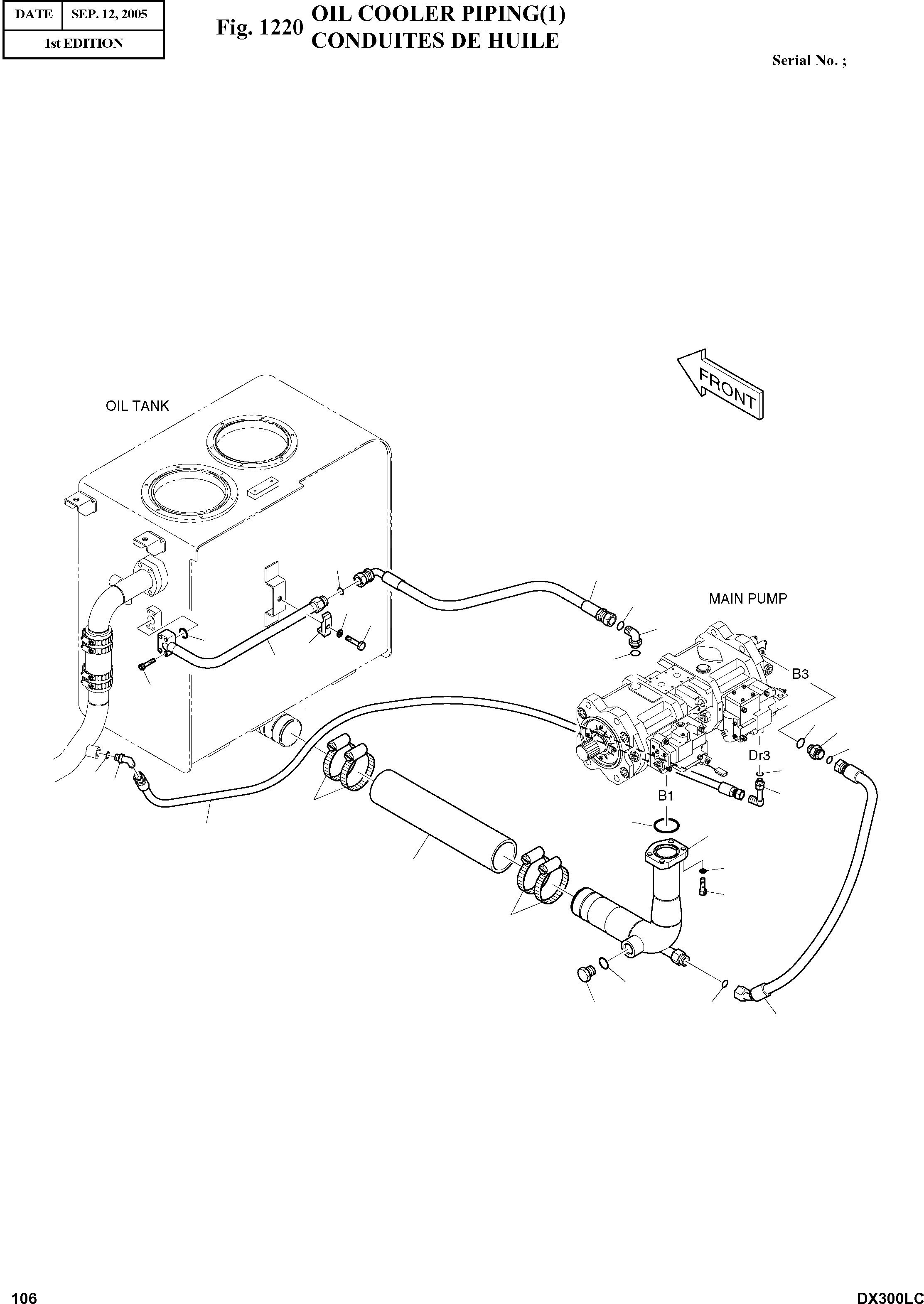
Всего используется в 10 узлов, посмотреть полную применимостьПроизводители
Применяется в спецтехнике
Название запчасти
- РВД
- РВД 2184-1212D28 DOOSAN
- РВД DOOSAN 2184-1212D28
Варианты написания артикула
- 21841212d28
- 2184-1212D28
Категории товара
Похожие запчасти
- 2184-1026d105 РВД DOOSAN 2184-1026D105
- 2184-1026d123 РВД DOOSAN 2184-1026D123
- 2184-1026d160 РВД DOOSAN 2184-1026D160
- 2184-1045d104 РВД DOOSAN 2184-1045D104
- ds2040268 РВД DOOSAN DS2040268
- ds2038189 РВД DOOSAN DS2038189
- ds2012158 РВД DOOSAN DS2012158
- 2184-1081d46 РВД DOOSAN 2184-1081D46
- ds2059423 РВД DOOSAN DS2059423
- 2184-1081d111 РВД DOOSAN 2184-1081D111
- 07102-20505 РВД Komatsu 07102-20505
- 07102-20206 Шланг
- 195-03-44510 РВД Komatsu 195-03-44510
- 4446833 РВД Hitachi 4446833
- 7003710 РВД LIEBHERR 7003710
- ds2038222 РВД DOOSAN DS2038222
- 07099-01216 РВД Komatsu 07099-01216
- 195-49-11440 РВД
- 243-2100 РВД CAT 243-2100
- k1037713a Каток опорный Doosan DX225LCA (K1037713A) BULLTRACK, , шт