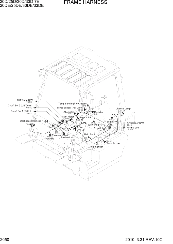
21HA-10014 Оплетка кабеля
Наличие 21HA-10014 на складах, цены и сроки отгрузки
Артикул
Название
Производитель
Код
Город отгрузки
Срок отгрузки
Наличие
Стоимость
21ha-10014
Оплетка кабеля, 21HA-10014
257
Москва
2-3дня
по запросу
26744 ₽
Показать больше
Информация, указанная на сайте, не является публичной офертой, носит справочно-информационный характер, может быть изменена в любое время без предварительного уведомления. Для получения актуальной информации о наличии, стоимости, сроков поставки товаров обращайтесь по адресу zakaz@partsell.ru
Заказать расчет, стоимость и сроки поставки 21HA-10014
Применимость запчасти
Всего используется в 3 узлов, посмотреть полную применимостьПрименяется в спецтехнике
- Hyundai
- Вилочные погрузчики
Варианты написания артикула
- 21ha10014
- 21HA-10014
Похожие запчасти
- 02609904010 Оплетка кабеля, 18470, 106TA6821
- 22n52-42601 Оплетка кабеля TCM, 22N52-42601
- 3287699 Жгут
- 21ha-40110 Резистор, 21HA-40110
- 229298a1 Оплетка, 229298A1
- 5021344 ОПЛЕТКА, СМ, 5021344
- atd22496u Шланг осушителя CAT L=1360mm (короткий) (металл.оплетка), A12-11
- 87451400 Оплетка, 87451400
- a12-11593-054 Шланг осушителя CAT L=1360mm (короткий) (металл.оплетка)
- 1552265 РАЗЪЕМ, 1552265
- 1249401 ЗАЖИМ ДЛЯ КАБЕЛЯ, 1249401
- 81em-10013gg Звездочка R250LC R260LC, Hyundai, 81EN-10013, 81EN-10014
- 5g3676 ВТУЛКА ИЗОЛЯЦИОННАЯ ЭЛ.КАБЕЛЯ, 5G3676
- 6v0744 ОПЛЕТКА, СМ, 6V0744
- 81q7-10011 Звездочка Hyndai R260LC-9 (38 отв.) 81Q7-10011 BULLTRACK, , шт
- 81en-10014 Ведущее колесо (звездочка) (38/21T/402) Р=190 Hyundai R250LC-7, R250LC-9, R2
- 81eh-10014 Звездочка R380, 81EH-10014
- sz9k869369111 Шланг - оплетка из стальной проволоки-660, SZ9K869369111
- sz9k869369115 Шланг - оплетка из стальной проволоки-610, SZ9K869369115
- 1692871444 ДЕРЖАТЕЛЬ КАБЕЛЯ